GM Service Manual Online
For 1990-2009 cars only
Makes
🢒
Generic
🢒
2006
🢒
Unit Repair
🢒 Starting - L26
Starting - L26
Starting - L26
Master Electrical Component List
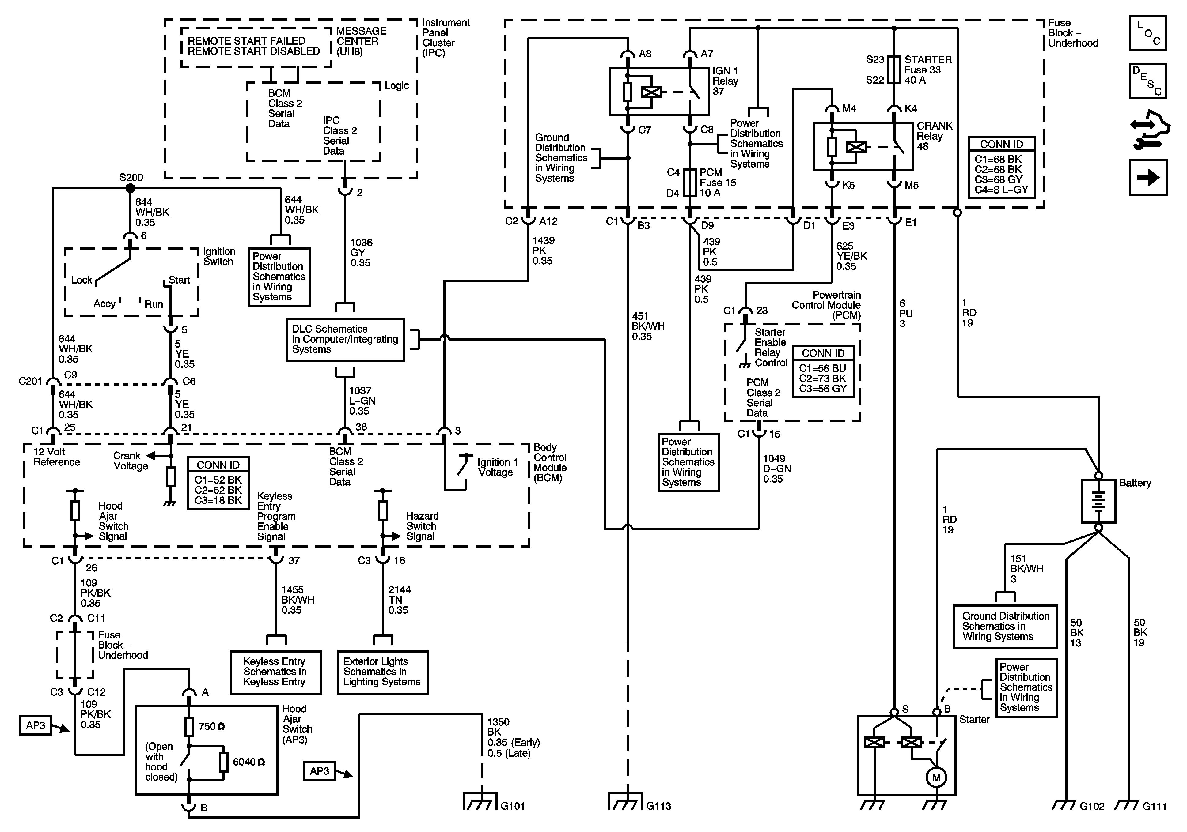
Starting System Description and Operation
Control Module References
Starting - LY7
G101, G102, G103, G111, G112, and G113
Fuse Block - Underhood B+ Bus
Ignition Switch
L26
Fuse Block - Underhood ABS, TRANS SOL, PCM, SIR, and DISPLAY Fuses, CRANK Relay, and Fuse Block - I/P CRUISE SW Fuse
G101, G102, G103, G111, G112, and G113
Keyless Entry Schematics
Turn Signal, Hazard, and Stop Lamps Inputs
Fuse Block - Underhood B+ Bus
G101, G102, G103, G111, G112, and G113
G101, G102, G103, G111, G112, and G113
G101, G102, G103, G111, G112, and G113
G101, G102, G103, G111, G112, and G113