GM Service Manual Online
For 1990-2009 cars only
Makes
🢒
Generic
🢒
2006
🢒
Unit Repair
🢒 Charging System
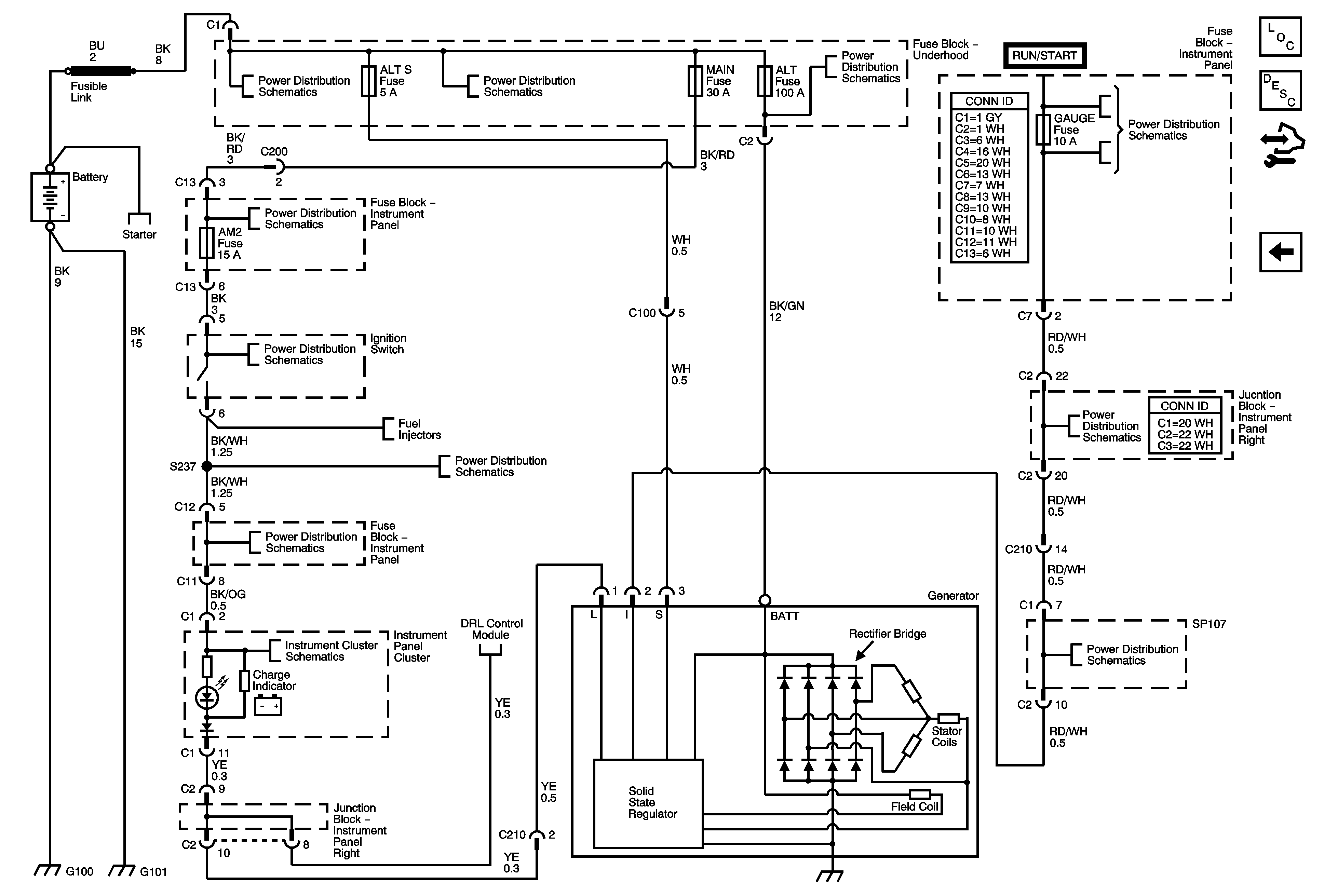
Charging System
Charging System
Master Electrical Component List
Charging System Description and Operation
Control Module References
Starting System with Theft Deterent
Air Pump, ETCS, Head, Alt S, EFI, EFI 2, Hazard Fuses
Air Pump, ETCS, Head, Alt S, EFI, EFI 2, Hazard Fuses
Alt, ABS 1 and 2, RDI Fan, Fog Fuses
Wash, RR Wip, Wiper, ECU-IG, Gauge, Heater, DEF Fuses
Horn, Dome, Main, Amp, Onstar Fuses
Ignition Switch (1 of 2)
Ignition Switch (2 of 2)
Charge, Air Bag, Malfunction, O/D OFF, Cruise Indicators
Daytime Running Lamp (DRL) Control Module Power and Ground
Junction Block - Instrument Panel Right
Junction Block - Instrument Panel Right