GM Service Manual Online
For 1990-2009 cars only
Makes
🢒
Generic
🢒
2006
🢒
Unit Repair
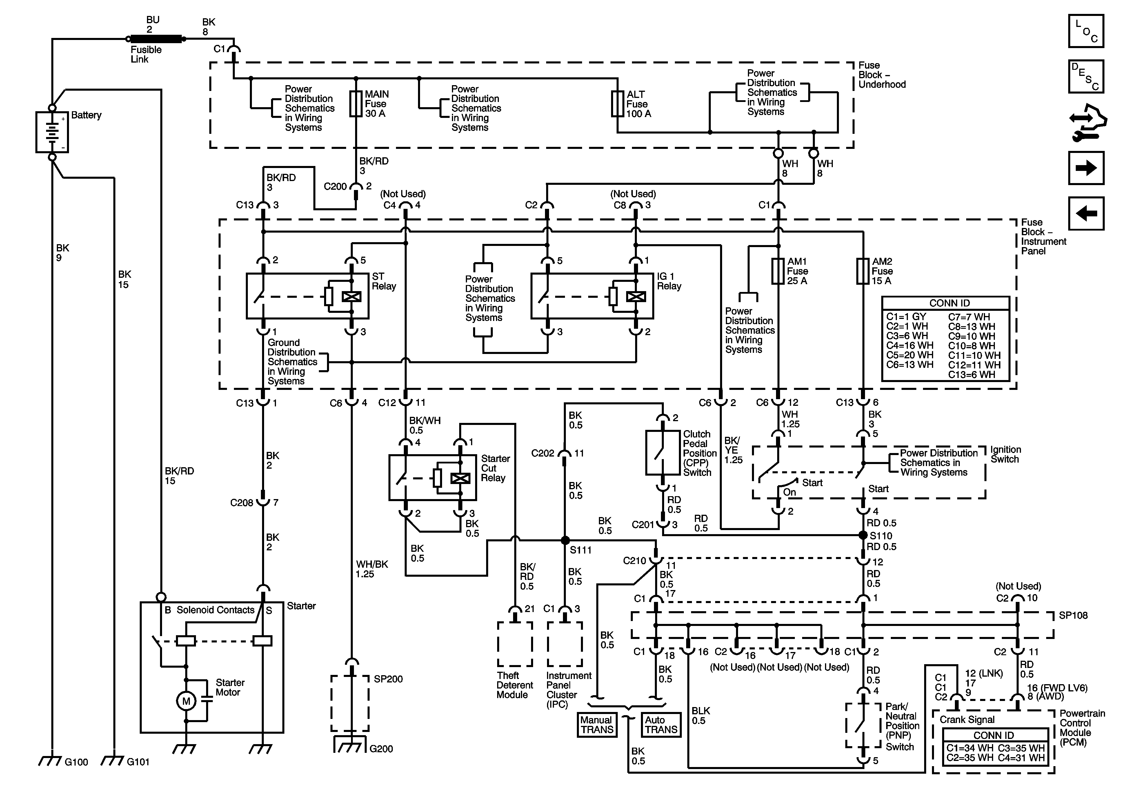
🢒 Starting System with Theft Deterent
Starting System with Theft Deterent
Starting System with Theft Deterrent
Master Electrical Component List
Transmission General Description
Control Module References
Charging System
Starting System
Air Pump, ETCS, Head, Alt S, EFI, EFI 2, Hazard Fuses
Horn, Dome, Main, Amp, Onstar Fuses
Alt, ABS 1 and 2, RDI Fan, Fog Fuses
Fuse Block - Instrument Panel
Wash, RR Wip, Wiper, ECU-IG, Gauge, Heater, DEF Fuses
Power, AM 1, Door, Tail, P/Point, ECU-B, Stop, OBD, INV, Fuses
Ignition Switch (1 of 2)
SP201 and G201