GM Service Manual Online
For 1990-2009 cars only
Makes
🢒
Generic
🢒
2006
🢒
Unit Repair
🢒 Actuators
Actuators
Actuators
Master Electrical Component List
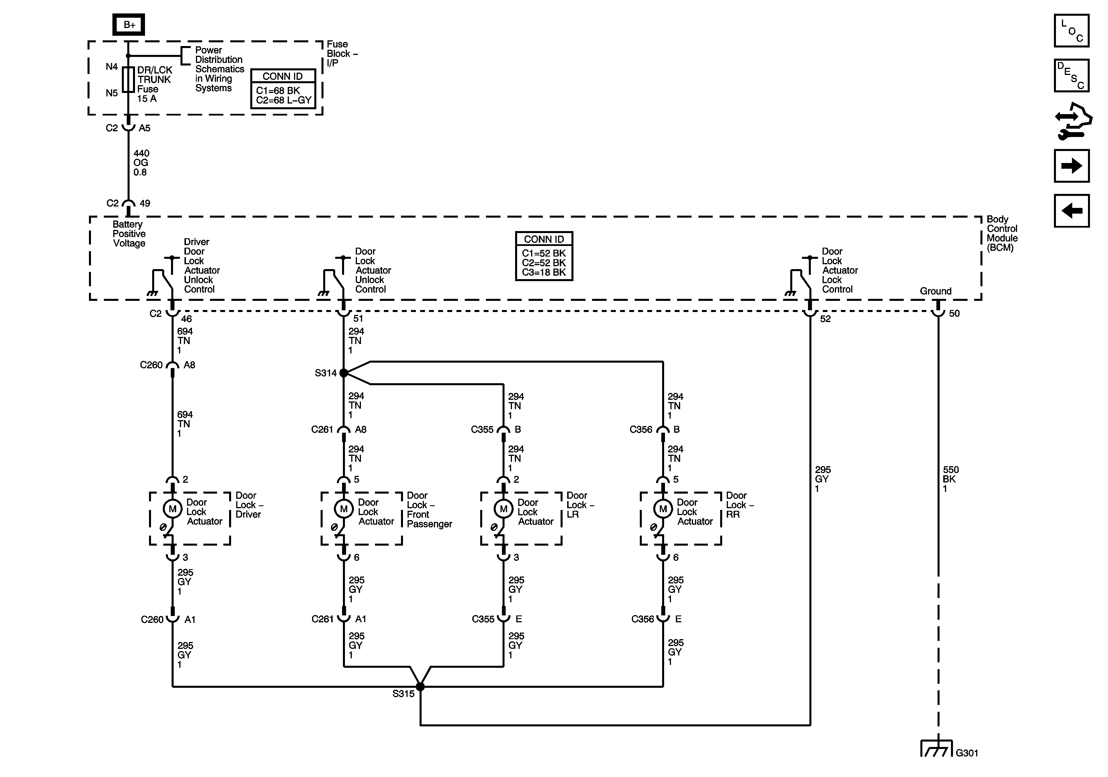
Power Door Locks Description and Operation
Control Module References
Ajar Indicators
Switches
Fuse Block - Underhood BATT MAIN 2 Fuse, Fuse Block - I/P HTD SEAT, PWR MIRS, TURN/HAZ, DR LK/TRUNK, PRKSW, and SUN ROOF Fuses, PWR SEAT and PWR WDO Circuit Breakers, and RAP Relay
G301