GM Service Manual Online
For 1990-2009 cars only
Makes
🢒
HUMMER
🢒
2005
🢒
H2
🢒
Transmission/Transaxle
🢒
Automatic Transmission - 4L60-E/4L65-E
🢒 Automatic Transmission Controls Schematics
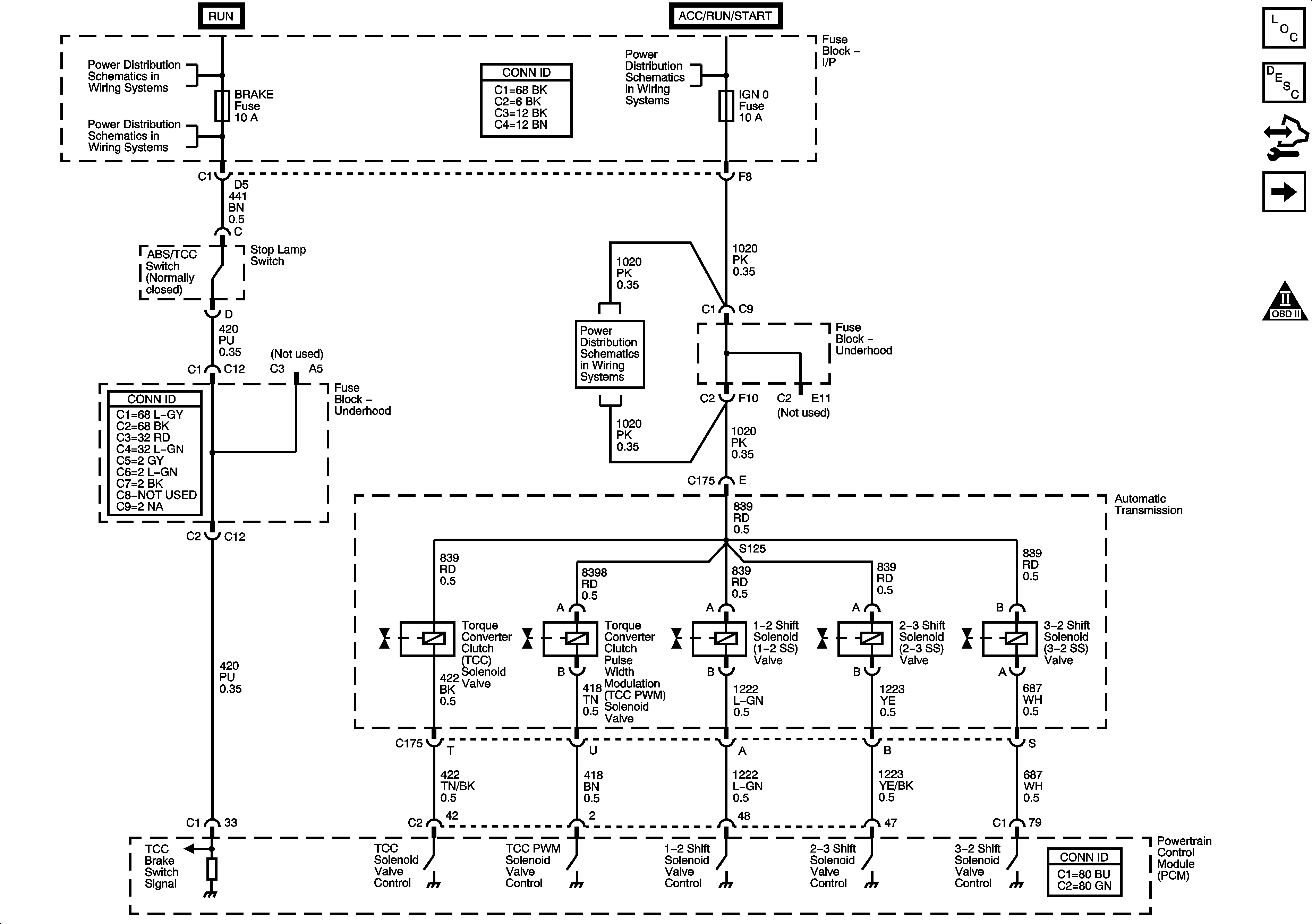
Figure
1:
Shift Controls and Stop Lamp Switch
Master Electrical Component List
Electronic Component Description
Fluid Pressure Switch, TFT Sensor, PC Solenoid Valve, Transfer Case Control Module, and Vehicle Speed Sensor
OBD II Symbol Description Notice
Illumination - Rear Windows, Garage Door Opener, Sunroof, HVAC Control, Headlamp, and Tow/Haul Switches
Power, Ground, DLC, and Splice Pack SP205
BRAKE, 4WD, CRUISE, HVAC 1, and IGN 3 Fuses
WS WPR, SEO ACCY, RR WPR, TBC ACCY, TBC IGN 0, and IGN 0 Fuses
WS WPR, SEO ACCY, RR WPR, TBC ACCY, TBC IGN 0, and IGN 0 Fuses
Power, Ground, DLC, and Splice Pack SP205
CKT 1050: G203, S302, S303, S351, and S215
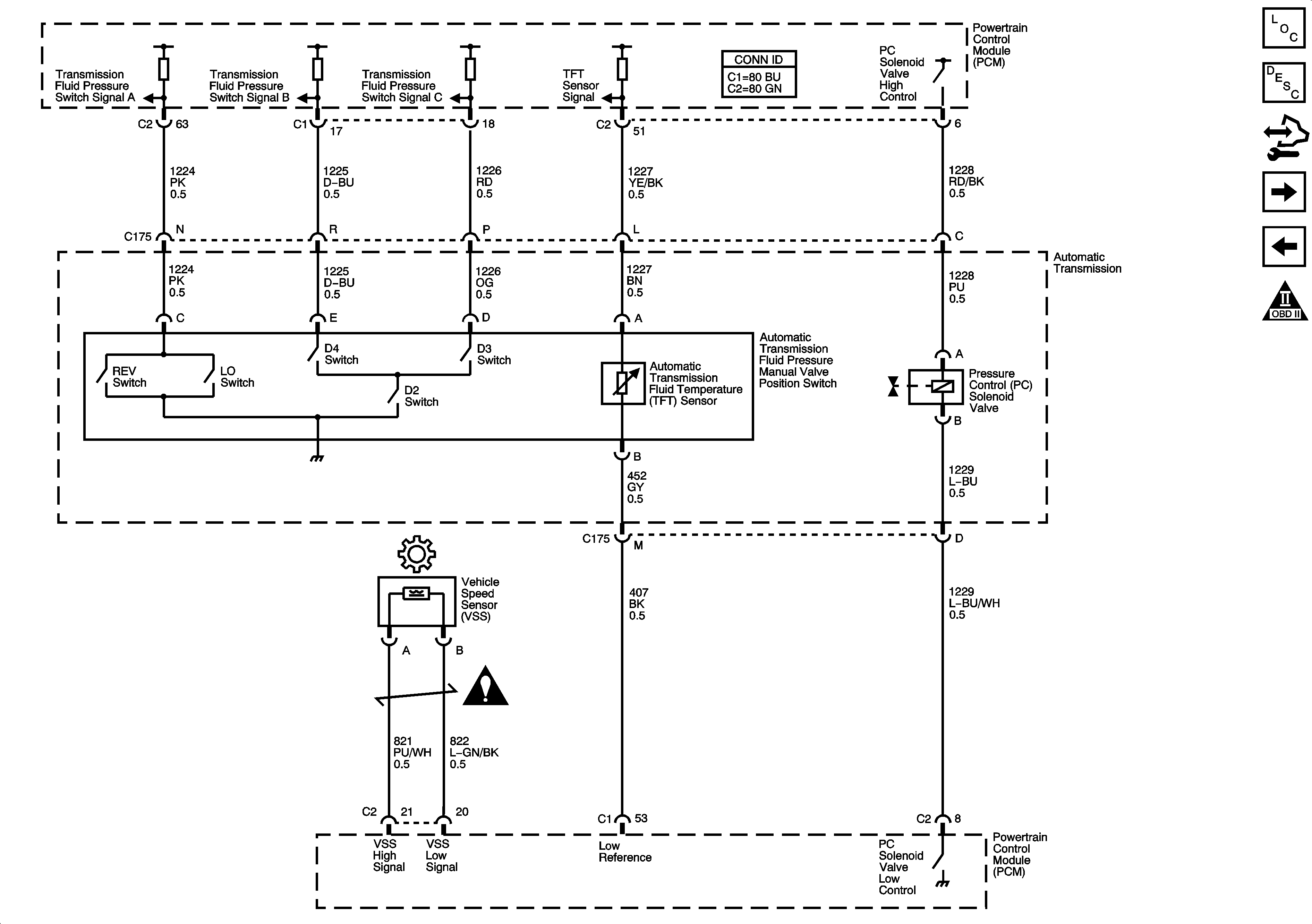
Figure
2:
Pressure Controls, Temperature, and VSS
Master Electrical Component List
Electronic Component Description
Transmission Range Display
Power, BCM, PCM, Class 2, Stop Lamp Switch, Tow/Haul Switch, and Shift Solenoids
OBD II Symbol Description Notice
Automatic Transmission Schematic Icons
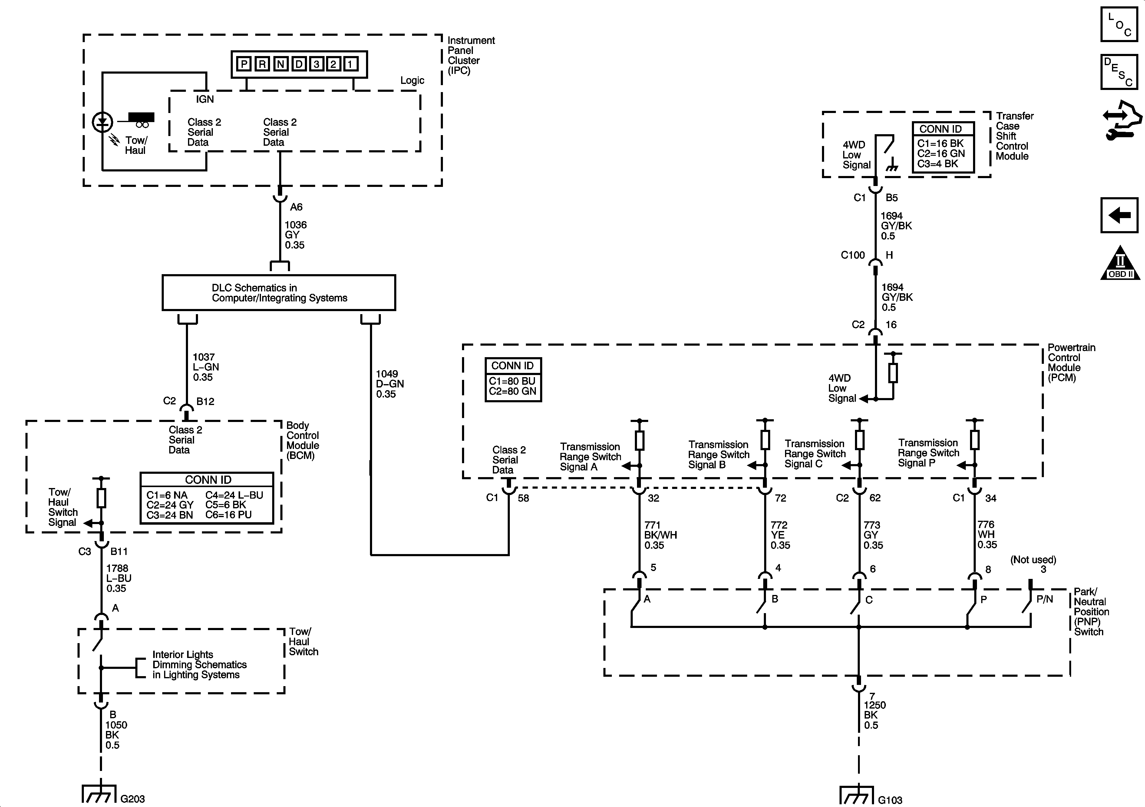
Figure
3:
PNP Switch, 4WD Signal, Serial Data, and Indicator
Master Electrical Component List
Electronic Component Description
Fluid Pressure Switch, TFT Sensor, PC Solenoid Valve, Transfer Case Control Module, and Vehicle Speed Sensor
G102 and G103
Power, Ground, DLC, and Splice Pack SP205