GM Service Manual Online
For 1990-2009 cars only
Makes
🢒
HUMMER
🢒
2005
🢒
H2
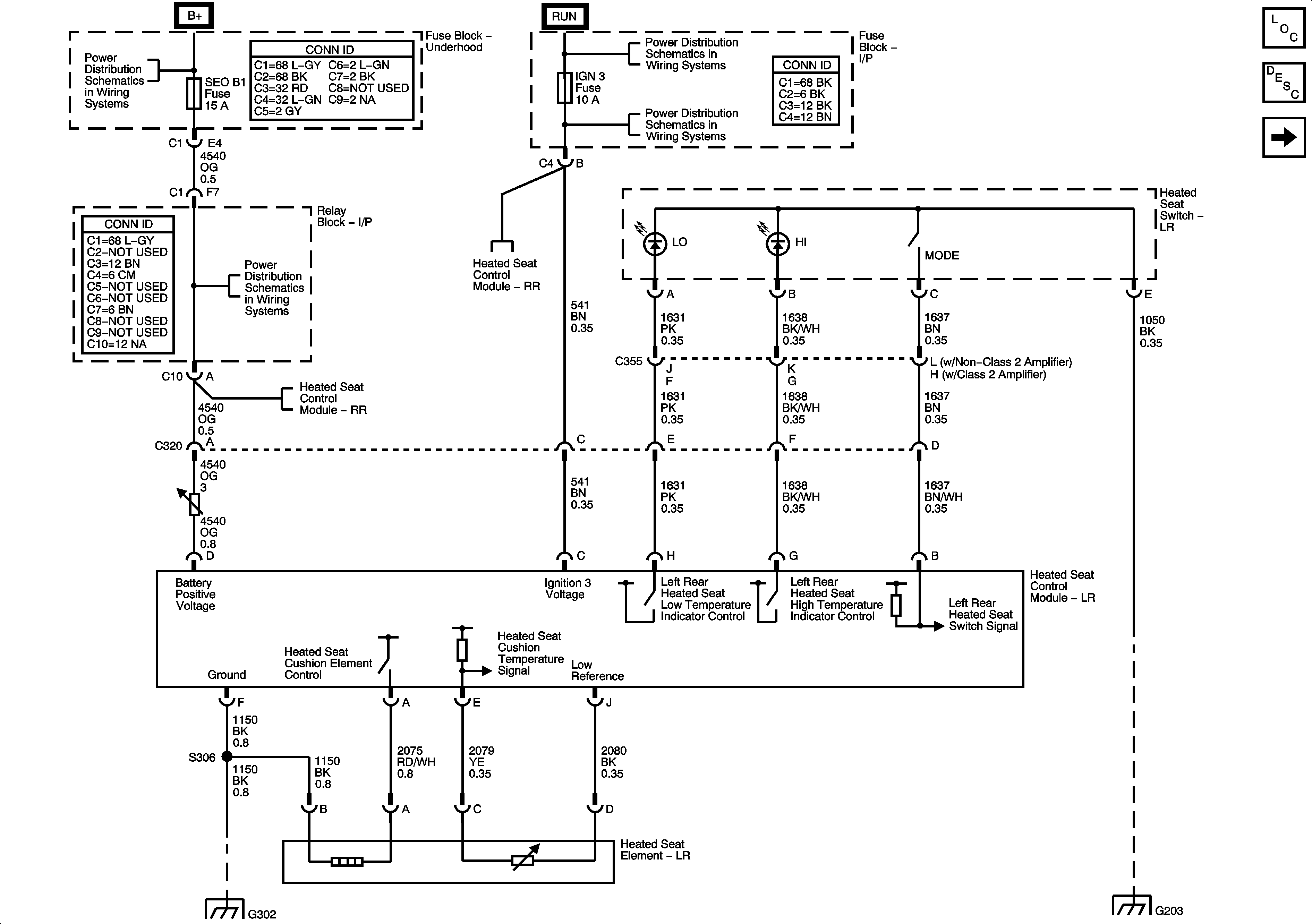
🢒 LR Heat Controls
LR Heat Controls
Left Rear Heated Seat
Master Electrical Component List
Heated Seats Description and Operation Rear
RR Heat Controls
B+Bus
ACCY/RUN/START, RUN, and START Bus Bars, and CRANK Fuse
BRAKE, 4WD, CRUISE, HVAC 1, and IGN 3 Fuses
PCM B, TREC, IPC/DIC, TBC BATT, SEO B1, SEO B2, and HVAC/ECAS Fuses
RR Heat Controls
RR Heat Controls
G302, G304, and G306
CKT 1050: G203, S302, S303, S351, and S215