GM Service Manual Online
For 1990-2009 cars only
Makes
🢒
HUMMER
🢒
2007
🢒
H2
🢒
Body Systems
🢒
Mirrors
🢒 Outside Rearview Mirror Schematics
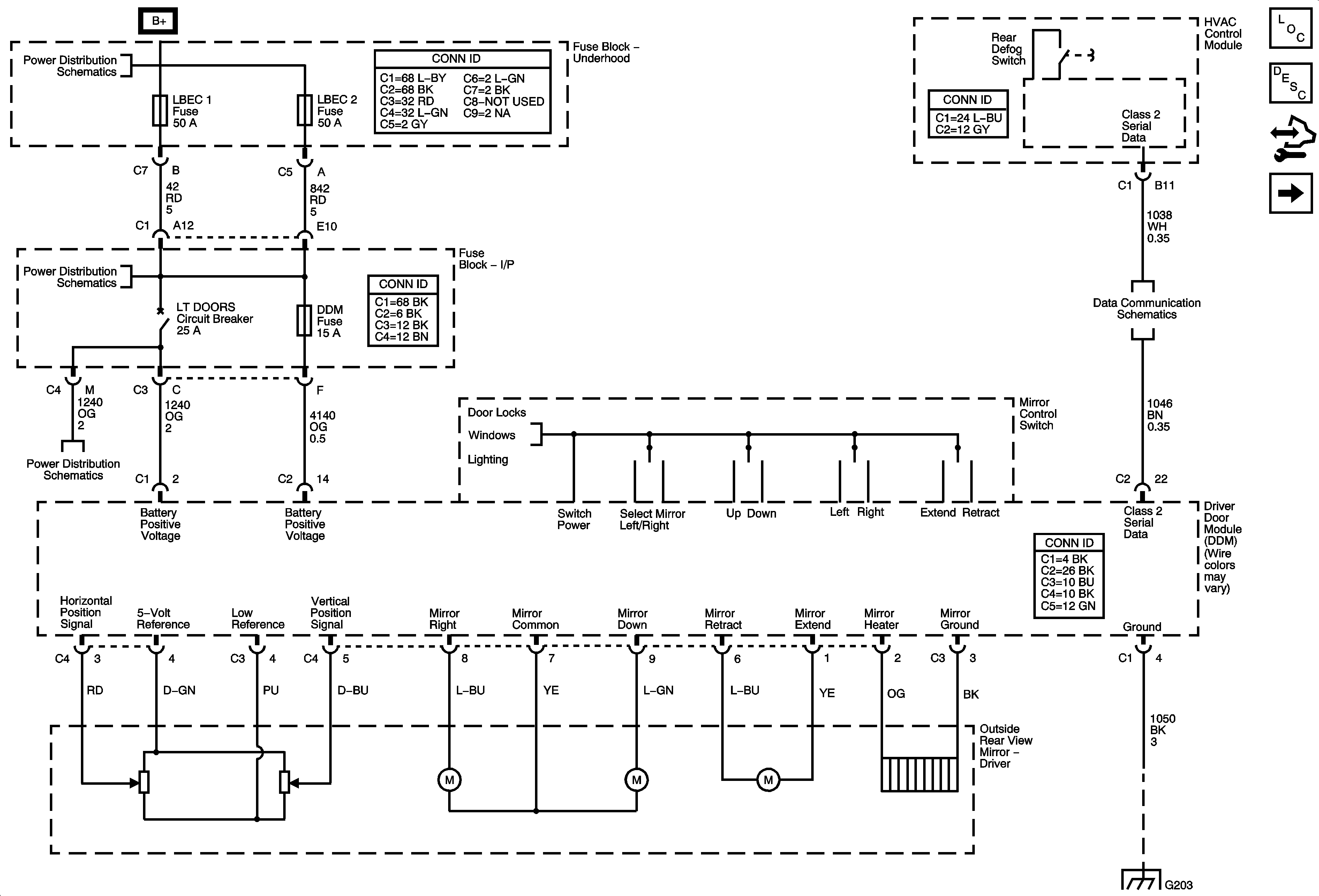
Figure
1:
Outside Mirror -- Driver
Master Electrical Component List
Outside Mirror Description and Operation (Power Mirrors)
Control Module References
Outside Mirror - Passenger
B+ Bus
DDM, INFO, LBEC1, LBEC2, LGATE, LOCKS, PDM, TBC 2A, TBC 2B, and TBC 2C Fuses and LEFT DOOR and MIDGATE Circuit Breakers
DDM, INFO, LBEC1, LBEC2, LGATE, LOCKS, PDM, TBC 2A, TBC 2B, and TBC 2C Fuses and LEFT DOOR and MIDGATE Circuit Breakers
Power, Ground, DLC and Splice Pack SP205
G203 - 2 of 3
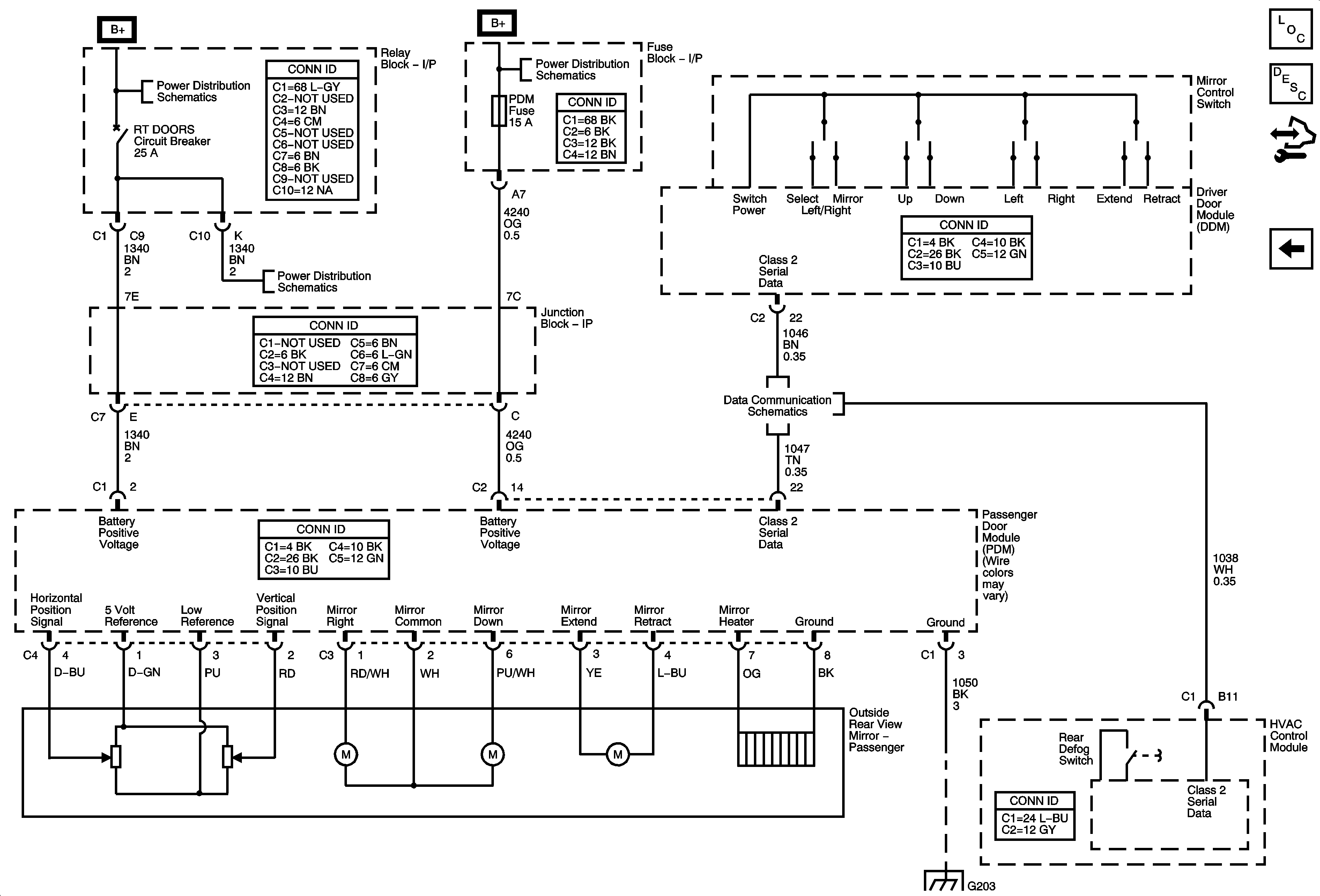
Figure
2:
Outside Mirror -- Passenger
Master Electrical Component List
Outside Mirror Description and Operation (Power Mirrors)
Control Module References
Outside Mirror - Driver
ABS, BLOWER, MBEC, STUD 1, STUD2, and VESE/ECAS Fuses and RT DOORS and SEATS Circuit Breakers
ABS, BLOWER, MBEC, STUD 1, STUD2, and VESE/ECAS Fuses and RT DOORS and SEATS Circuit Breakers
DDM, INFO, LBEC1, LBEC2, LGATE, LOCKS, PDM, TBC 2A, TBC 2B, and TBC 2C Fuses and LEFT DOOR and MIDGATE Circuit Breakers
Power, Ground, DLC and Splice Pack SP205
G203 - 1 of 3