GM Service Manual Online
For 1990-2009 cars only
Makes
🢒
HUMMER
🢒
2007
🢒
H2
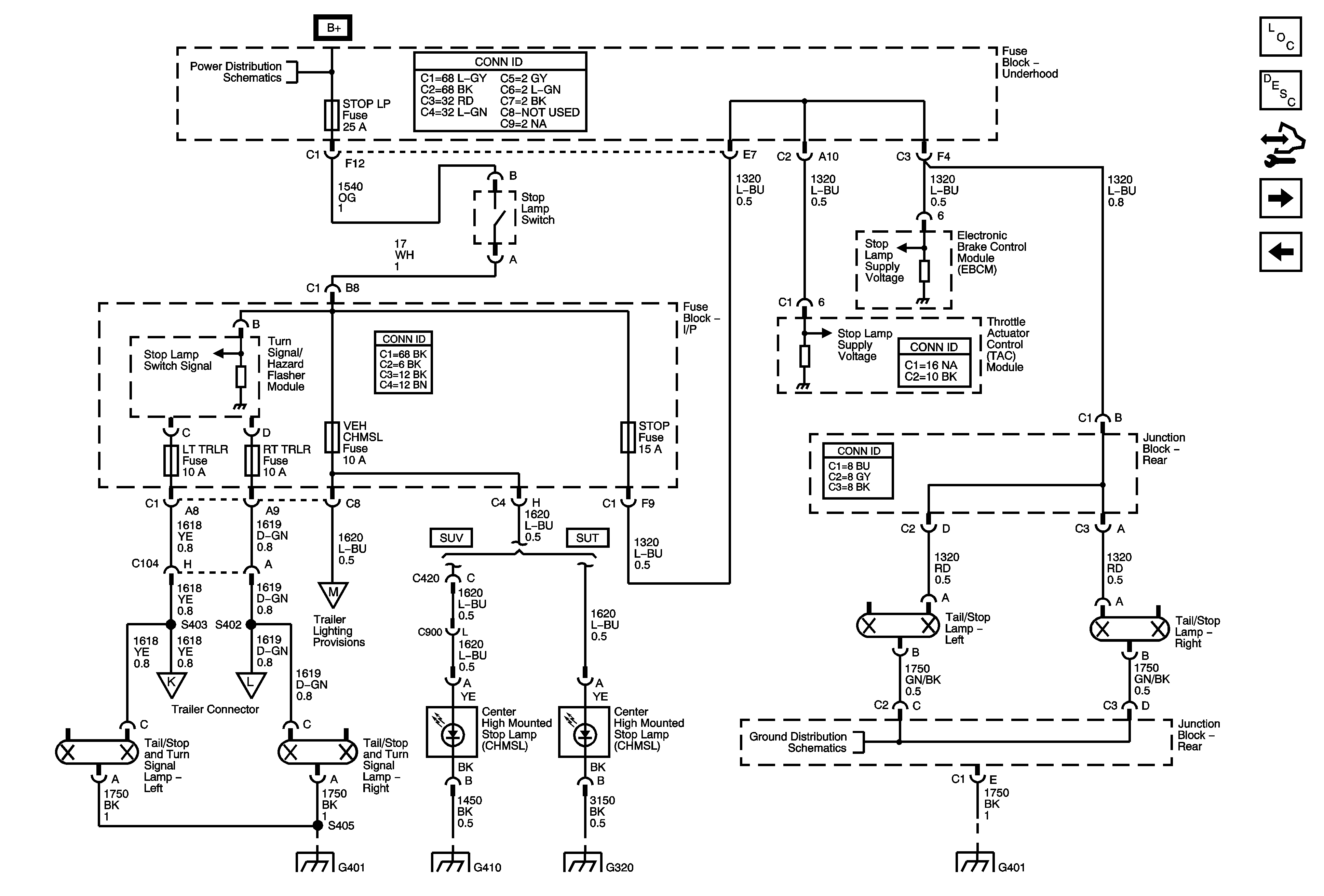
🢒 Stop Lamps
Stop Lamps
Stop Lamps
Master Electrical Component List
Exterior Lighting Systems Description and Operation
Control Module References
Off Road Lighting Control - USB, USC, UNR
Rear Turn Signal Lamps
B+ Bus
G300, G310, G401, and G403
G300, G310, G401, and G403
G320 - SUT
G402, G405, and G410
G300, G310, G401, and G403
Trailer Lighting Provisions
Trailer Lighting Provisions