GM Service Manual Online
For 1990-2009 cars only
Makes
🢒
HUMMER
🢒
2007
🢒
H2
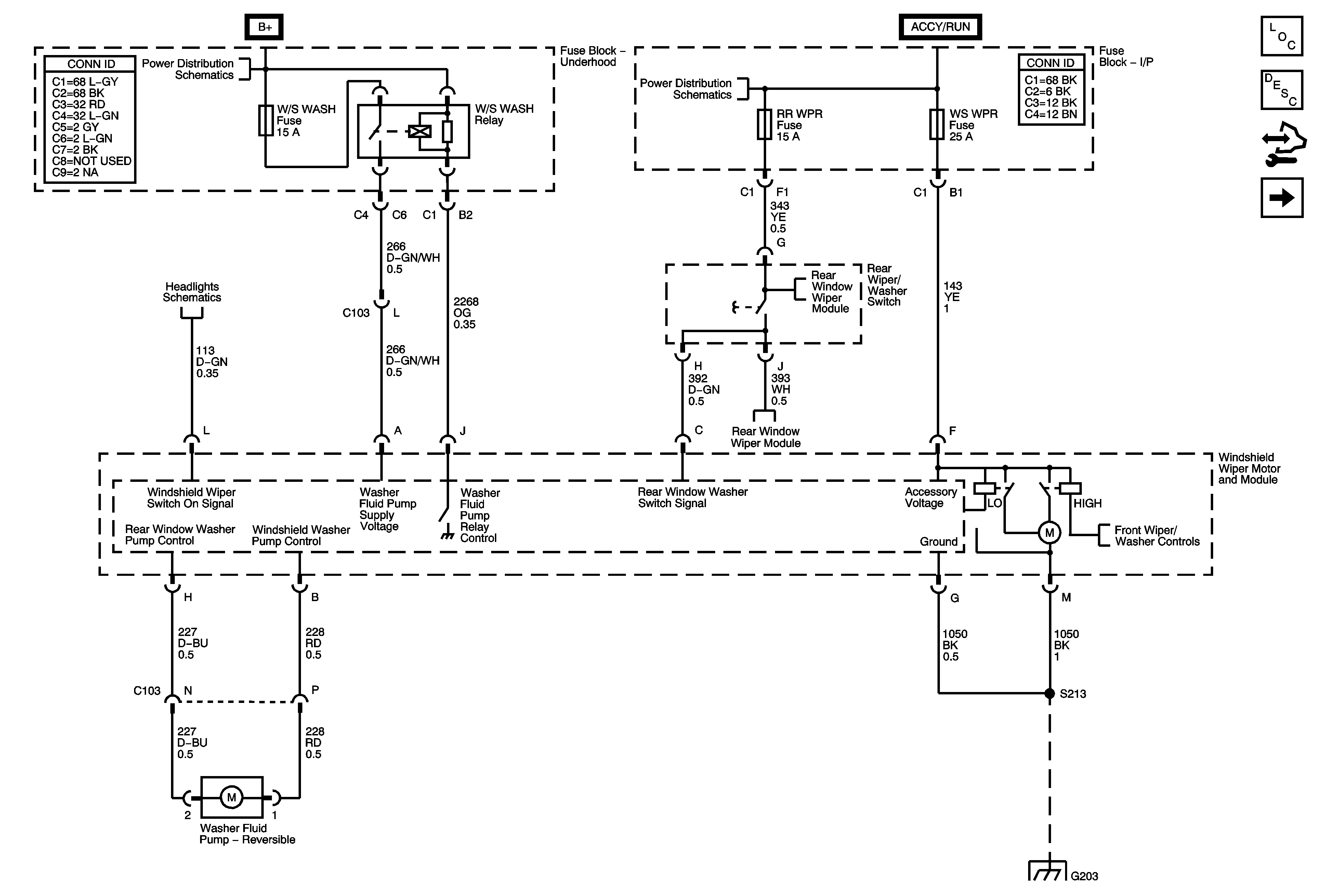
🢒 Front Wiper/Washer Power, Ground, and Motors
Front Wiper/Washer Power, Ground, and Motors
Front Wiper/Washer Power, Ground, and Motors
Master Electrical Component List
Wiper/Washer System Description and Operation
Control Module References
Front Wiper/Washer Controls
B+ Bus
Headlamp Control
Ignition Switch - ACCY/RUN and RUN/START Bus Bars, and IGN B Fuse
Rear Wiper/Washer Controls and Washer Fluid Level Sensor
Rear Wiper/Washer Controls and Washer Fluid Level Sensor
Front Wiper/Washer Controls
G203 - 2 of 3