GM Service Manual Online
For 1990-2009 cars only
Makes
🢒
HUMMER
🢒
2007
🢒
H2
🢒 Heated Washers - 1 of 2
Heated Washers - 1 of 2
Heated Washers -- 1 of 2
Master Electrical Component List
Control Module References
Heated Washers - 2 of 2
Rear Wiper/Washer Controls and Washer Fluid Level Sensor
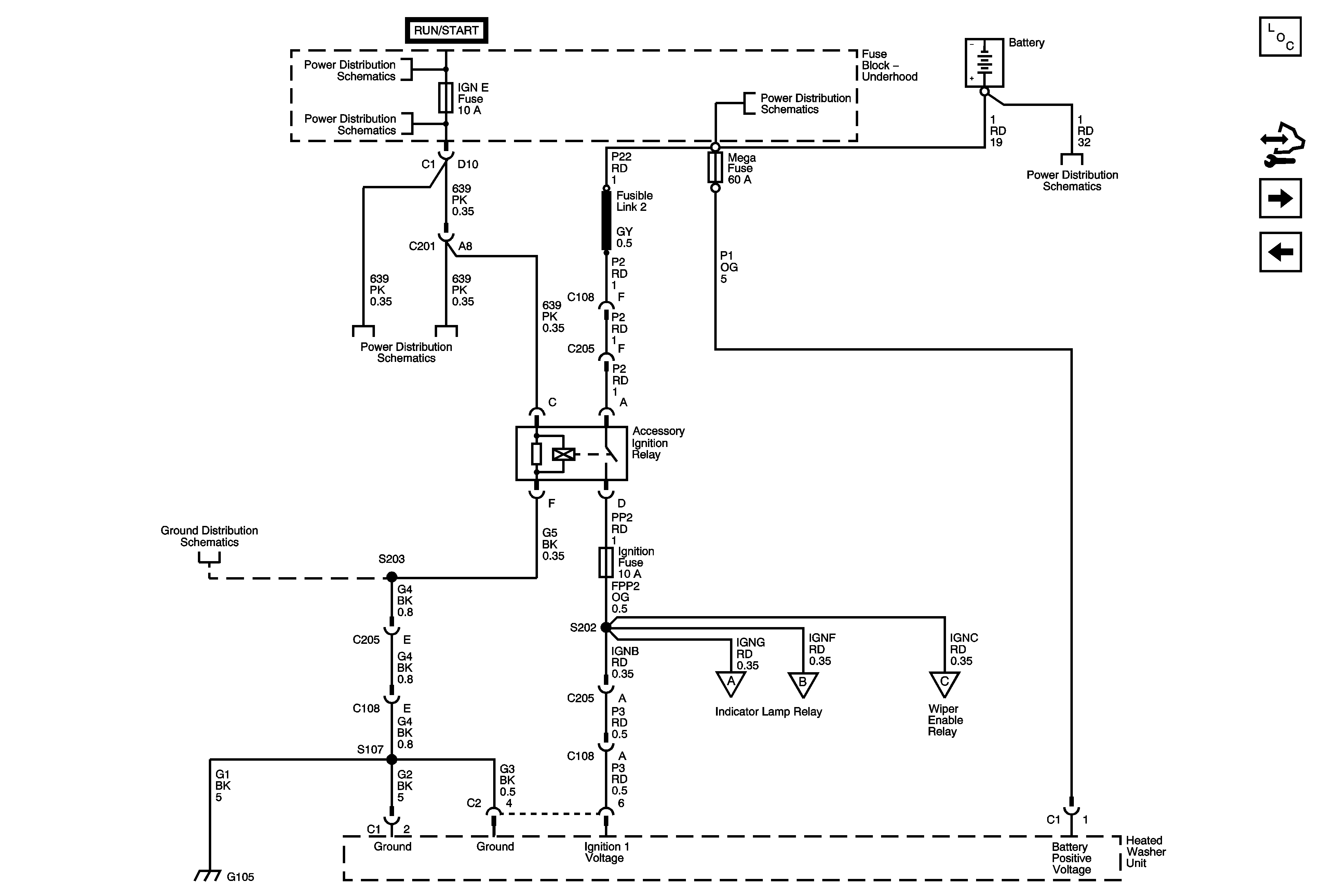
Ignition Switch - ACCY/RUN and RUN/START Bus Bars, and IGN B Fuse
IGN E, SEO IGN, and SIR Fuses
IGN E, SEO IGN, and SIR Fuses
B+ Bus
B+ Bus
Heated Washers - 2 of 2
G100 and G105