GM Service Manual Online
For 1990-2009 cars only
Figure 1:

Power, Ground, Serial Data, and Digital Radio Receiver


Object Number: 1430409  Size: FS
Master Electrical Component List
Radio/Audio System Description and Operation
Control Module References
Base Radio - w/o Rear Seat Audio Controls
B+ Bus - Rear Fuse Block
Gages
Video System
Video System
Entertainment Schematic Icons
Video System
SP205
G102
Figure 2:

Base Radio - w/o Rear Seat Audio Controls


Object Number: 1430411  Size: FS
Master Electrical Component List
Radio/Audio System Description and Operation
Control Module References
Base Radio - w/Rear Seat Audio Controls
Power, Ground, Serial Data, and Digital Radio Receiver
Entertainment Schematic Icons
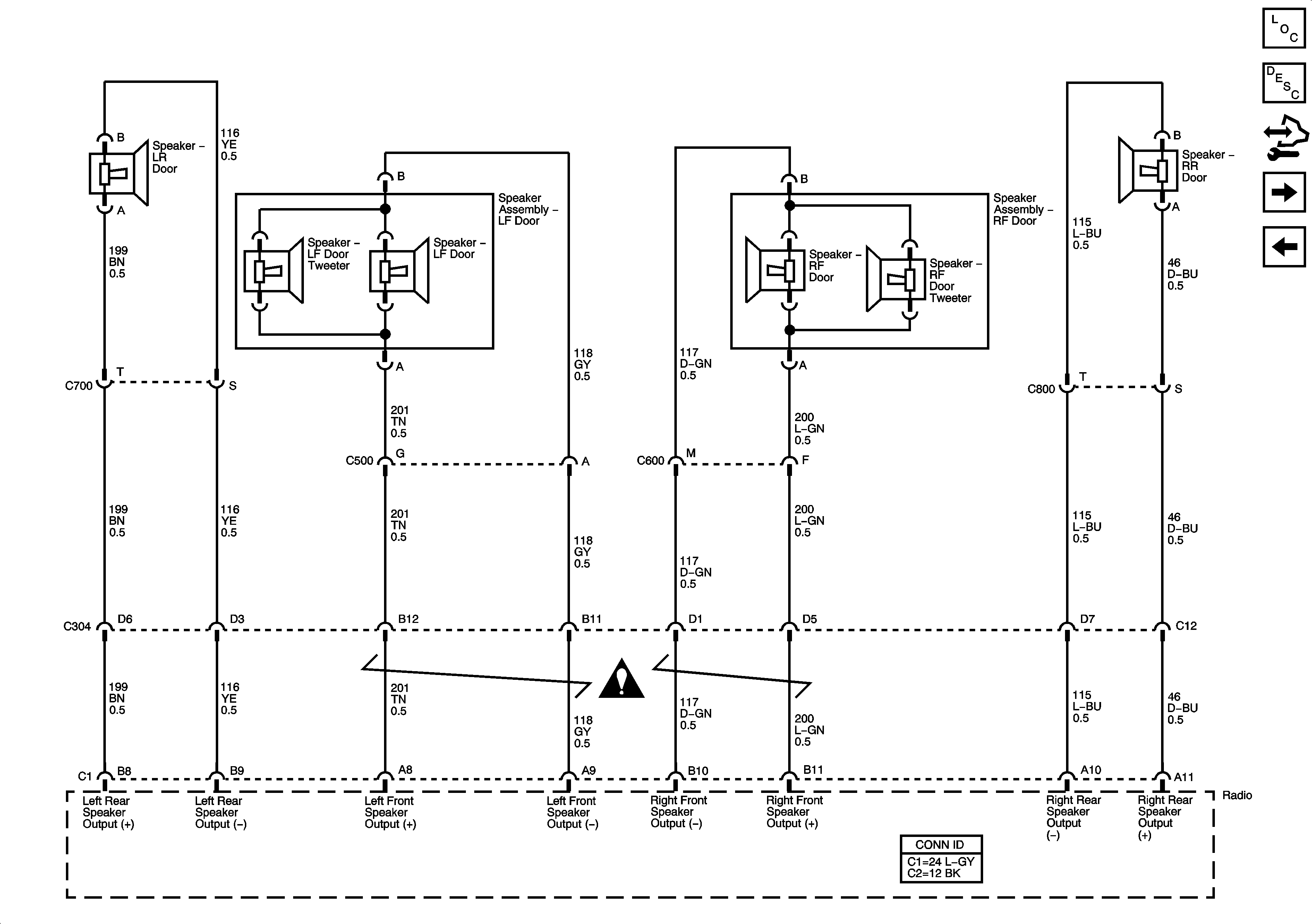
Figure 3:

Base Radio - w/ Rear Seat Audio Controls


Object Number: 1430557  Size: FS
Master Electrical Component List
Radio/Audio System Description and Operation
Control Module References
Audio Amplifier Power, Ground, and Premium Radio Low Level Audio Outputs w/o Rear Seat Audio Controls
Base Radio - w/o Rear Seat Audio Controls
B+ Bus - Rear Fuse Block
HVAC B, LGM/DSM, OHBATT/ONSTAR, and RADIO Fuses
SP205
Entertainment Schematic Icons
G201 - 1 of 2
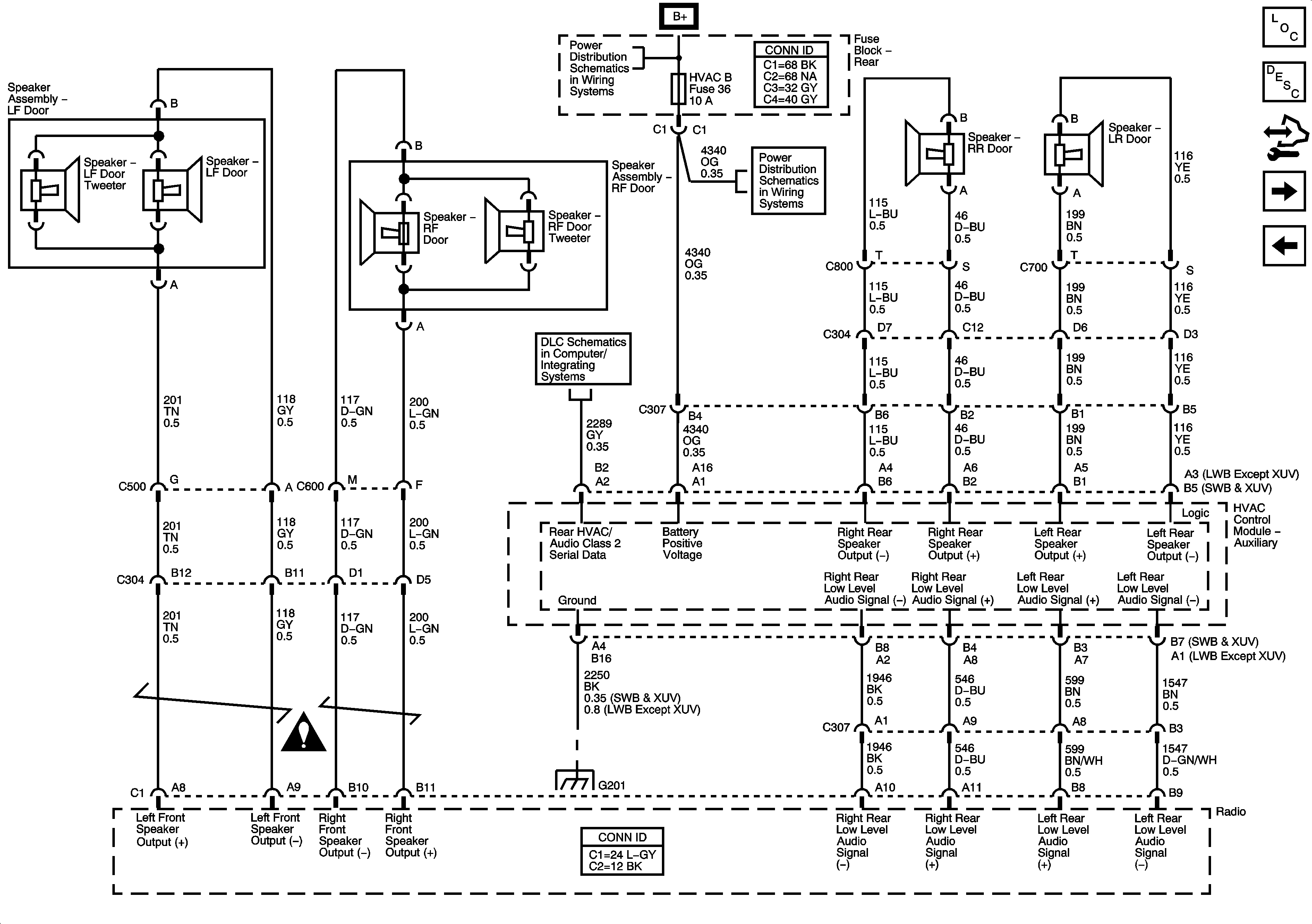
Figure 4:

Audio Amplifier, Power, Ground, and Premium Radio Low Level Audio Outputs w/o Rear Seat Audio Controls


Object Number: 1430559  Size: FS
Master Electrical Component List
Radio/Audio System Description and Operation
Control Module References
Audio Amplifier Power, Ground, and Premium Radio Low Level Audio Outputs w/Rear Seat Audio Controls
Base Radio - w/Rear Seat Audio Controls
B+ Bus - Rear Fuse Block
Entertainment Schematic Icons
Entertainment Schematic Icons
G102
G401, G402, and G403 - Except XUV
Figure 5:

Audio Amplifier, Power, Ground, and Premium Radio Low Level Audio Outputs w/ Rear Seat Audio Controls


Object Number: 1436344  Size: FS
Master Electrical Component List
Radio/Audio System Description and Operation
Control Module References
Premium Radio Amplifier Outputs
Audio Amplifier Power, Ground, and Premium Radio Low Level Audio Outputs w/o Rear Seat Audio Controls
B+ Bus - Rear Fuse Block
HVAC B, LGM/DSM, OHBATT/ONSTAR, and RADIO Fuses
SP205
G102
G201 - 1 of 2
G401, G402, and G403 - Except XUV
Entertainment Schematic Icons
Entertainment Schematic Icons
Entertainment Schematic Icons
Entertainment Schematic Icons
Entertainment Schematic Icons
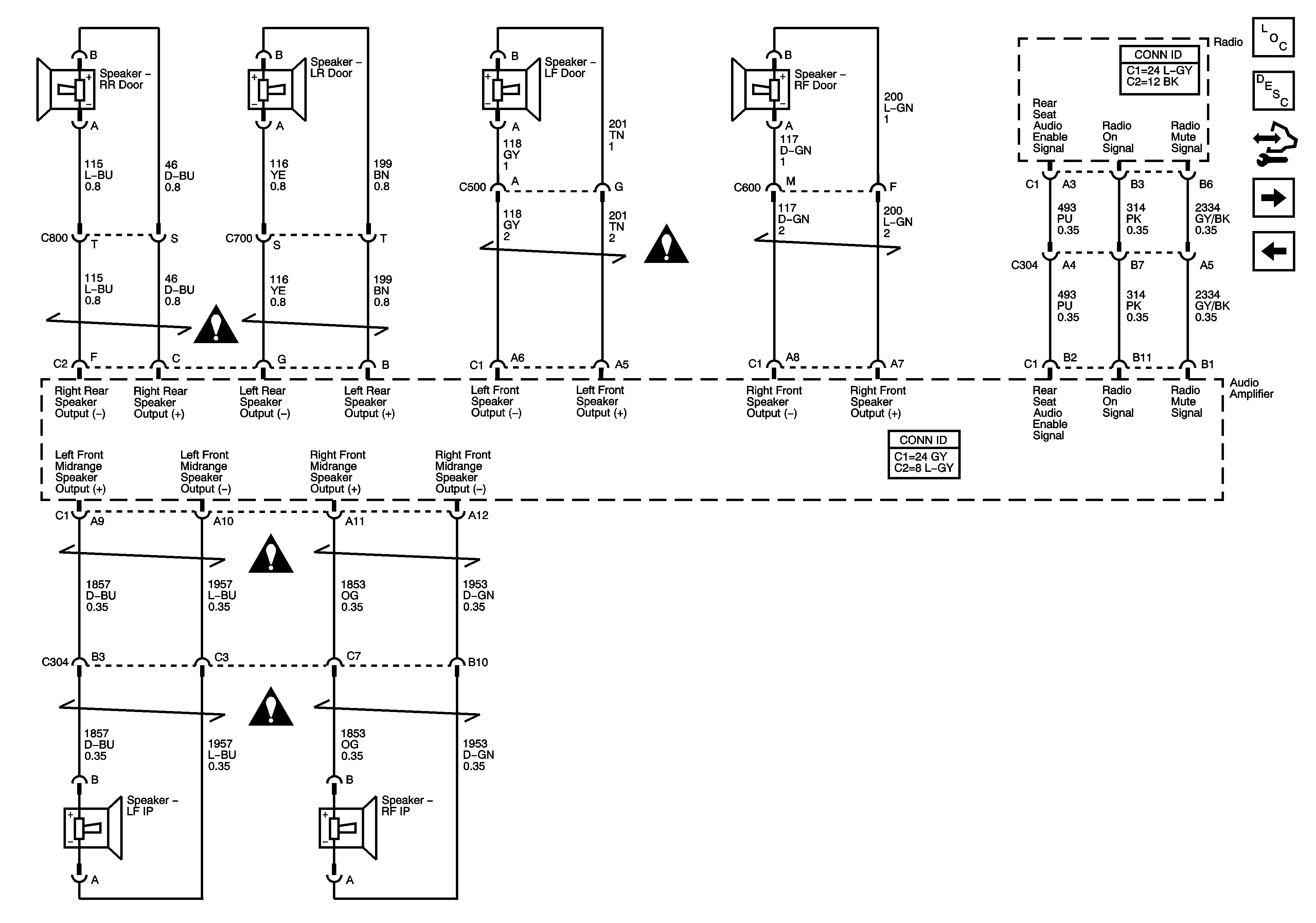
Figure 6:

Premium Radio Amplifier Outputs


Object Number: 1430561  Size: FS
Master Electrical Component List
Radio/Audio System Description and Operation
Control Module References
Steering Wheel Controls
Audio Amplifier Power, Ground, and Premium Radio Low Level Audio Outputs w/Rear Seat Audio Controls
Entertainment Schematic Icons
Entertainment Schematic Icons
Entertainment Schematic Icons
Entertainment Schematic Icons
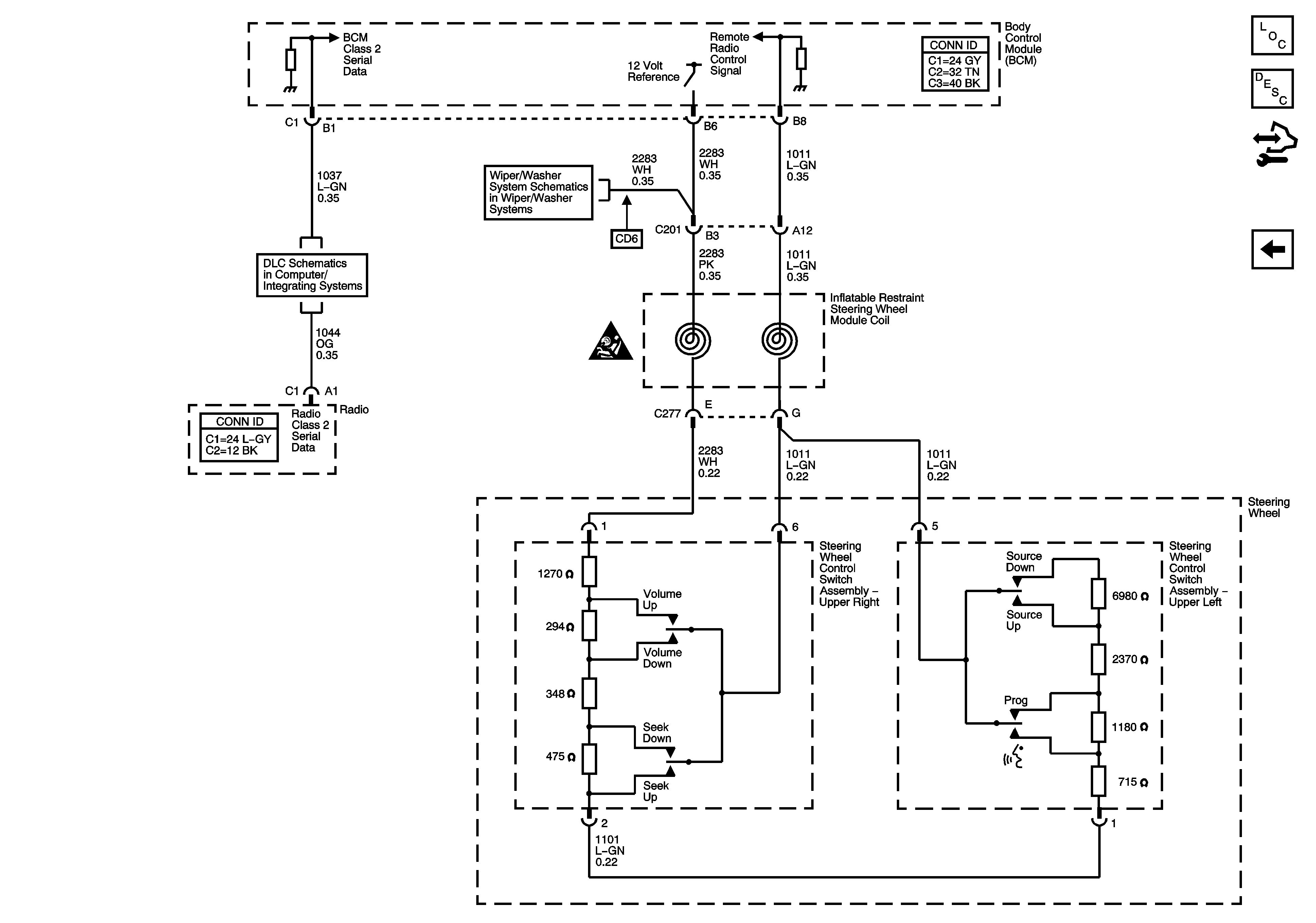
Figure 7:

Steering Wheel Controls


Object Number: 1430564  Size: FS
Master Electrical Component List
Radio/Audio System Description and Operation
Control Module References
Premium Radio Amplifier Outputs
Rear Wiper/Washer Controls (CD6)
SP205
SIR Caution for Zoning