GM Service Manual Online
For 1990-2009 cars only
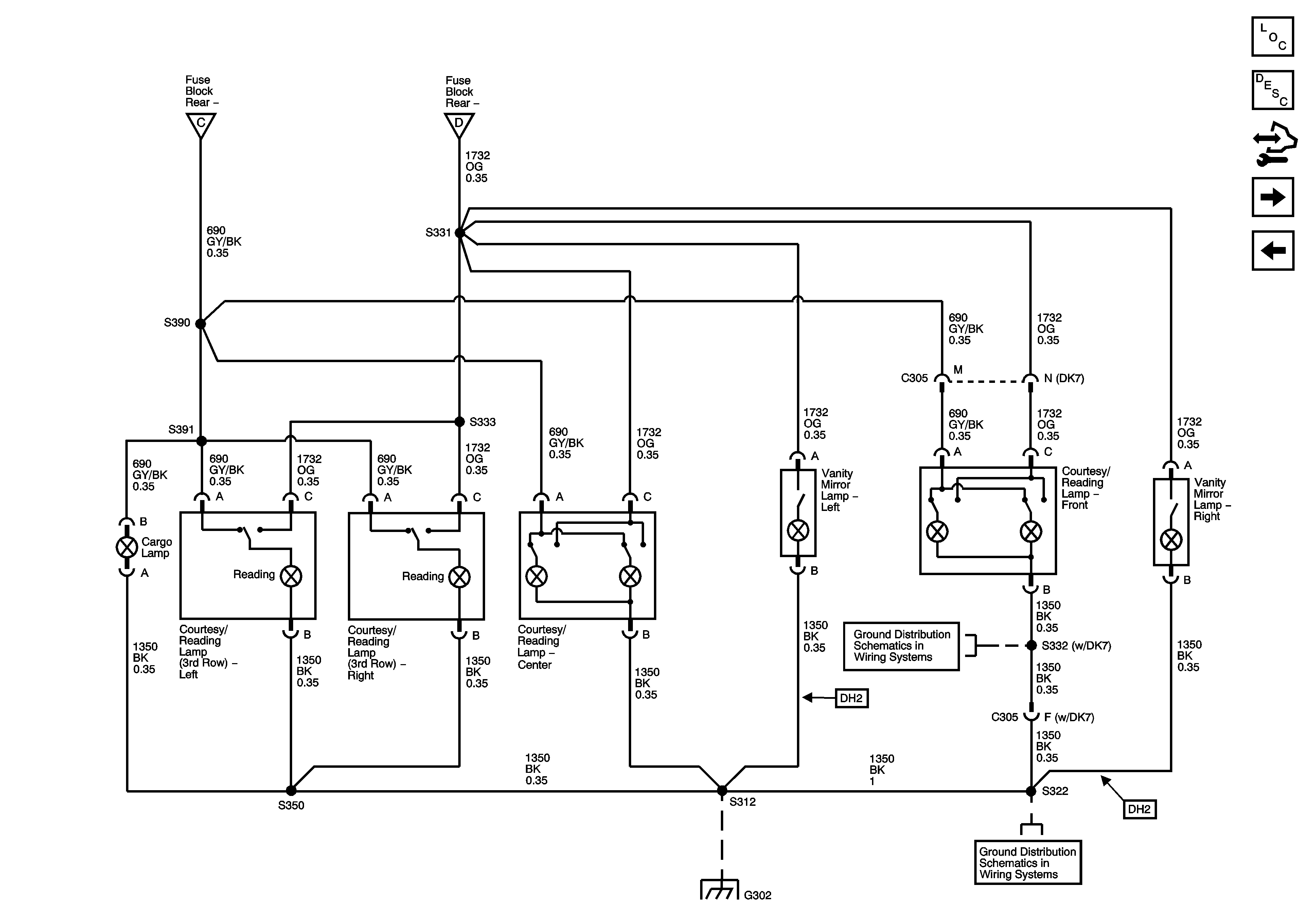
Figure 1:

Interior Lamps Controls


Object Number: 1429863  Size: FS
Master Electrical Component List
Interior Lighting Systems Description and Operation
Control Module References
Interior Lamps - Short Wheel Base (SWB) and XUV
AUX PWR1, AUX PWR2, RRHVAC, SUNROOF, TBC2, TBC3, TBC4, TBC5, and TCM/CANISTER Fuses
Interior Lamps - Short Wheel Base (SWB) and XUV
Interior Lamps - Long Wheel Base (LWB) except XUV
G201 - 1 of 2
G201 - 1 of 2
G401, G402, and G403 - Except XUV
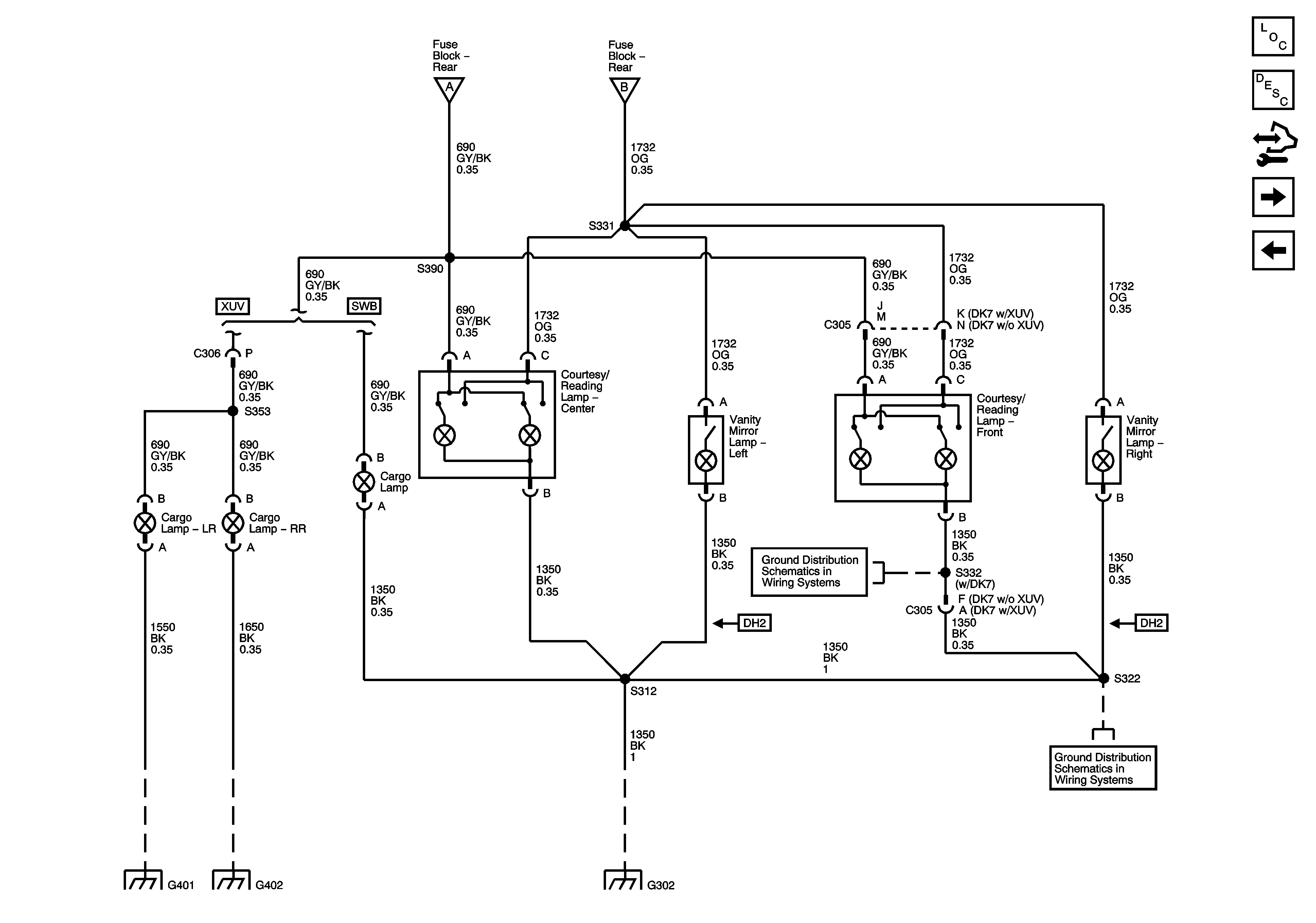
Figure 2:

Interior Lamps - Short Wheel Base (SWB) and XUV


Object Number: 1429864  Size: FS
Master Electrical Component List
Interior Lighting Systems Description and Operation
Control Module References
Interior Lamps - Long Wheel Base (LWB) except XUV
Interior Lamps Controls
Interior Lamps Controls
Interior Lamps Controls
G302 - 2 of 2
G302 - 2 of 2
G401, G402, G403 - XUV
G401, G402, G403 - XUV
G302 - 1 of 2, G303, and G304
Figure 3:

Interior Lamps - Long Wheel Base (LWB) except XUV


Object Number: 1429867  Size: FS
Master Electrical Component List
Interior Lighting Systems Description and Operation
Control Module References
Door Switch Inputs
Interior Lamps - Short Wheel Base (SWB) and XUV
Interior Lamps Controls
Interior Lamps Controls
G302 - 2 of 2
G302 - 1 of 2, G303, and G304
G302 - 2 of 2
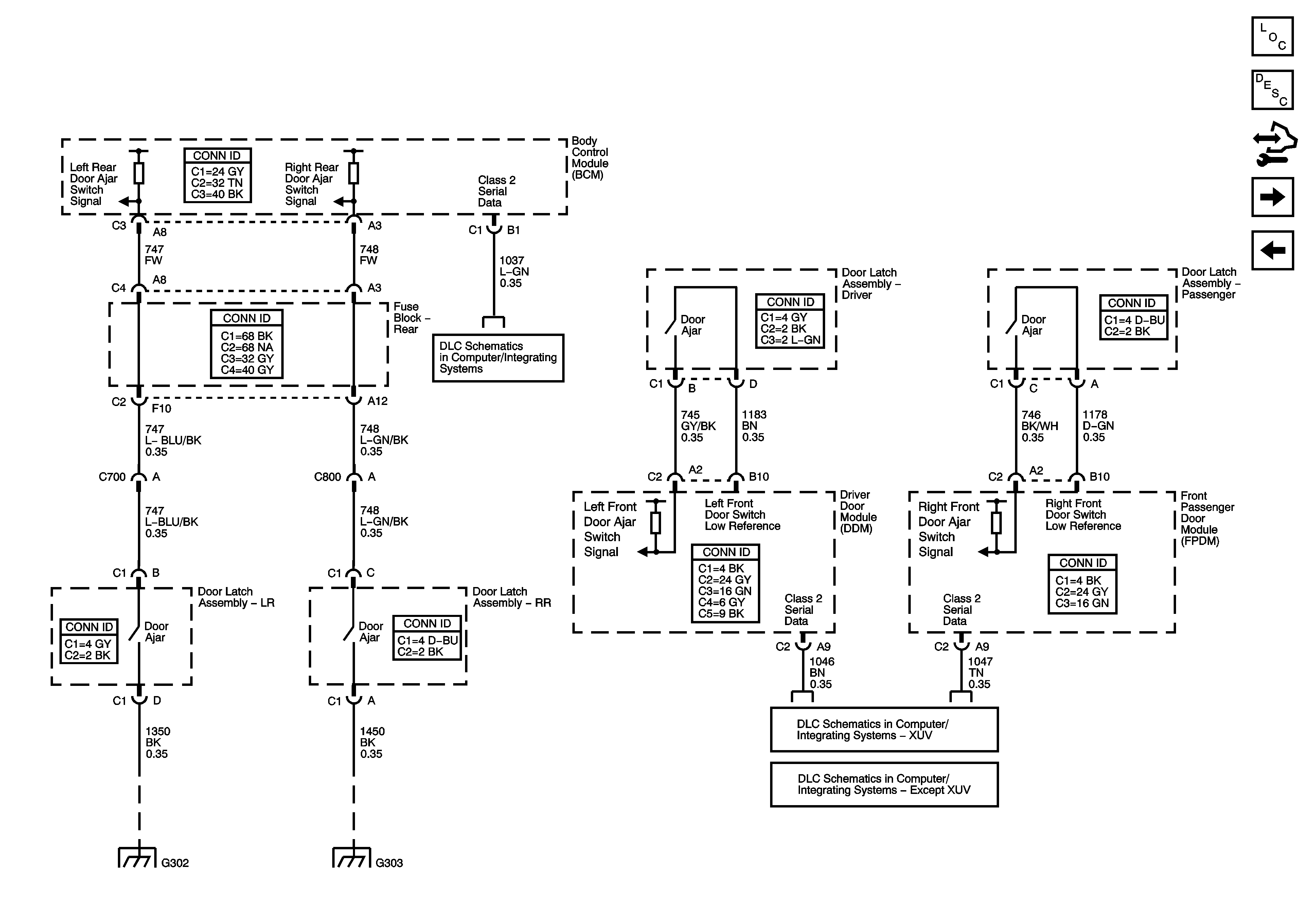
Figure 4:

Door Switch Inputs


Object Number: 1429869  Size: FS
Master Electrical Component List
Interior Lighting Systems Description and Operation
Control Module References
Liftgate Module (except XUV) and Endgate Module (XUV) Switch Inputs
Interior Lamps - Long Wheel Base (LWB) except XUV
SP205
SP306 - XUV
SP306 - except XUV
G302 - 1 of 2, G303, and G304
G302 - 1 of 2, G303, and G304
Figure 5:

Liftgate Module (Except XUV) and Endgate Module (XUV) Switch Inputs


Object Number: 1429871  Size: FS
Master Electrical Component List
Interior Lighting Systems Description and Operation
Control Module References
Door Switch Inputs
Theft Deterrent
SP306 - except XUV
SP306 - XUV