GM Service Manual Online
For 1990-2009 cars only
Figure 1:

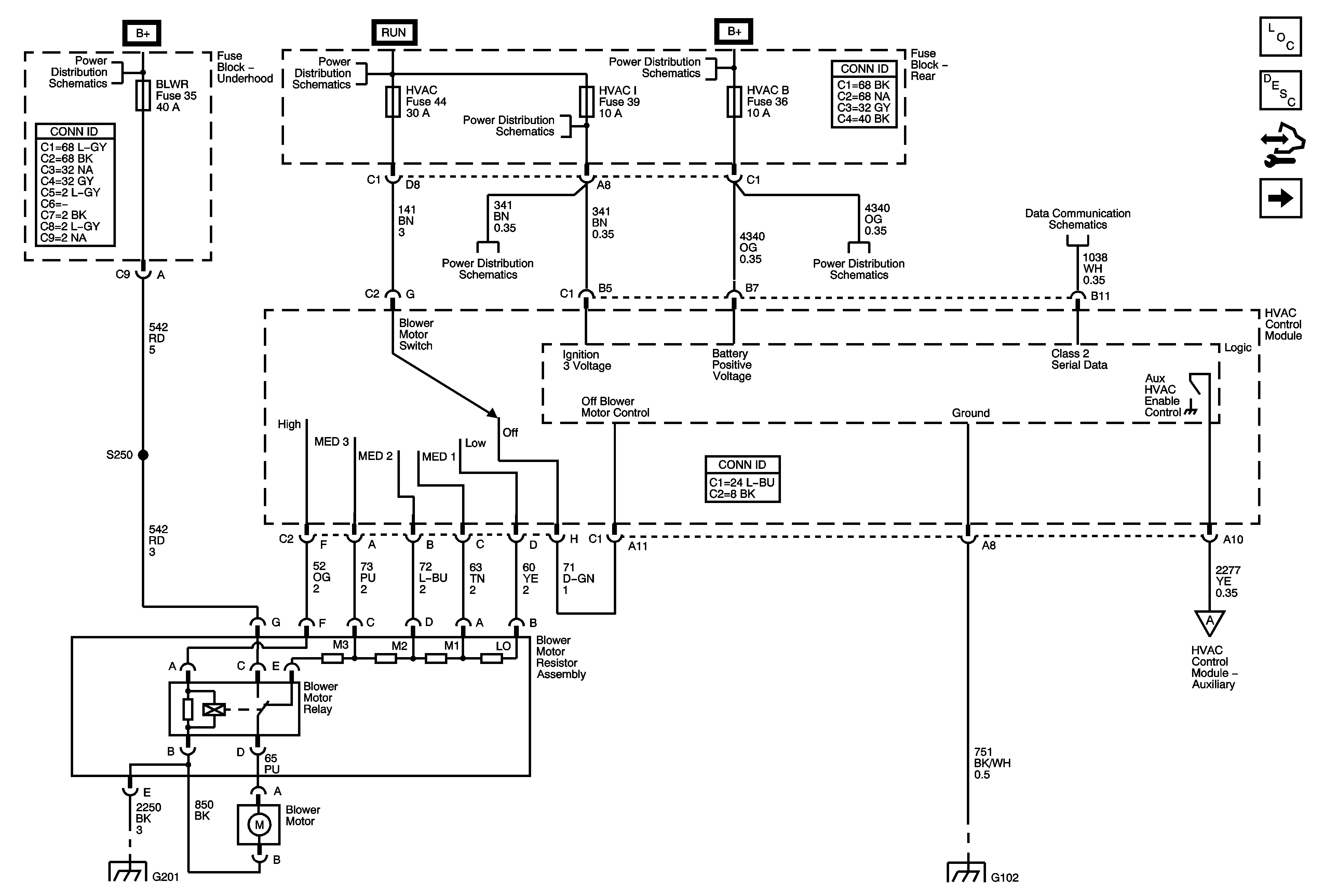
Module Power, Ground, Serial Data, and Blower Motor


Object Number: 1748015  Size: FS
Master Electrical Component List
Air Delivery Description and Operation
Control Module References
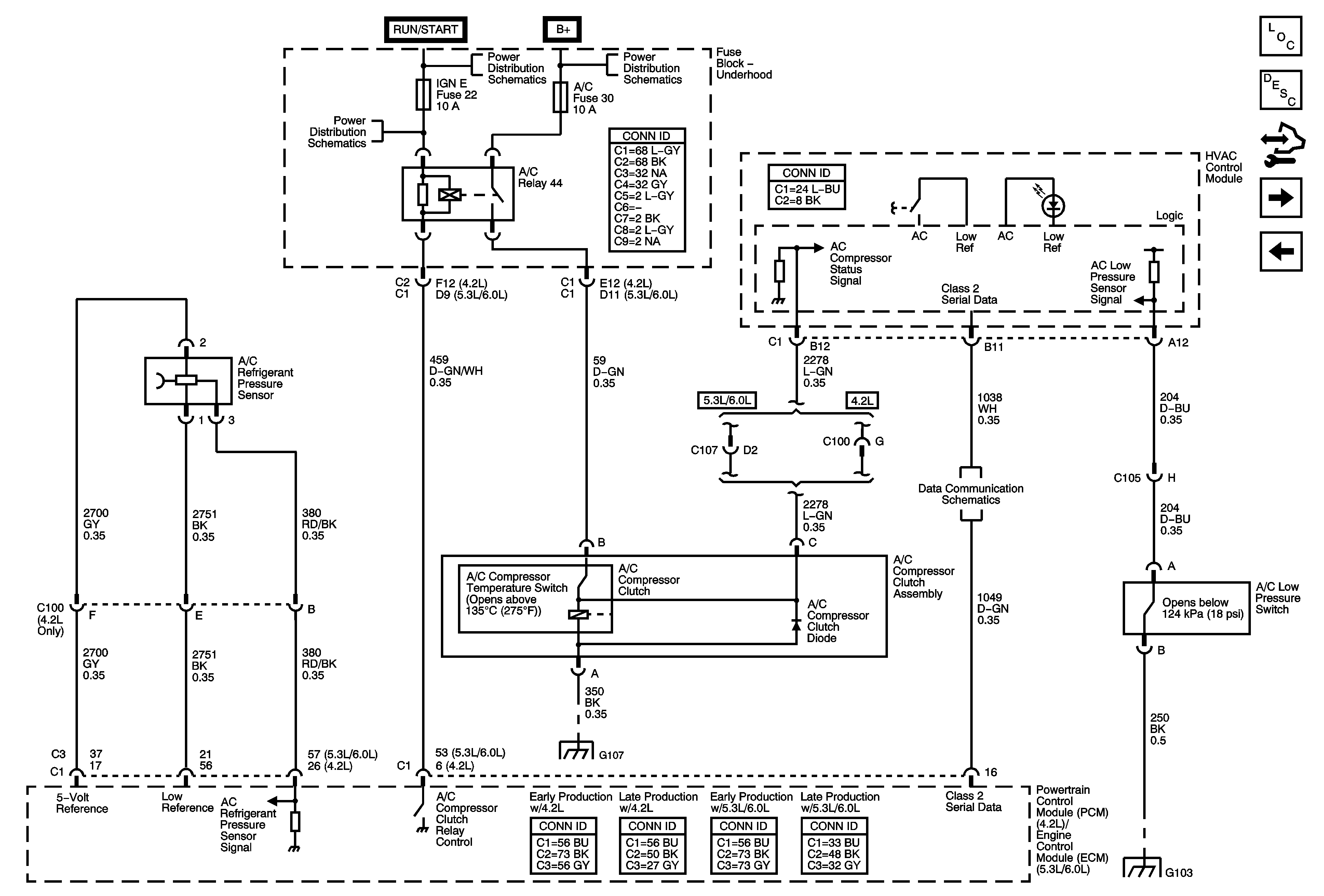
Compressor Controls
B+ Bus - Underhood Fuse Block
Ignition Switch - ACCY/RUN/START, RUN, and START Bus Bars, IGN A and CRNK Fuses
BRAKE, HVAC I, and TBC RUN Fuses
B+ Bus - Rear Fuse Block
BRAKE, HVAC I, and TBC RUN Fuses
HVAC B, LGM/DSM, OH BATT/ONSTAR, and RADIO Fuses
SP205
G201 - 1 of 2
G102
Rear Mode Controls
Figure 2:

Compressor Controls


Object Number: 1748019  Size: FS
Master Electrical Component List
Air Temperature Description and Operation
Control Module References
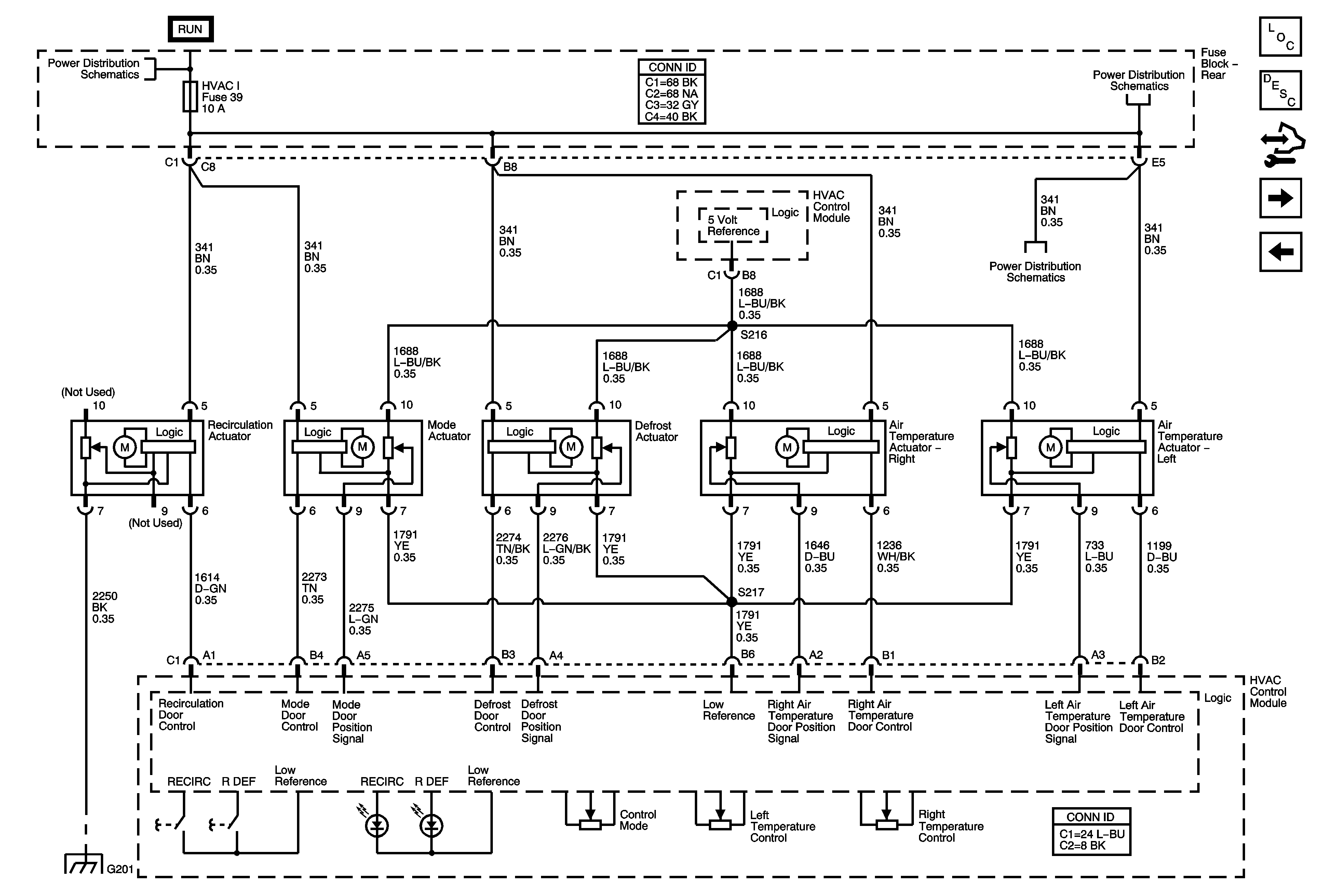
Air Delivery/Temperature Actuators
Module Power, Ground, Serial Data, and Blower Motor
BCK/UP, BTSI, IGN E, TBC IGN 1, and TRLR BCK/UP Fuses
Ignition Switch - ACCY/RUN, RUN/START Bus Bars and IGN B Fuse
B+ Bus - Underhood Fuse Block
SP205
G104, G105, and G107
G101, G103, G106, and G110
Figure 3:

Air Delivery/Temperature Actuators


Object Number: 1748021  Size: FS
Master Electrical Component List
Air Delivery Description and Operation
Control Module References
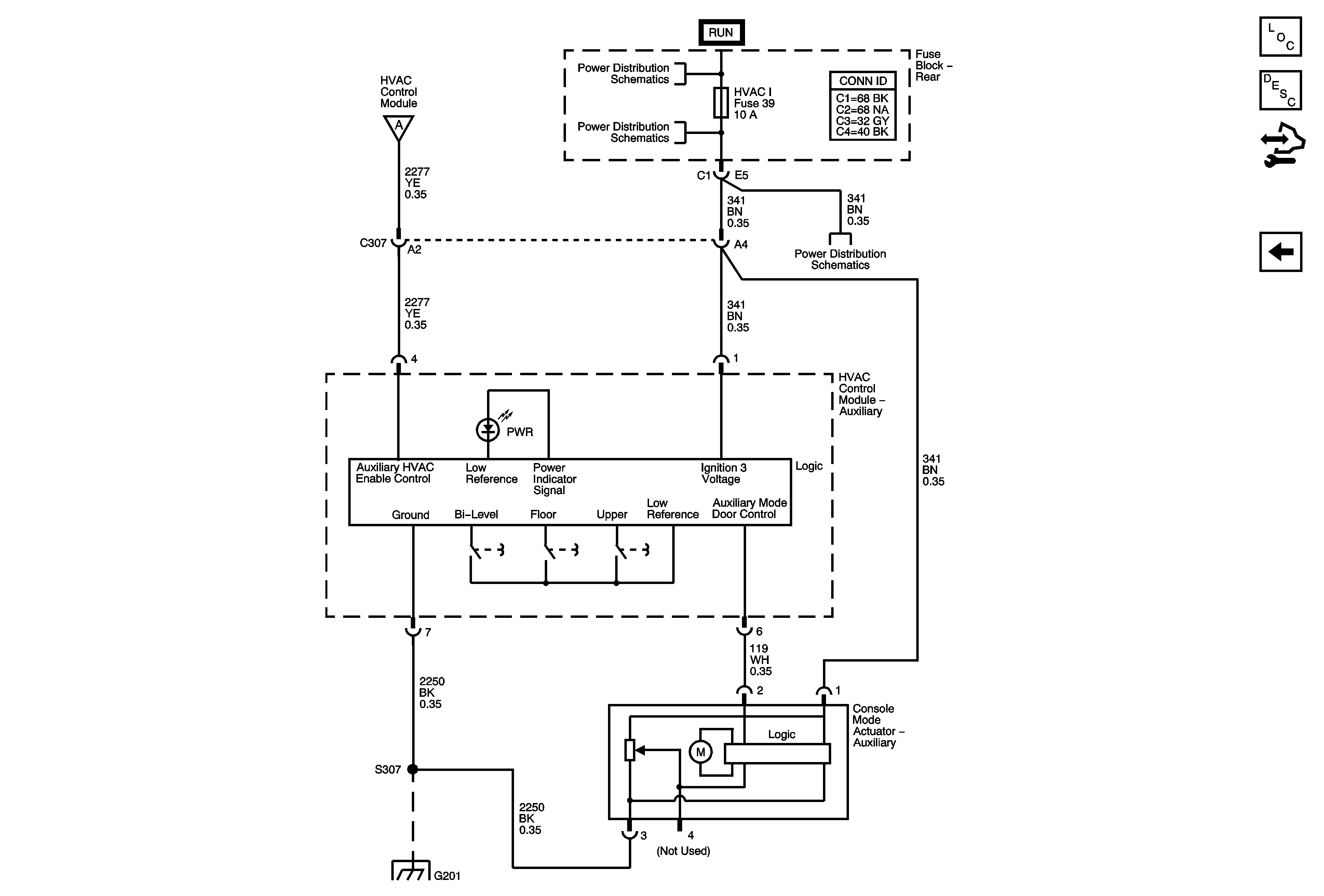
Rear Mode Controls
Compressor Controls
Ignition Switch - ACCY/RUN/START, RUN, and START Bus Bars, IGN A and CRNK Fuses
BRAKE, HVAC I, and TBC RUN Fuses
BRAKE, HVAC I, and TBC RUN Fuses
G201 - 1 of 2
Figure 4:

Rear Mode Controls


Object Number: 1748024  Size: FS
Master Electrical Component List
Air Delivery Description and Operation
Control Module References
Air Delivery/Temperature Actuators
Module Power, Ground, Serial Data, and Blower Motor
Ignition Switch - ACCY/RUN/START, RUN, and START Bus Bars, IGN A and CRNK Fuses
BRAKE, HVAC I, and TBC RUN Fuses
BRAKE, HVAC I, and TBC RUN Fuses
G201 - 1 of 2