GM Service Manual Online
For 1990-2009 cars only
Makes
🢒
Isuzu
🢒
2007
🢒
Ascender - 2WD
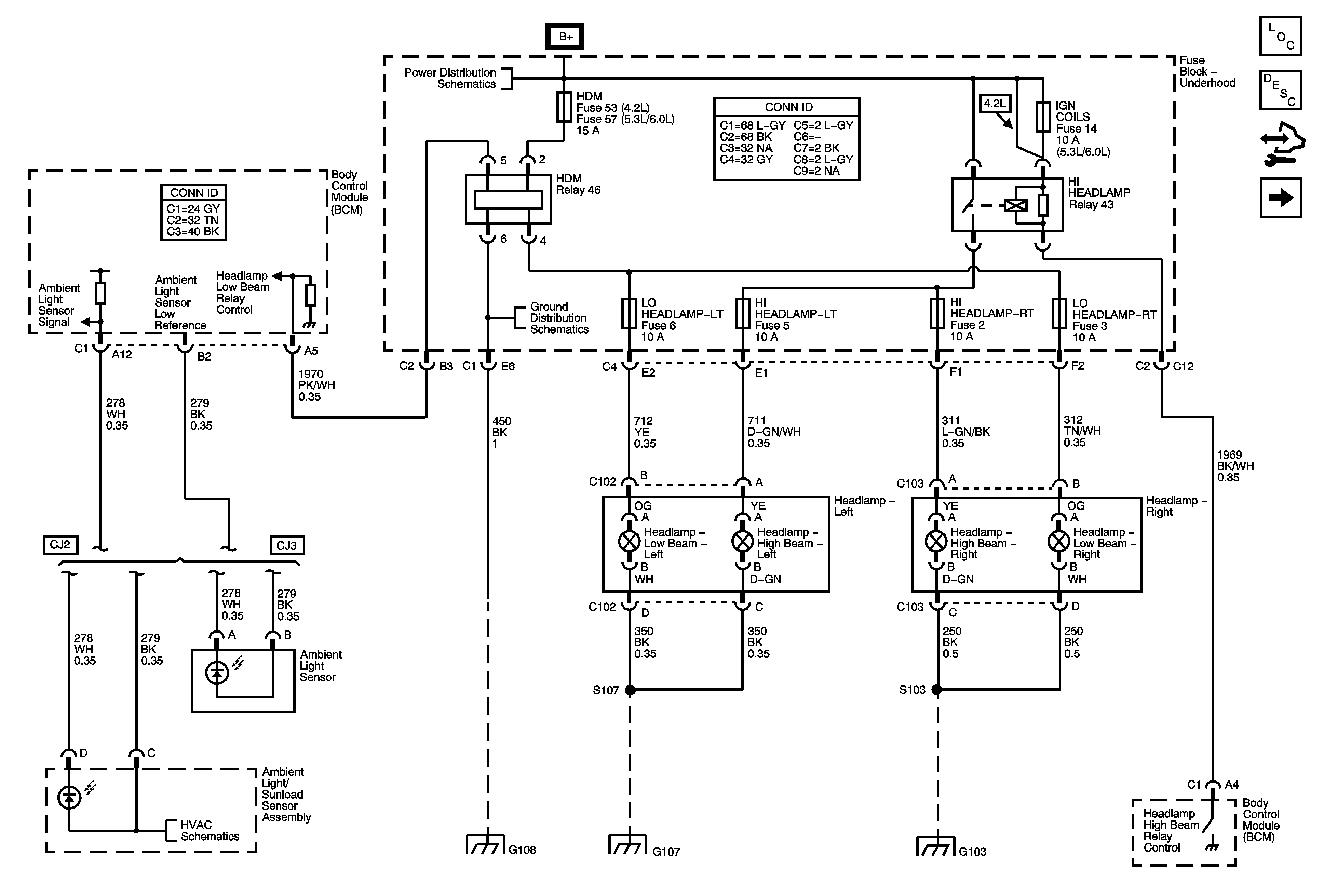
🢒 Headlamps
Headlamps
Headlamps
Master Electrical Component List
Exterior Lighting Systems Description and Operation
Control Module References
Headlamp Switch
B+ Bus - Underhood Fuse Block
G108
Ambient Light/Sunload Sensors
G108
G104, G105, and G107
G101, G103, G106, and G110