GM Service Manual Online
For 1990-2009 cars only
Makes
🢒
Isuzu
🢒
2007
🢒
Ascender - 2WD
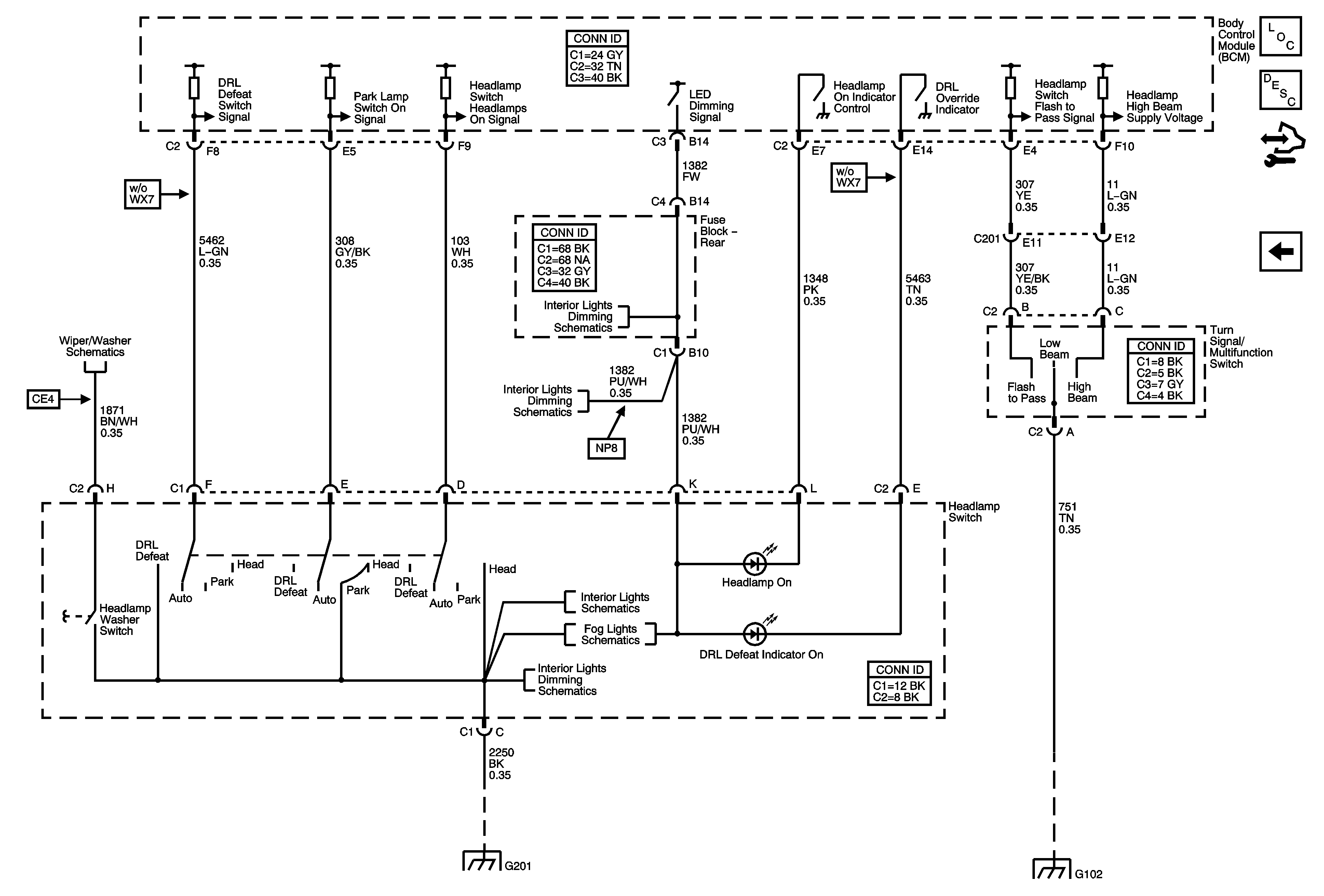
🢒 Headlamp Switch
Headlamp Switch
Headlamp Switch
Master Electrical Component List
Exterior Lighting Systems Description and Operation
Control Module References
Headlamps
Headlamp Washer - CE4
Courtesy Lamp Supply
Courtesy Lamp Supply
Interior Lamp Controls
Fog Lights Schematics
I/P Dimming Supply - 2 of 2
G201 - 1 of 2
G102