GM Service Manual Online
For 1990-2009 cars only
Makes
🢒
Isuzu
🢒
2007
🢒
Ascender - 2WD
🢒 Courtesy Lamp Supply
Courtesy Lamp Supply
Courtesy Lamp Supply
Master Electrical Component List
Interior Lighting Systems Description and Operation
Control Module References
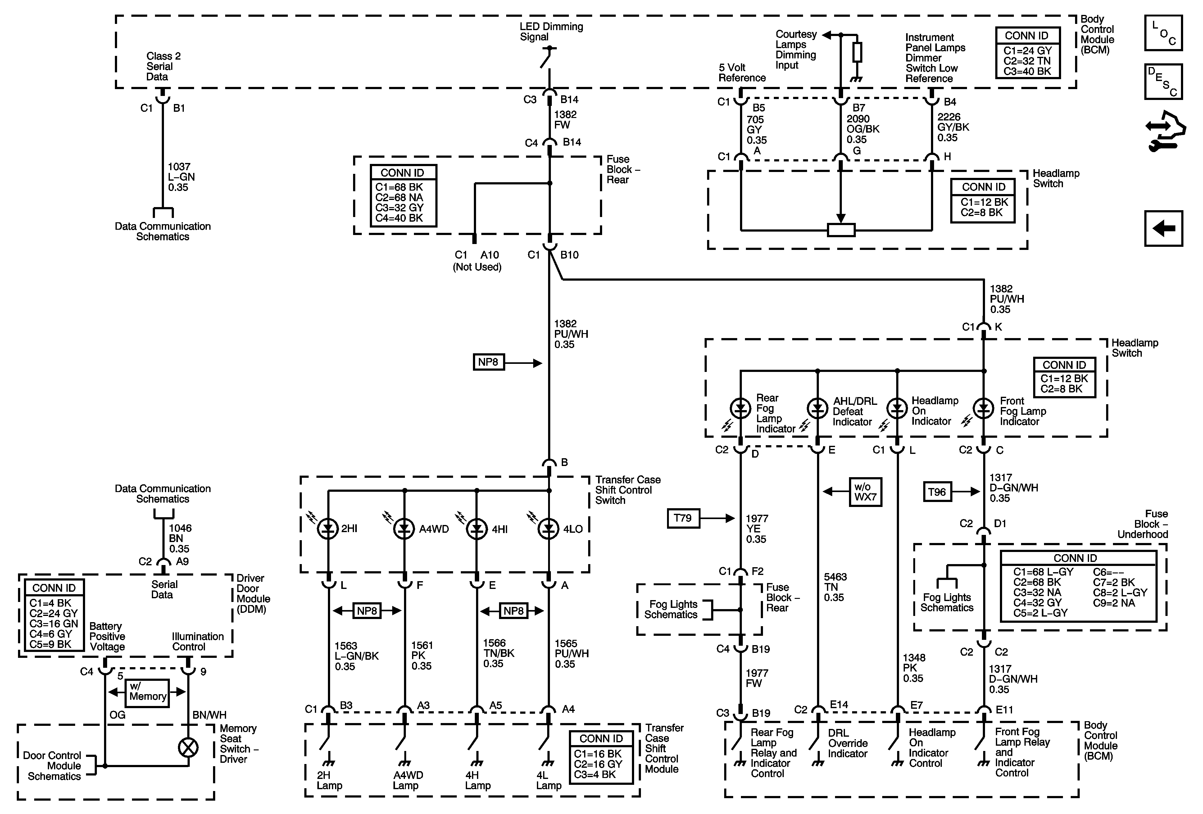
I/P Dimming Supply - 2 of 2
SP205
SP306
Power, Ground, and Subsystem References
Fog Lights Schematics
Fog Lights Schematics