GM Service Manual Online
For 1990-2009 cars only
Makes
🢒
Isuzu
🢒
2007
🢒
Ascender - 2WD
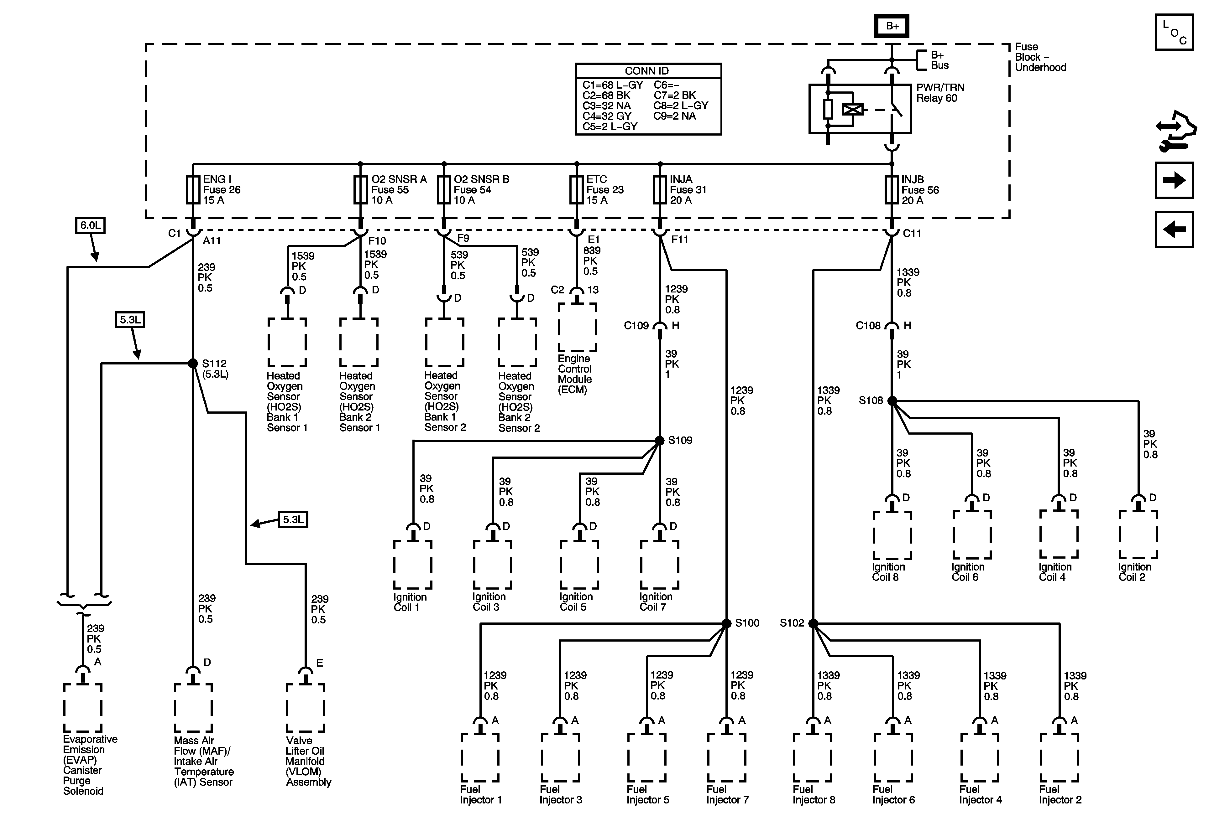
🢒 ENG 1, ETC, INJA, INJB, O2 SNSR A, O2 SNSR B Fuses - 5.3L/6.0L
ENG 1, ETC, INJA, INJB, O2 SNSR A, O2 SNSR B Fuses - 5.3L/6.0L
ENG I, ETC, INJA, INJB, O2 SNSR A, O2 SNSR B Fuses - 5.3L/6.0L
Master Electrical Component List
Control Module References
LT TURN, RT TURN, TRLR LT TRN, and TRLR RT TRN Fuses
ETC and O2 SNSR Fuses - 4.2L
B+ Bus - Underhood Fuse Block