GM Service Manual Online
For 1990-2009 cars only
Makes
🢒
Isuzu
🢒
2003
🢒
Ascender - 4WD
🢒 B/U, SIR, TBC IGN 1, ETC CRANK Fuses
B/U, SIR, TBC IGN 1, ETC CRANK Fuses
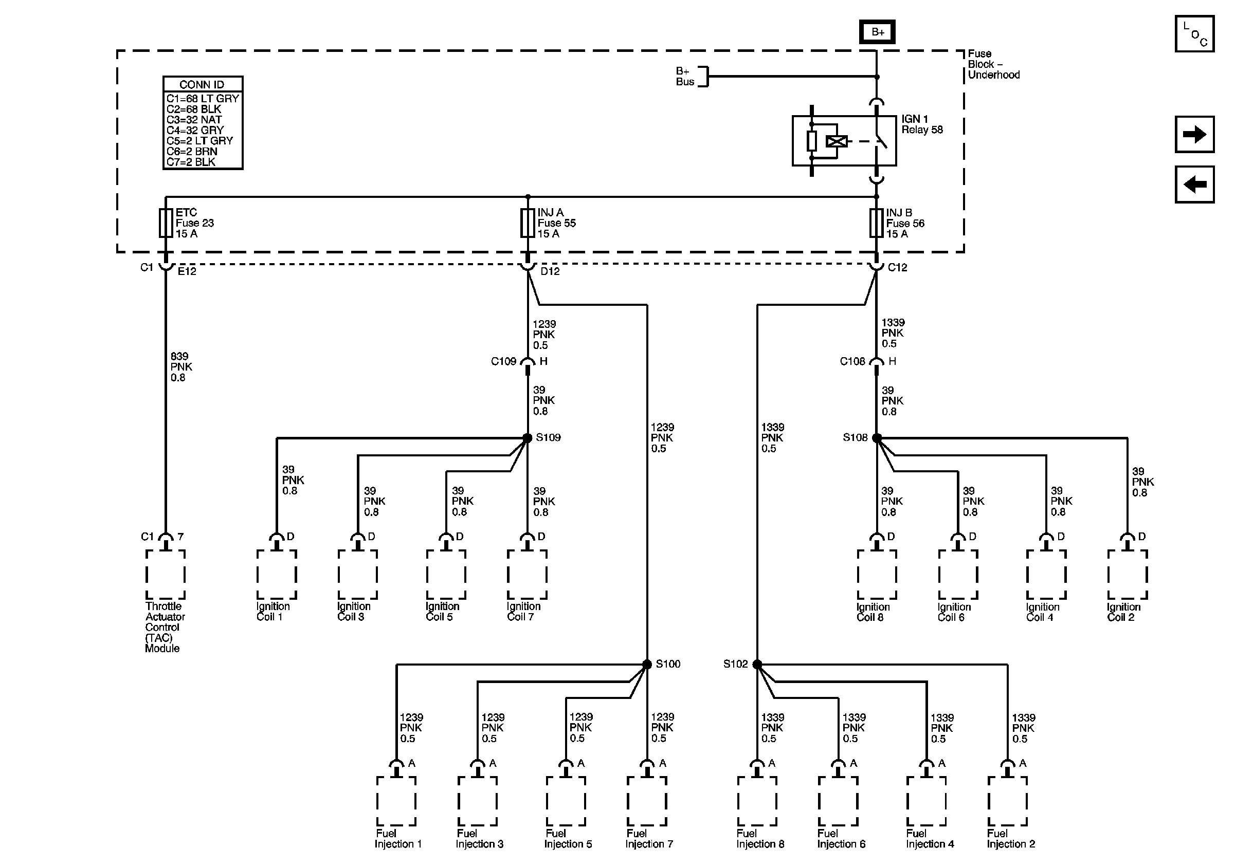
ETC, INJ A and INJ B Fuses, 5.3L
Master Electrical Component List
IGN 0, TBC IG, TBC ACC, FRT WIPER ,RAIN SEN, HVAC, 4WD Fuses
FLASHER, VEHICLE CHMSL, VEHICLE STOP TRLl L TURN, TRL R TURN, LEFT TURN, RIGHT TURN Fuses
I/P BATT, TRAILER ABS, HORN IGN A, IGN B, ATC Fuses