GM Service Manual Online
For 1990-2009 cars only
Makes
🢒
Isuzu
🢒
2003
🢒
Ascender - 4WD
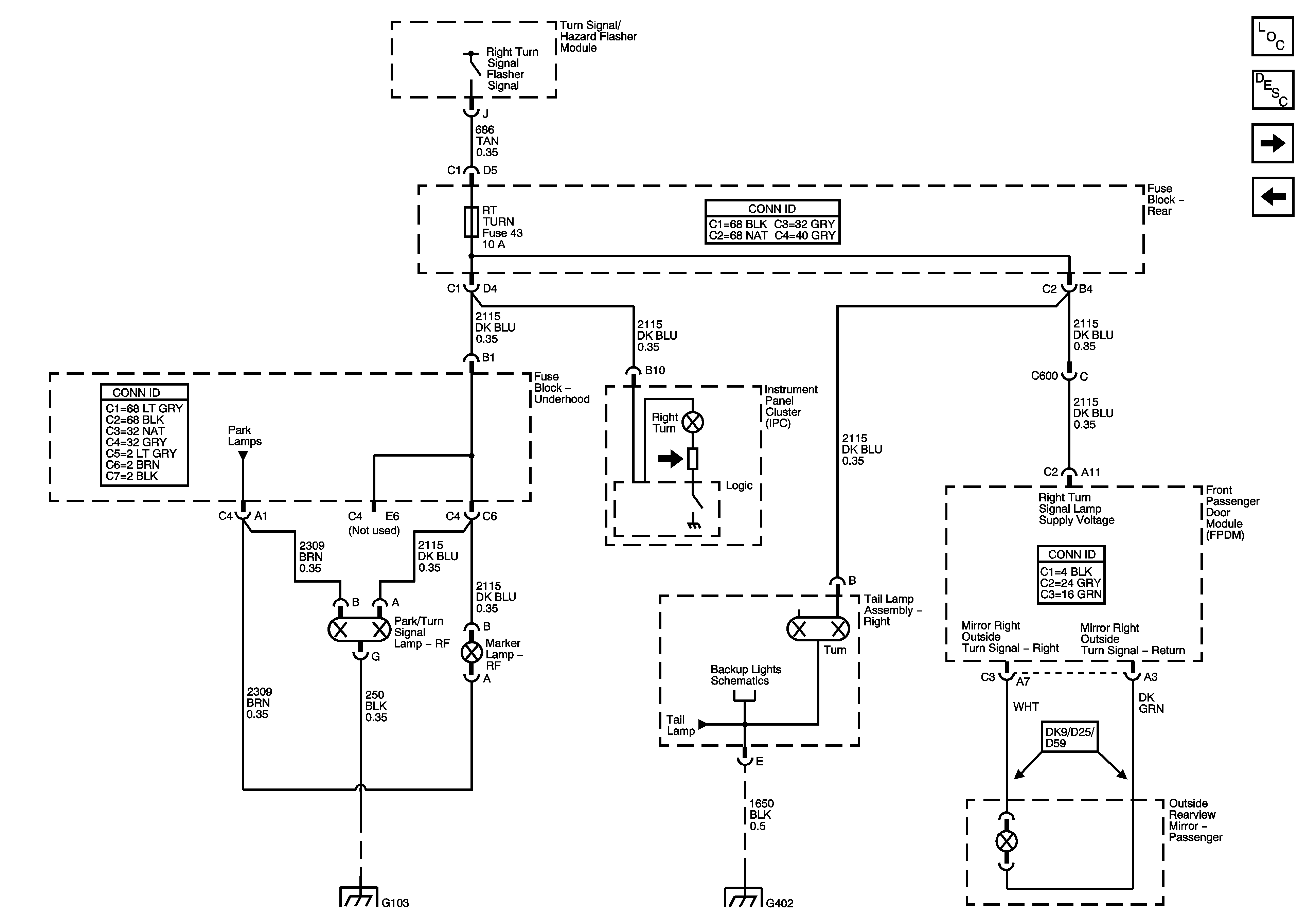
🢒 Right Turn Signals
Right Turn Signals
Right Turn Signals
Master Electrical Component List
Exterior Lighting Systems Description and Operation
Front Lamps
Park Lamp Controls, Turn Signal Inputs, and Hazard Switch
G401, G402, and G403
License and Tail Lamps
Backup Lamps
G101, G103, G106, and G110
Front Lamps