GM Service Manual Online
For 1990-2009 cars only
Makes
🢒
Isuzu
🢒
2003
🢒
Ascender - 4WD
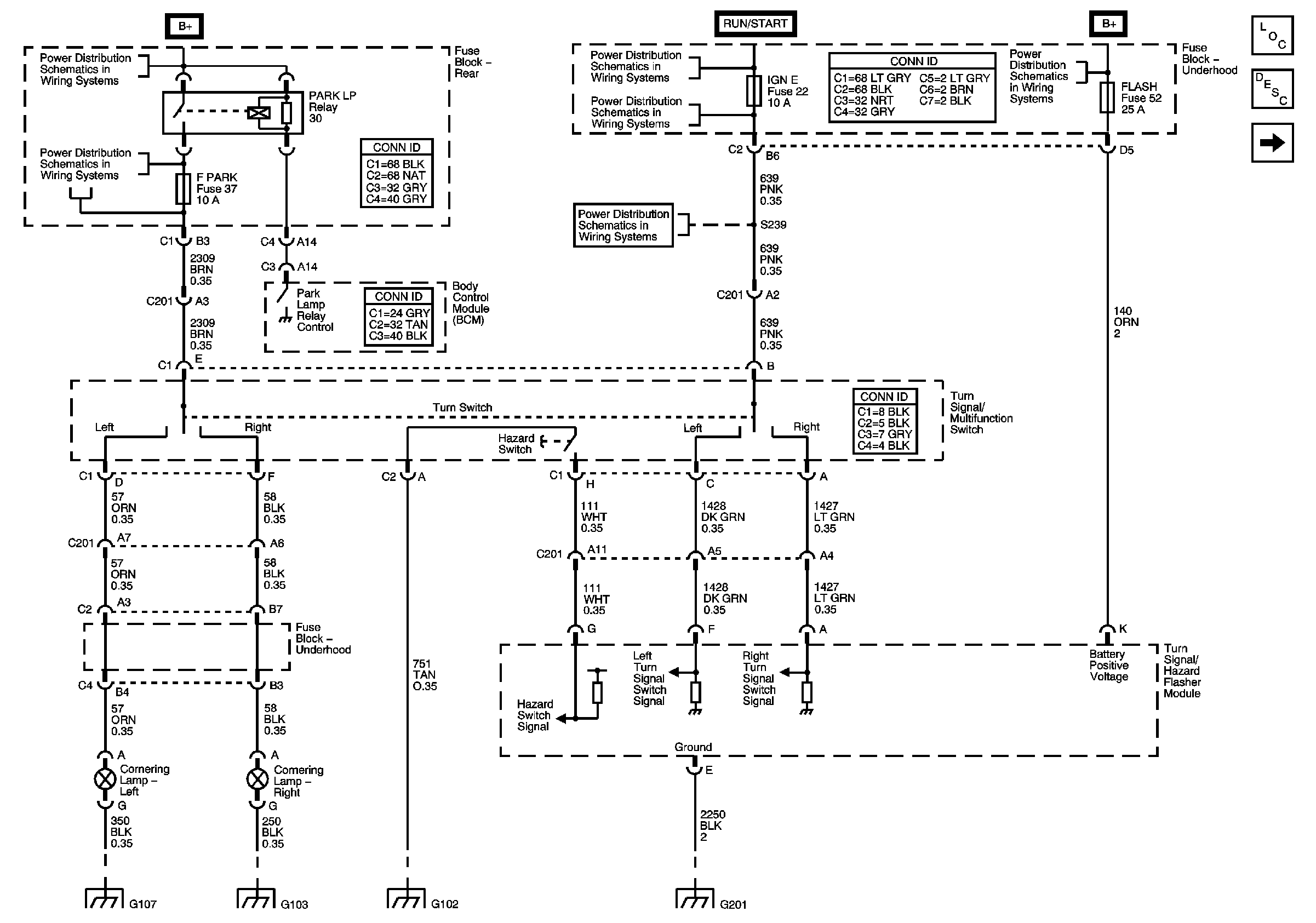
🢒 Park Lamp Controls, Turn Signal Inputs, and Hazard Switch
Park Lamp Controls, Turn Signal Inputs, and Hazard Switch
Park Lamp Control, Turn Signal Inputs, and Hazard Switch
Master Electrical Component List
Exterior Lighting Systems Description and Operation
Left Turn Signals
G201, 1 of 2
G102, G104, G105, and G107
G101, G103, G106, and G110
G102, G104, G105, and G107
LGM/DSM, OH BATT/ONSTAR/PHONE, RADIO, HVAC B Fuses
TRLR-E BRK,STOP, BLOWER, CIGAR, W/S WASH, A/C, FOG LAMP, PCM B Buses) Fuses
AUX PWR 2, RRHVAC, AUX PWR 1, TBC 2, TBC 3, TBC 4 Fuses
O2 and ENG 1 Fuses