GM Service Manual Online
For 1990-2009 cars only
Makes
🢒
Isuzu
🢒
2003
🢒
Ascender - 4WD
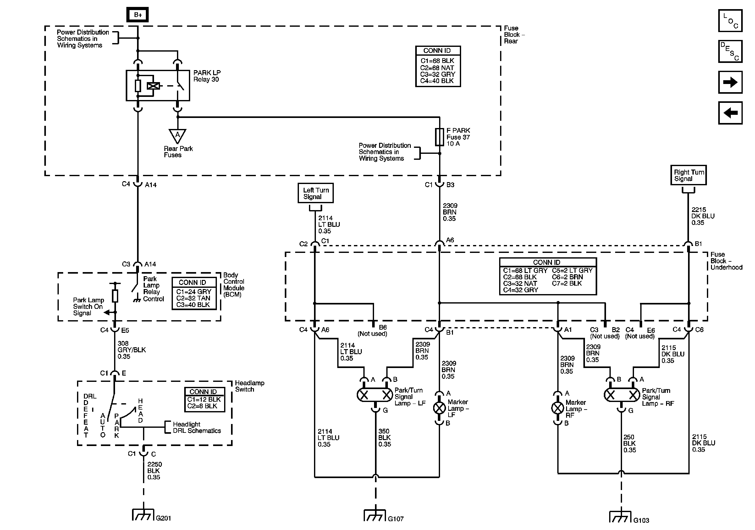
🢒 Front Lamps
Front Lamps
Front Lamps
Master Electrical Component List
Exterior Lighting Systems Description and Operation
License and Tail Lamps
Right Turn Signals
G101, G103, G106, and G110
G102, G104, G105, and G107
G201, 1 of 2
Headlamp Switch
Left Turn Signals
LGM/DSM, OH BATT/ONSTAR/PHONE, RADIO, HVAC B Fuses
TRLR-E BRK,STOP, BLOWER, CIGAR, W/S WASH, A/C, FOG LAMP, PCM B Buses) Fuses