GM Service Manual Online
For 1990-2009 cars only
Makes
🢒
Isuzu
🢒
2003
🢒
Ascender - 4WD
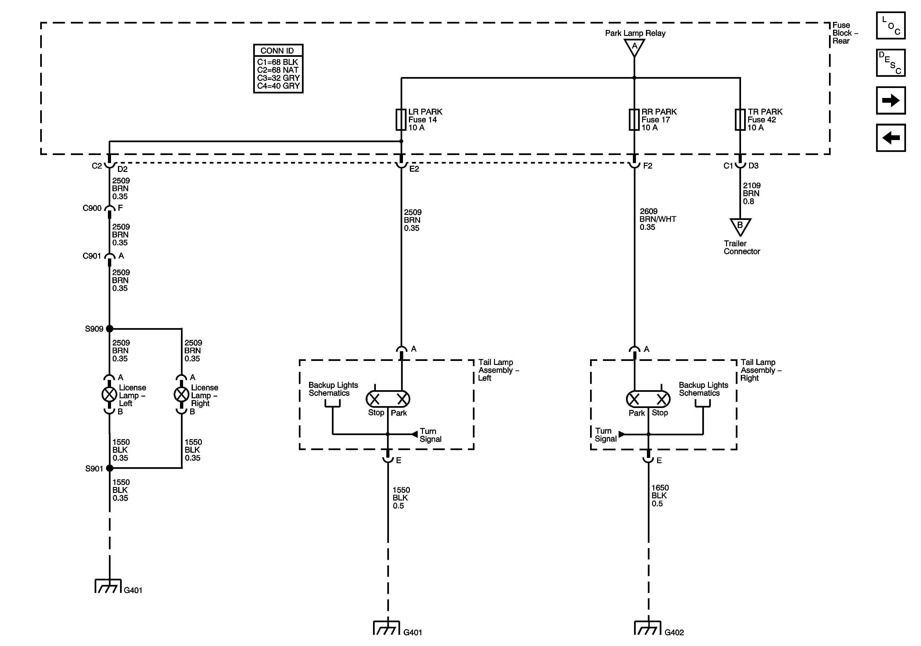
🢒 License and Tail Lamps
License and Tail Lamps
License and Tail Lamps
Master Electrical Component List
Exterior Lighting Systems Description and Operation
Stop Lamps
Front Lamps
Trailer Wiring)
G401, G402, and G403
Left Turn Signals
Right Turn Signals
Front Lamps