GM Service Manual Online
For 1990-2009 cars only

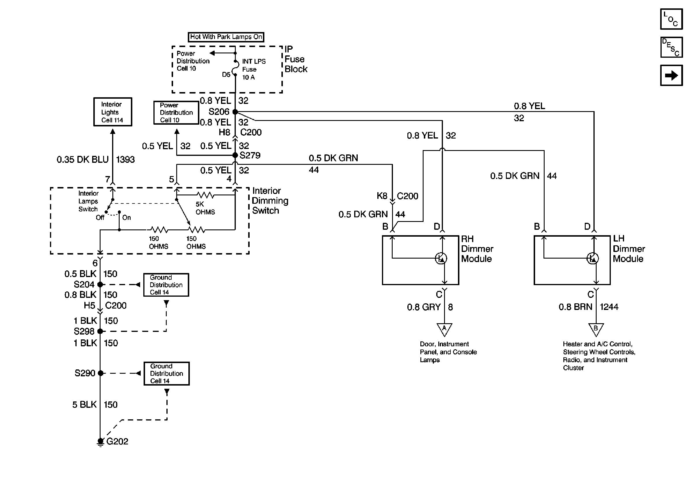
Interior Lights Dimming Schematics Buick

Figure 1:

Cell 117: Dimming Control


Object Number: 342101  Size: FS
Lighting Systems Components
Interior Lights Dimming Circuit Description
Cell 117: Door, Instrument Cluster, and Steering Wheel Controls Lamps
Power Distribution Schematics
Power Distribution Schematics
Ground Distribution Schematics
Cell 114: PWR, GND, and Inputs
Cell 117: Door, Instrument Cluster, and Steering Wheel Controls Lamps
Figure 2:

Cell 117: Door, Instrument Cluster, and Steering Wheel Controls Lamps


Object Number: 342102  Size: FS
Lighting Systems Components
Interior Lights Dimming Circuit Description
Cell 117: Instrument Panel and Console Lamps
Cell 117: Dimming Control
Ground Distribution Schematics
Ground Distribution Schematics
Ground Distribution Schematics
Cell 117: Dimming Control
Cell 117: Instrument Panel and Console Lamps
Handling ESD Sensitive Parts Notice
SIR Handling Caution
SIR Handling Caution
Instrument Panel, Gages, and Console Connector End Views
Figure 3:

Cell 117: Instrument Panel and Console Lamps


Object Number: 342106  Size: FS
Lighting Systems Components
Interior Lights Dimming Circuit Description
Cell 117: VF Displays
Cell 117: Door, Instrument Cluster, and Steering Wheel Controls Lamps
Ground Distribution Schematics
Ground Distribution Schematics
Ground Distribution Schematics
Cell 117: Door, Instrument Cluster, and Steering Wheel Controls Lamps
Handling ESD Sensitive Parts Notice
Handling ESD Sensitive Parts Notice
Figure 4:

Cell 117: VF Displays


Object Number: 342109  Size: FS
Lighting Systems Components
Interior Lights Dimming Circuit Description
Cell 117: Instrument Panel and Console Lamps
Handling ESD Sensitive Parts Notice
Handling ESD Sensitive Parts Notice
Handling ESD Sensitive Parts Notice
Handling ESD Sensitive Parts Notice
Lighting Systems Connector End Views
HVAC Connector End Views
Instrument Panel, Gages, and Console Connector End Views

Interior Lights Dimming Schematics Oldsmobile

Figure 1:

Cell 117: Dimming Control


Object Number: 342086  Size: FS
Lighting Systems Components
Interior Lights Dimming Circuit Description
Cell 117: Heater and A/C Control, Steering Wheel Controls, Radio, and Instrument Cluster
Power Distribution Schematics
Power Distribution Schematics
Ground Distribution Schematics
Ground Distribution Schematics
Cell 114: PWR, GND, and Inputs
Cell 117: Door Lamps
Cell 117: Heater and A/C Control, Steering Wheel Controls, Radio, and Instrument Cluster
Figure 2:

Cell 117: Heater and A/C Control, Steering Wheel Controls, Radio, and Instrument Cluster


Object Number: 342090  Size: FS
Lighting Systems Components
Interior Lights Dimming Circuit Description
Cell 117: Door Lamps
Cell 117: Dimming Control
Ground Distribution Schematics
Ground Distribution Schematics
Ground Distribution Schematics
Cell 117: Dimming Control
Handling ESD Sensitive Parts Notice
Handling ESD Sensitive Parts Notice
Handling ESD Sensitive Parts Notice
Handling ESD Sensitive Parts Notice
SIR Handling Caution
SIR Handling Caution
Lighting Systems Connector End Views
Figure 3:

Cell 117: Door Lamps


Object Number: 342095  Size: FS
Lighting Systems Components
Interior Lights Dimming Circuit Description
Cell 117: Instrument Panel and Console Lamps
Cell 117: Heater and A/C Control, Steering Wheel Controls, Radio, and Instrument Cluster
Ground Distribution Schematics
Ground Distribution Schematics
Ground Distribution Schematics
Ground Distribution Schematics
Cell 117: Dimming Control
Cell 117: Instrument Panel and Console Lamps
Figure 4:

Cell 117: Instrument Panel and Console Lamps


Object Number: 342098  Size: FS
Lighting Systems Components
Interior Lights Dimming Circuit Description
Cell 117: Door Lamps
Ground Distribution Schematics
Ground Distribution Schematics
Cell 117: Door Lamps