GM Service Manual Online
For 1990-2009 cars only
Makes
🢒
Oldsmobile
🢒
1999
🢒
Eighty Eight
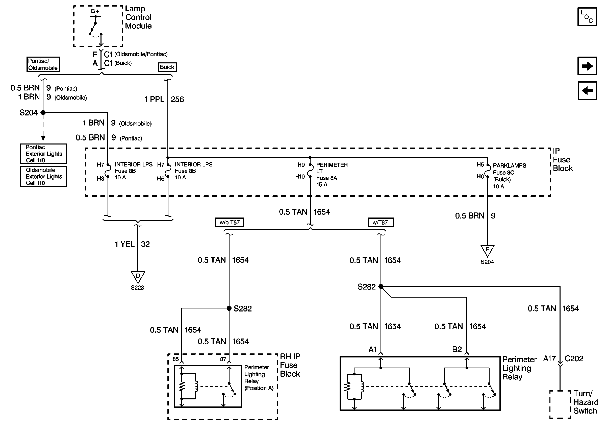
🢒 Cell 10: INTERIOR LPS, PERIMETER LT, and PARKLAMPS Fuses
Cell 10: INTERIOR LPS, PERIMETER LT, and PARKLAMPS Fuses
Cell 10: INTERIOR LPS, PERIMETER LT, and PARKLAMPS Fuses
Power and Grounding Components
Cell 10: INTERIOR LPS Fuse Continuation
Cell 10: RADIO and WPR/WSHR Fuses
Cell 10: INTERIOR LPS Fuse Continuation
Cell 10: PARKLAMPS Fuse Continuation (Buick)
Cell 110 Headlamp Switch, LCM, RFA
Cell 110: Headlamp Switch, RFA, and Park Lamp Control