GM Service Manual Online
For 1990-2009 cars only
Figure 1:

PWR, Fog Lamp Switch, Fog Lamp Relay and Horn Relay


Object Number: 593364  Size: FS
Battery, MaxiFuses, Fusible Links and Crank Relay
Fuse Block: Heated Mirrors, Crank Signal/BCM/Cluster and IGN 0/Cluster/PCM/BCMFuses
Fuse Block: Heated Mirrors, Crank Signal/BCM/Cluster and IGN 0/Cluster/PCM/BCMFuses
Handling ESD Sensitive Parts Notice
Ignition 1 MaxiFuse and Ignition Switch
Horns Schematic
Turn Signal/Corn Lps, Air Bag, Cluster
Engine MaxiFuses, Underhood Fuses and Ignition Main Relay
Fog Lamp Switch and Fog Lamps
Grounds G100, G101, G110
Body Control Module Components
Body Control System Circuit Description
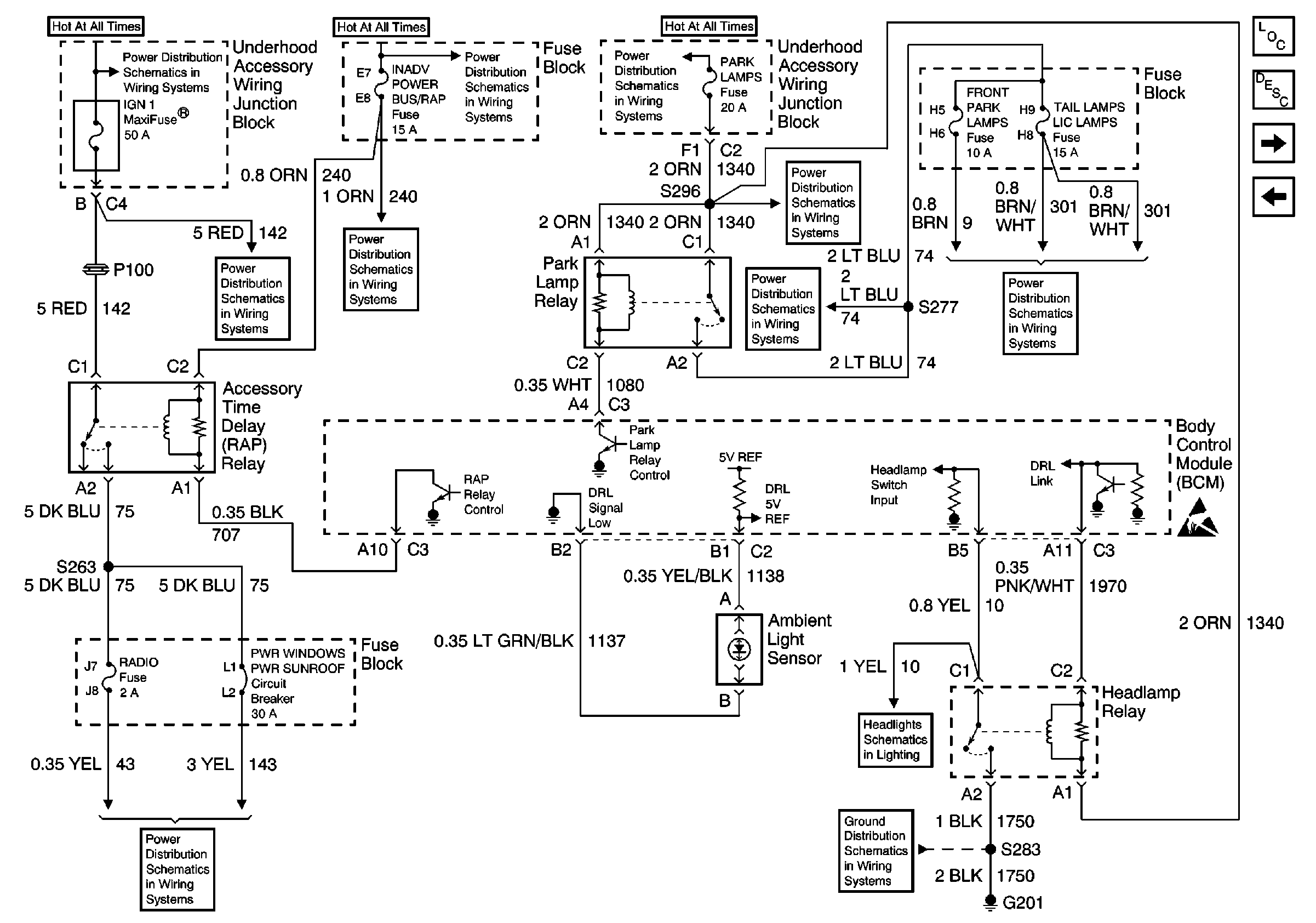
RAP Relay, Park Lamp Relay, Headlamp Relay and Ambient Light Sensor
Figure 2:

RAP Relay, Park Lamp Relay, Headlamp Relay and Ambient Light Sensor


Object Number: 593370  Size: FS
Ignition 1 MaxiFuse and Ignition Switch
Ignition 1 MaxiFuse and Ignition Switch
INADV POWER BUS/RAP and BCM Fuses
INADV POWER BUS/RAP and BCM Fuses
Battery, MaxiFuses, Fusible Links and Crank Relay
Parklamp and Headlamp Fuses
Parklamp and Headlamp Fuses
Park Lamp Relay
Park Lamp Relay
BCM and Headlamp Relay
Ground G201
Handling ESD Sensitive Parts Notice
Body Control Module Components
Body Control System Circuit Description
PASSLOCK Sensor, SP205 and ETC Switch
PWR, Fog Lamp Switch, Fog Lamp Relay and Horn Relay
Figure 3:

PASSLOCK Sensor, SP205 and ETC Switch


Object Number: 593373  Size: FS
DLC Schematic
Handling ESD Sensitive Parts Notice
Handling ESD Sensitive Parts Notice
Handling ESD Sensitive Parts Notice
Low Engine Coolant Level Switch Input and MIL Input
Handling ESD Sensitive Parts Notice
Handling ESD Sensitive Parts Notice
Ground G203
Body Control Module Components
Body Control System Circuit Description
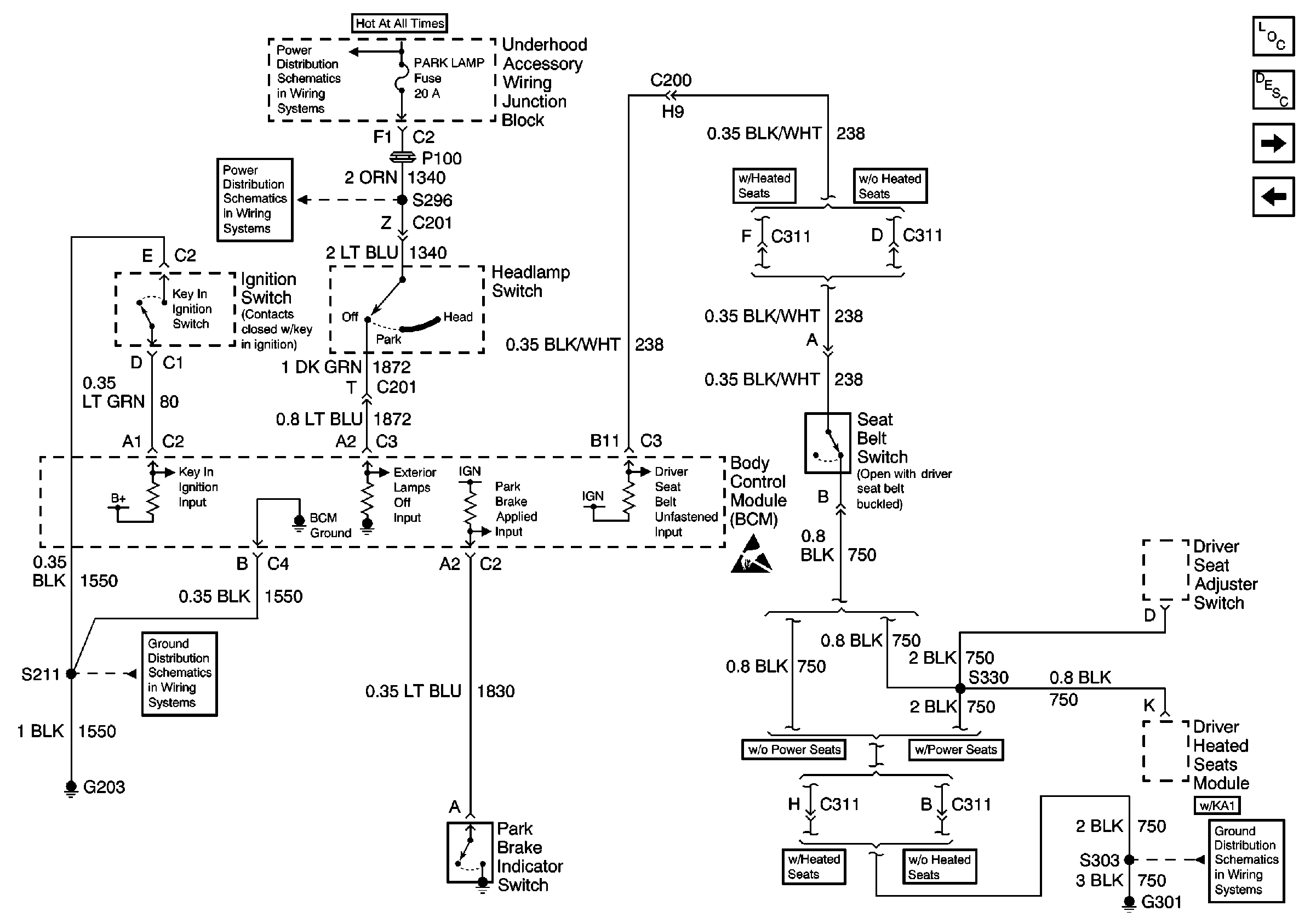
Ignition Switch, Headlamp Switch, Park Brake Switch, Seat Belt Switch and Driver Seat Adjuster Switch
RAP Relay, Park Lamp Relay, Headlamp Relay and Ambient Light Sensor
Figure 4:

Ignition Switch, Headlamp Switch, Park Brake Switch, Seat Belt Switch and Driver Seat Adjuster Switch


Object Number: 593379  Size: FS
Battery, MaxiFuses, Fusible Links and Crank Relay
Parklamp and Headlamp Fuses
Ground G203
Handling ESD Sensitive Parts Notice
Ground G301 1 of 3
Body Control Module Components
Body Control System Circuit Description
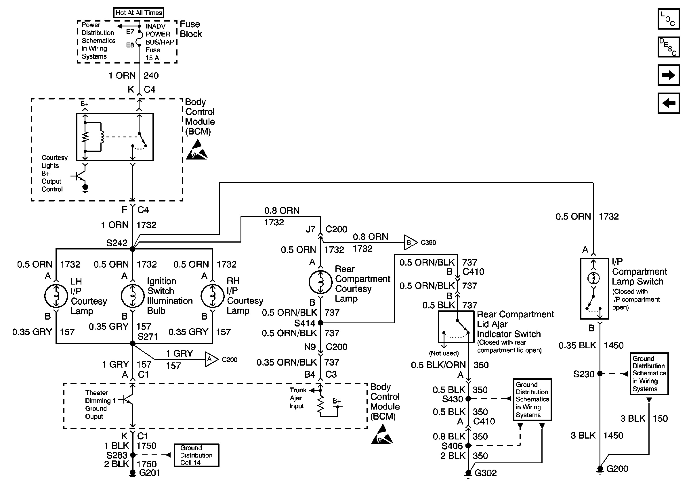
Courtesy Lamps, Ignition Switch Illumination Bulb, Rear CompartMent Lid Ajar Indicator Switch and I/P Compartment Lamp Switch
PASSLOCK Sensor, SP205 and ETC Switch
Figure 5:

Courtesy Lamps, Ignition Switch Illumination Bulb, Rear Compartment Lid Ajar Indicator Switch and I/P Compartment Lamp Switch


Object Number: 593384  Size: FS
Battery, MaxiFuses, Fusible Links and Crank Relay
INADV POWER BUS/RAP and BCM Fuses
Handling ESD Sensitive Parts Notice
Roof Rail Courtesy/Reading Lamps, Inside Rear View Mirror Lamps and Sunshade Mirror Lamps
Ground G201
Roof Rail Courtesy/Reading Lamps, Inside Rear View Mirror Lamps and Sunshade Mirror Lamps
Handling ESD Sensitive Parts Notice
Ground G302 2 of 2
Ground G200
Body Control Module Components
Body Control System Circuit Description
Roof Rail Courtesy/Reading Lamps, Inside Rear View Mirror Lamps and Sunshade Mirror Lamps
Ignition Switch, Headlamp Switch, Park Brake Switch, Seat Belt Switch and Driver Seat Adjuster Switch
Figure 6:

Roof Rail Courtesy/Reading Lamps, Inside Rear View Mirror Lamps and Sunshade Mirror Lamps


Object Number: 593382  Size: FS
Courtesy Lamps, Ignition Switch Illumination Bulb, Rear CompartMent Lid Ajar Indicator Switch and I/P Compartment Lamp Switch
Courtesy Lamps, Ignition Switch Illumination Bulb, Rear CompartMent Lid Ajar Indicator Switch and I/P Compartment Lamp Switch
Body Control Module Components
Body Control System Circuit Description
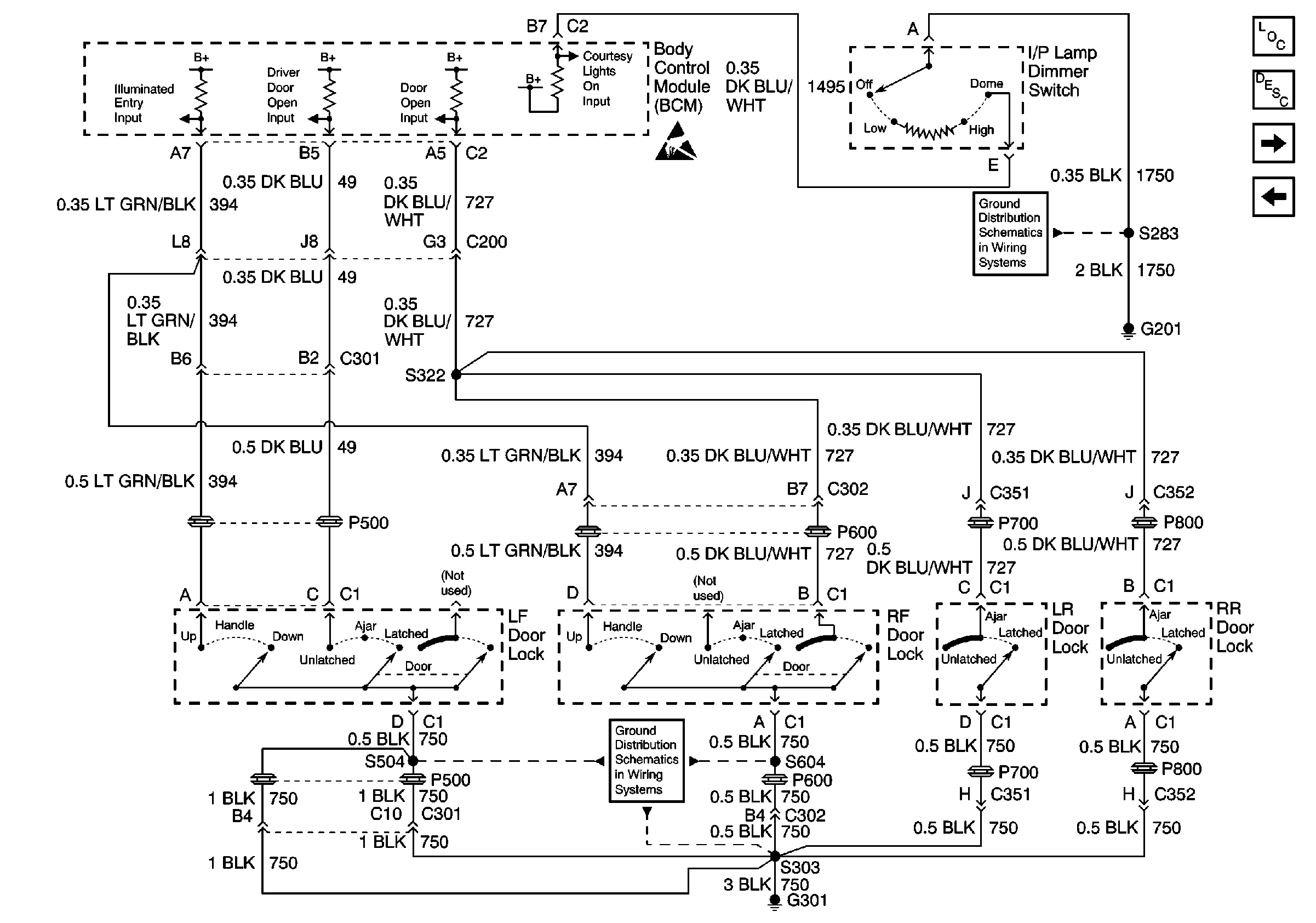
I/P Lamp Dimmer Switch and Door Inputs
Courtesy Lamps, Ignition Switch Illumination Bulb, Rear CompartMent Lid Ajar Indicator Switch and I/P Compartment Lamp Switch
Figure 7:

I/P Lamp Dimmer Switch and Door Inputs


Object Number: 593387  Size: FS
Handling ESD Sensitive Parts Notice
Ground G301 1 of 3
Ground G201
Body Control Module Components
Body Control System Circuit Description
Exterior Lights Inputs and Outputs
Roof Rail Courtesy/Reading Lamps, Inside Rear View Mirror Lamps and Sunshade Mirror Lamps
Figure 8:

Exterior Lights Inputs and Outputs


Object Number: 593393  Size: FS
Battery, MaxiFuses, Fusible Links and Crank Relay
BCM, and Fused Distribution
BCM, and Fused Distribution
BCM, and Fused Distribution
BCM, and Fused Distribution
Ignition 1 MaxiFuse and Ignition Switch
Turn Signal/Corn Lps, Air Bag, Cluster
Handling ESD Sensitive Parts Notice
Body Control Module Components
Body Control System Circuit Description
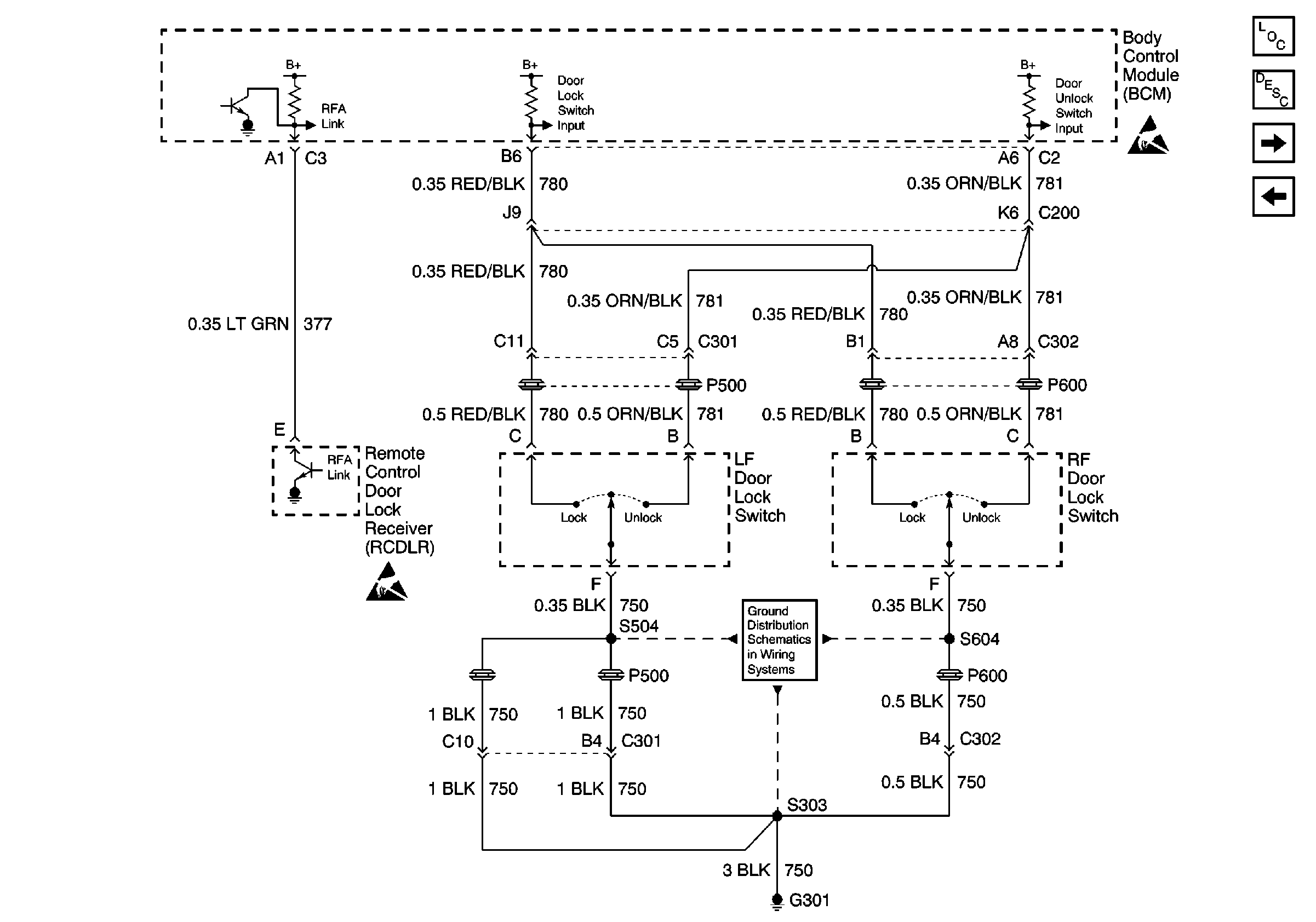
Door Lock Switch Inputs and Remote Control Door Lock Receiver (RCDLR)Link
I/P Lamp Dimmer Switch and Door Inputs
Figure 9:

Door Lock Switch Inputs and Remote Control Door Lock Receiver (RCDLR) Link


Object Number: 593395  Size: FS
Handling ESD Sensitive Parts Notice
Ground G301 1 of 3
Handling ESD Sensitive Parts Notice
Body Control Module Components
Body Control System Circuit Description
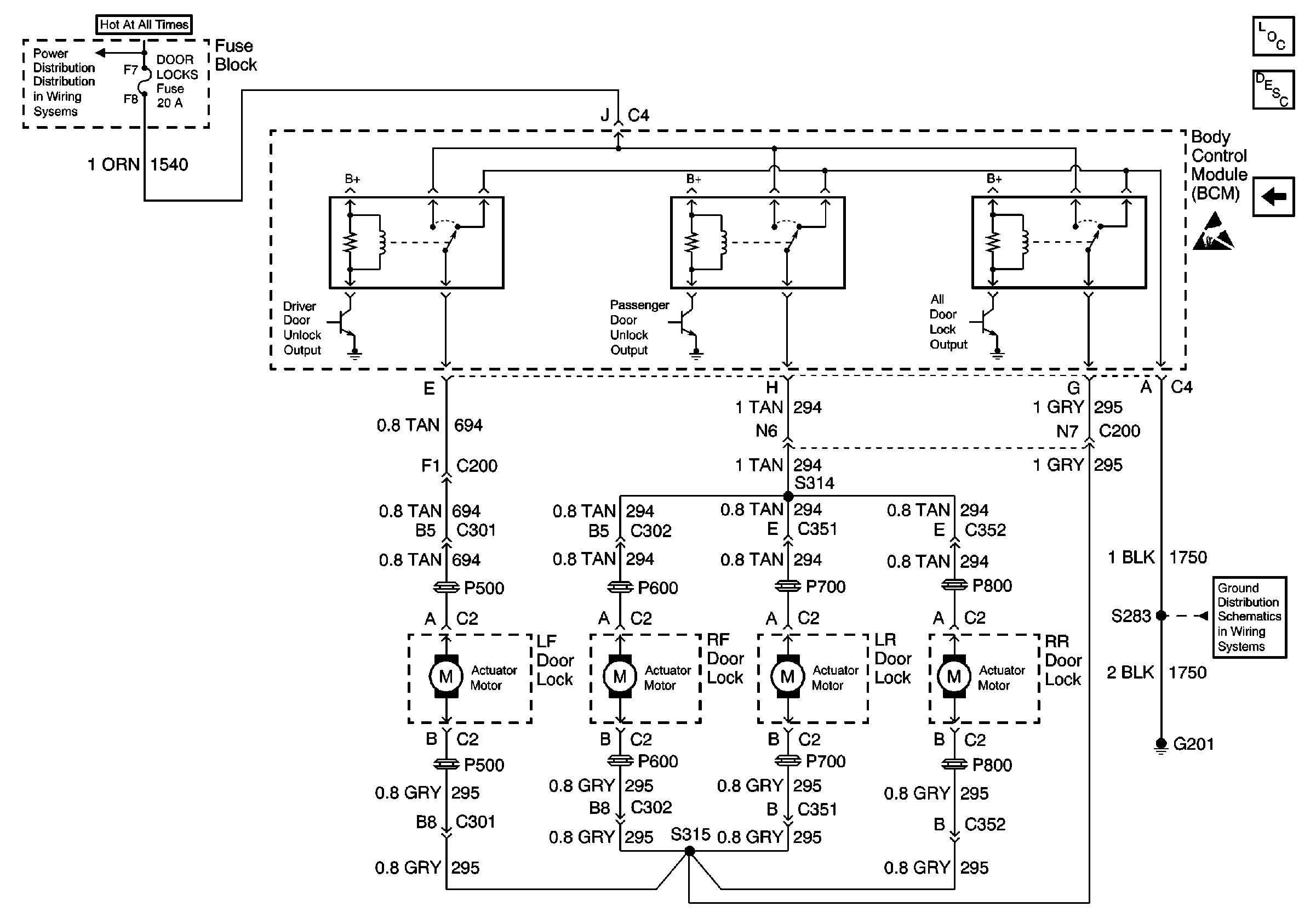
Door Lock Outputs
Exterior Lights Inputs and Outputs
Figure 10:

Door Lock Outputs


Object Number: 593397  Size: FS
Battery, MaxiFuses, Fusible Links and Crank Relay
Handling ESD Sensitive Parts Notice
Ground G201
Body Control Module Components
Body Control System Circuit Description
Door Lock Switch Inputs and Remote Control Door Lock Receiver (RCDLR)Link