GM Service Manual Online
For 1990-2009 cars only
Makes
🢒
Oldsmobile
🢒
2000
🢒
Intrigue
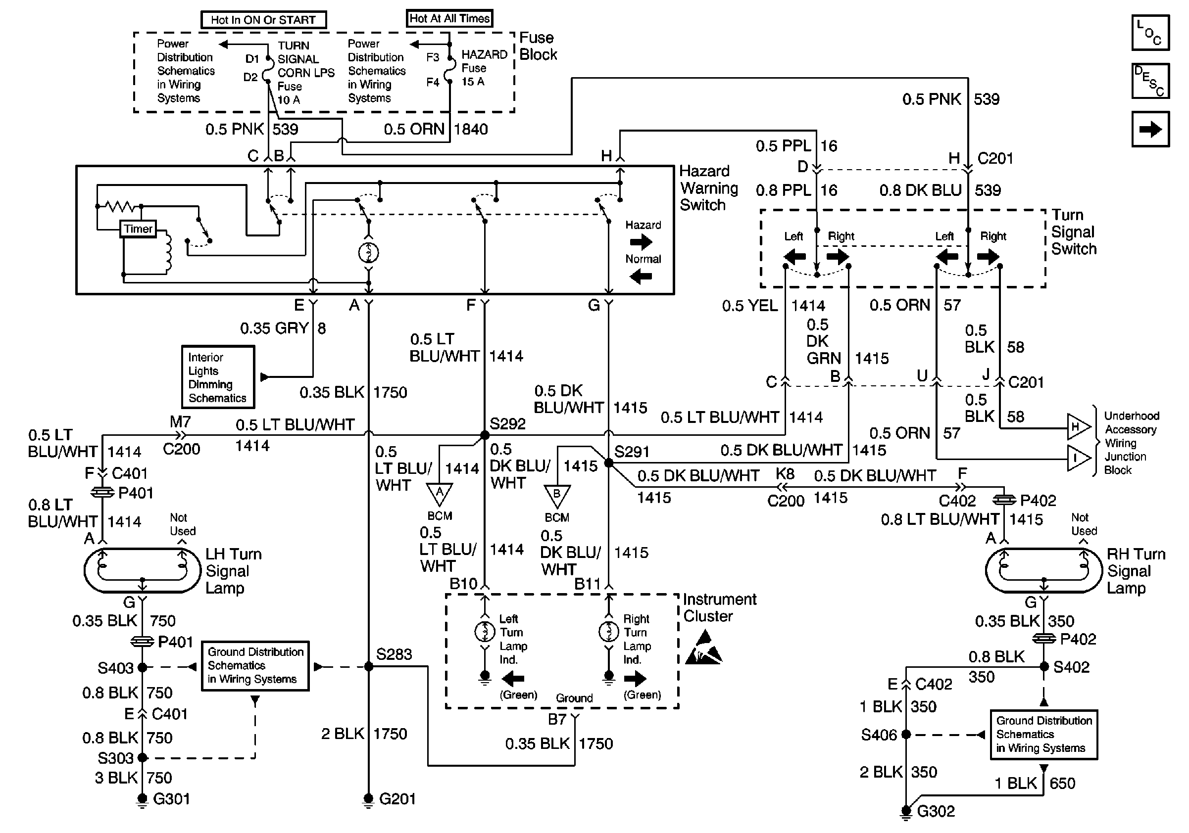
🢒 Turn Signal Switch, Hazard Warning Switch, LH and RH Turn Signal Lamps and Instrument Cluster
Turn Signal Switch, Hazard Warning Switch, LH and RH Turn Signal Lamps and Instrument Cluster
Turn Signal Switch, Hazard Warning Switch, LH and RH Turn Signal Lamps and Instrument Cluster
Ignition 1 MaxiFuse and Ignition Switch
Battery, MaxiFuses, Fusible Links and Crank Relay
Fused Distribution, Switches, and Instrument Cluster
Ground G301 3 of 3
BCM, and Fused Distribution
BCM, and Fused Distribution
Handling ESD Sensitive Parts Notice
Side Marker, Cornering and Park/Turn Lamps
Side Marker, Cornering and Park/Turn Lamps
Ground G302 1 of 2
Lighting Systems Components
Exterior Lights Circuit Description
Headlamp Switch, BCM, Park Lamp and Headlamp Relay