GM Service Manual Online
For 1990-2009 cars only
Makes
🢒
Oldsmobile
🢒
2000
🢒
Intrigue
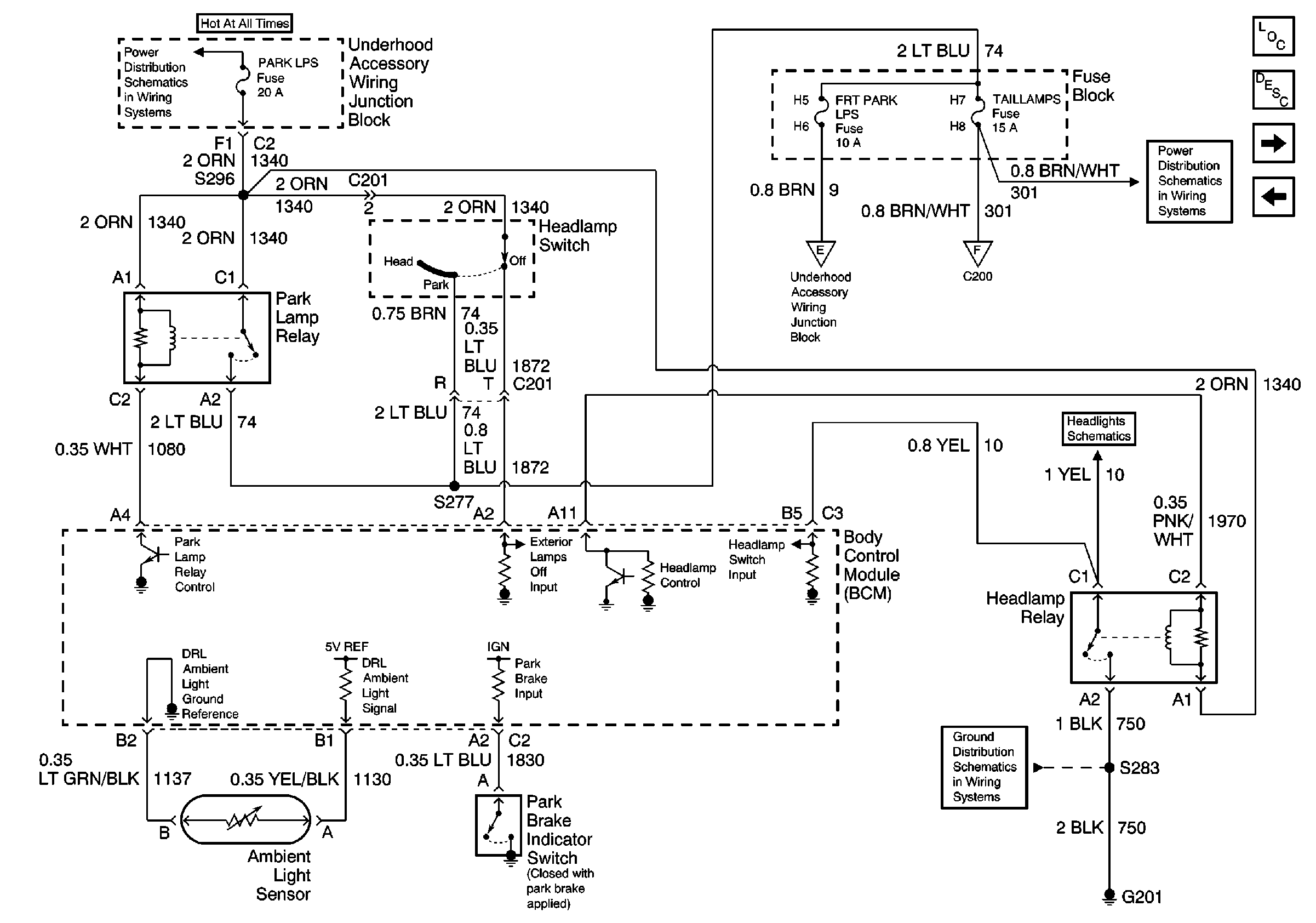
🢒 Headlamp Switch, BCM, Park Lamp and Headlamp Relay
Headlamp Switch, BCM, Park Lamp and Headlamp Relay
Headlamp Switch, BCM, Park Lamp and Headlamp Relay
Battery, MaxiFuses, Fusible Links and Crank Relay
Side Marker, Cornering and Park/Turn Lamps
Rear Side Marker, License Plate, Tail Lamps
Ground G201
BCM and Headlamp Relay
Park Lamp Relay
Lighting Systems Components
Exterior Lights Circuit Description
BCM, and Fused Distribution
Turn Signal Switch, Hazard Warning Switch, LH and RH Turn Signal Lamps and Instrument Cluster