GM Service Manual Online
For 1990-2009 cars only
Makes
🢒
Oldsmobile
🢒
2000
🢒
Intrigue
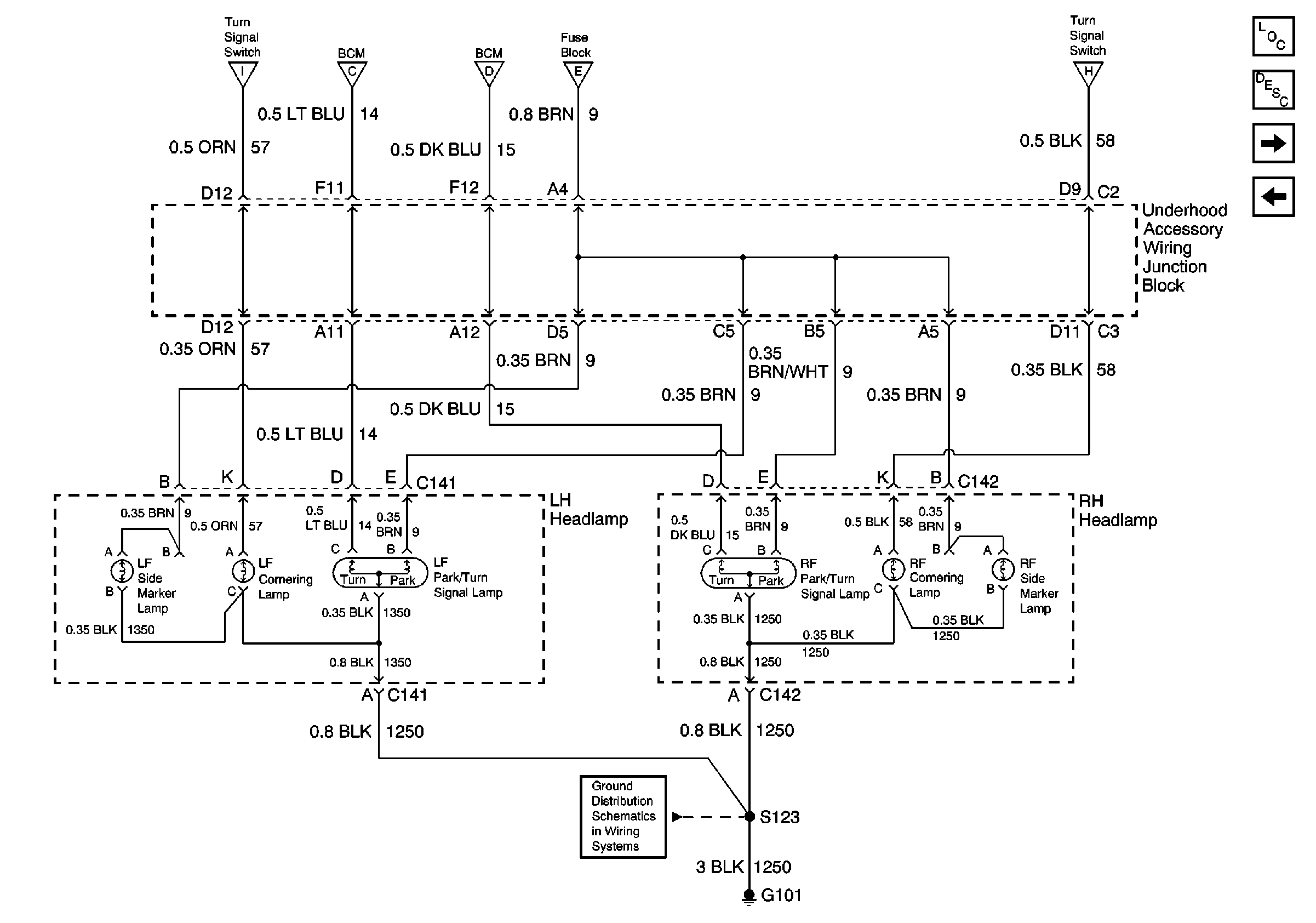
🢒 Side Marker, Cornering and Park/Turn Lamps
Side Marker, Cornering and Park/Turn Lamps
Side Marker, Cornering and Park/Turn Lamps
Turn Signal Switch, Hazard Warning Switch, LH and RH Turn Signal Lamps and Instrument Cluster
BCM, and Fused Distribution
BCM, and Fused Distribution
Fog Lamp Switch and Fog Lamps
Turn Signal Switch, Hazard Warning Switch, LH and RH Turn Signal Lamps and Instrument Cluster
Grounds G100, G101, G110
Lighting Systems Components
Exterior Lights Circuit Description
Rear Side Marker, License Plate, Tail Lamps
BCM, and Fused Distribution