GM Service Manual Online
For 1990-2009 cars only
Makes
🢒
Oldsmobile
🢒
2000
🢒
Intrigue
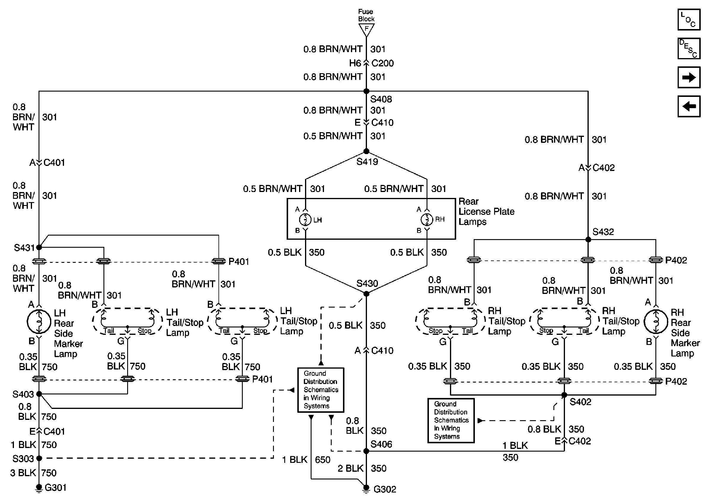
🢒 Rear Side Marker, License Plate, Tail Lamps
Rear Side Marker, License Plate, Tail Lamps
Rear Side Marker, License Plate, Tail Lamps
Fog Lamp Switch and Fog Lamps
Ground G302 2 of 2
Ground G302 2 of 2
Lighting Systems Components
Exterior Lights Circuit Description
Stop, CHMSL and Stoplamp Switch
Side Marker, Cornering and Park/Turn Lamps