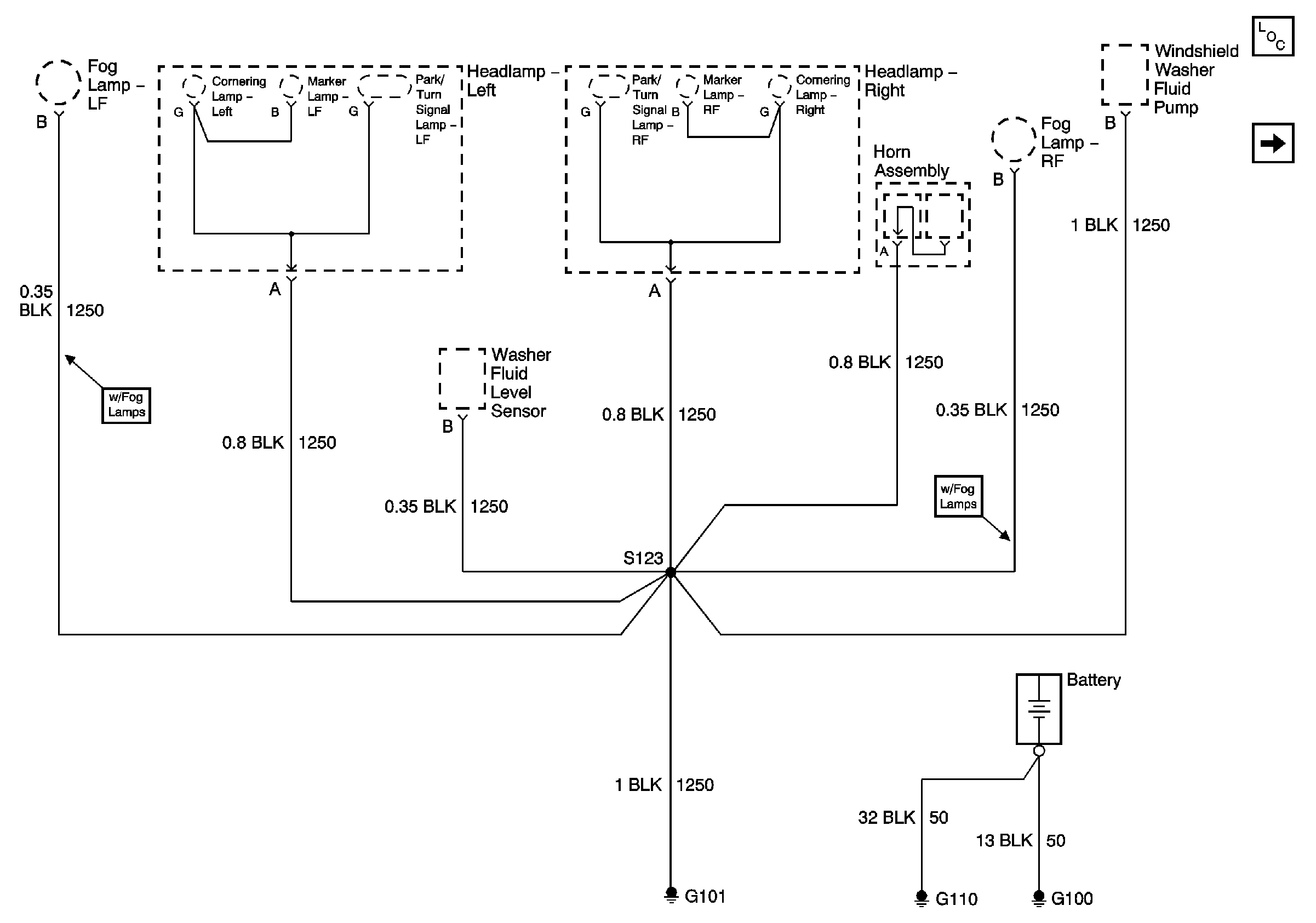
| Figure 1: |
Grounds G100, G101, G110
|
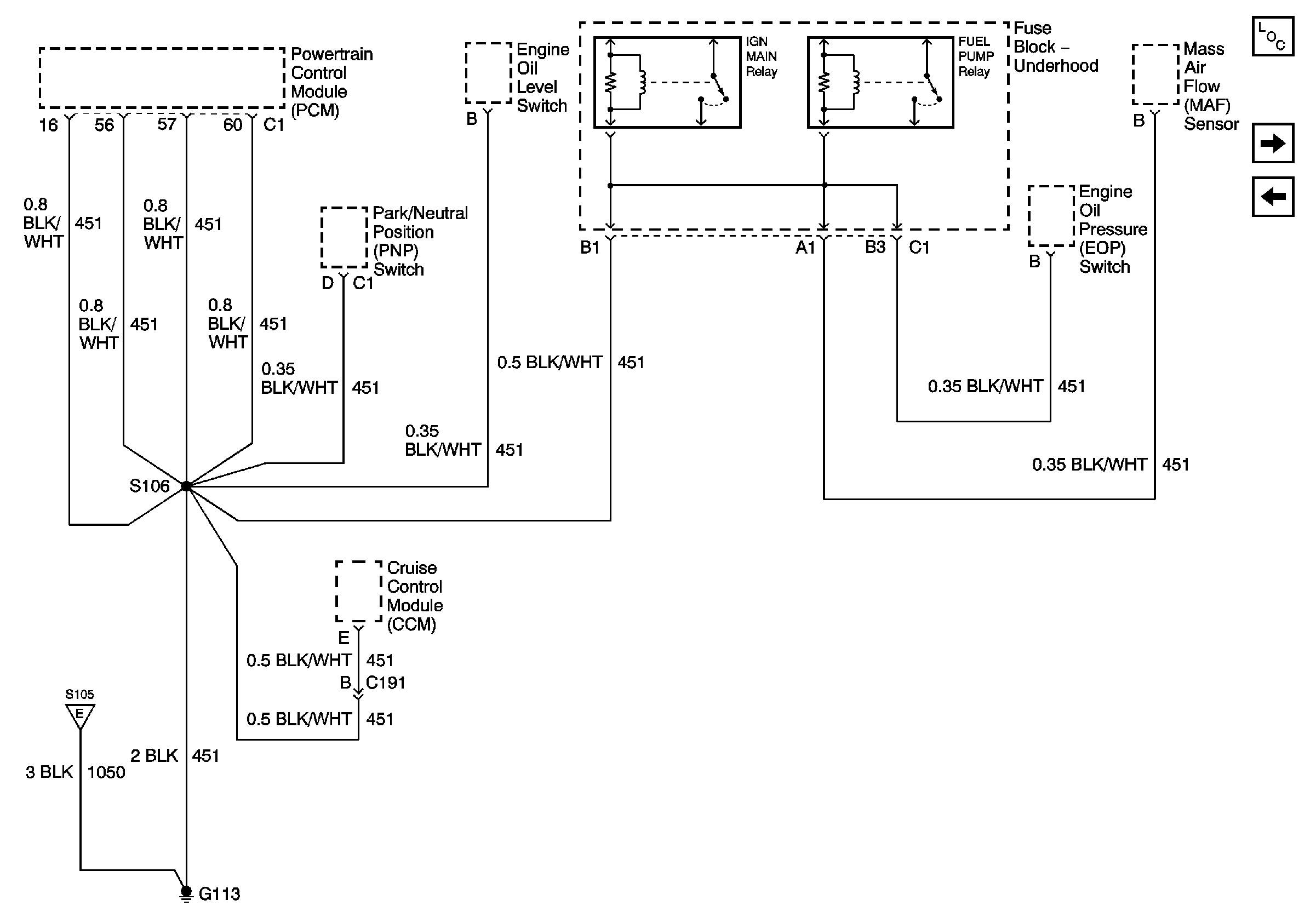
| Figure 2: |
Ground G113
|
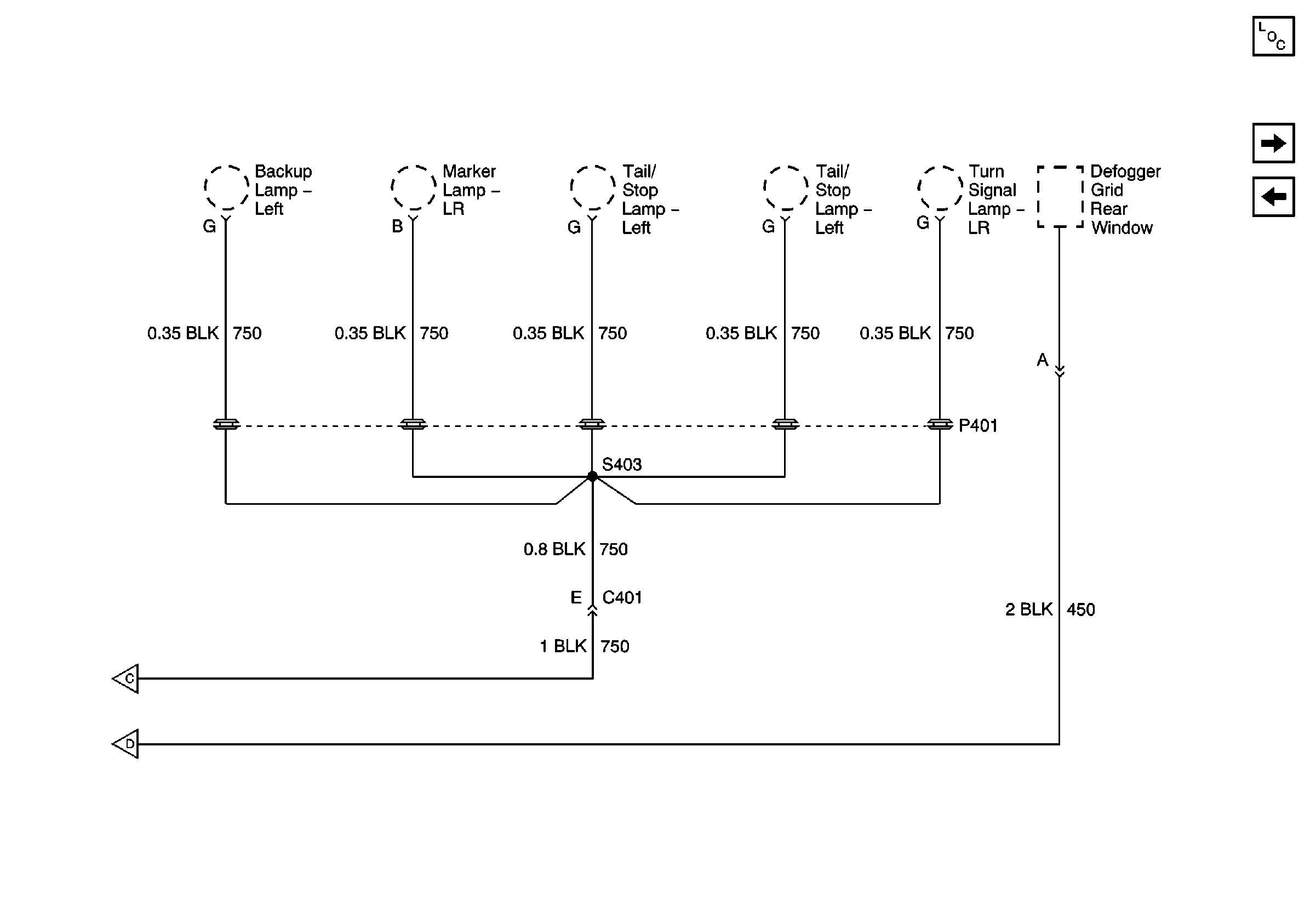
| Figure 3: |
Grounds G113, G117, G119
|
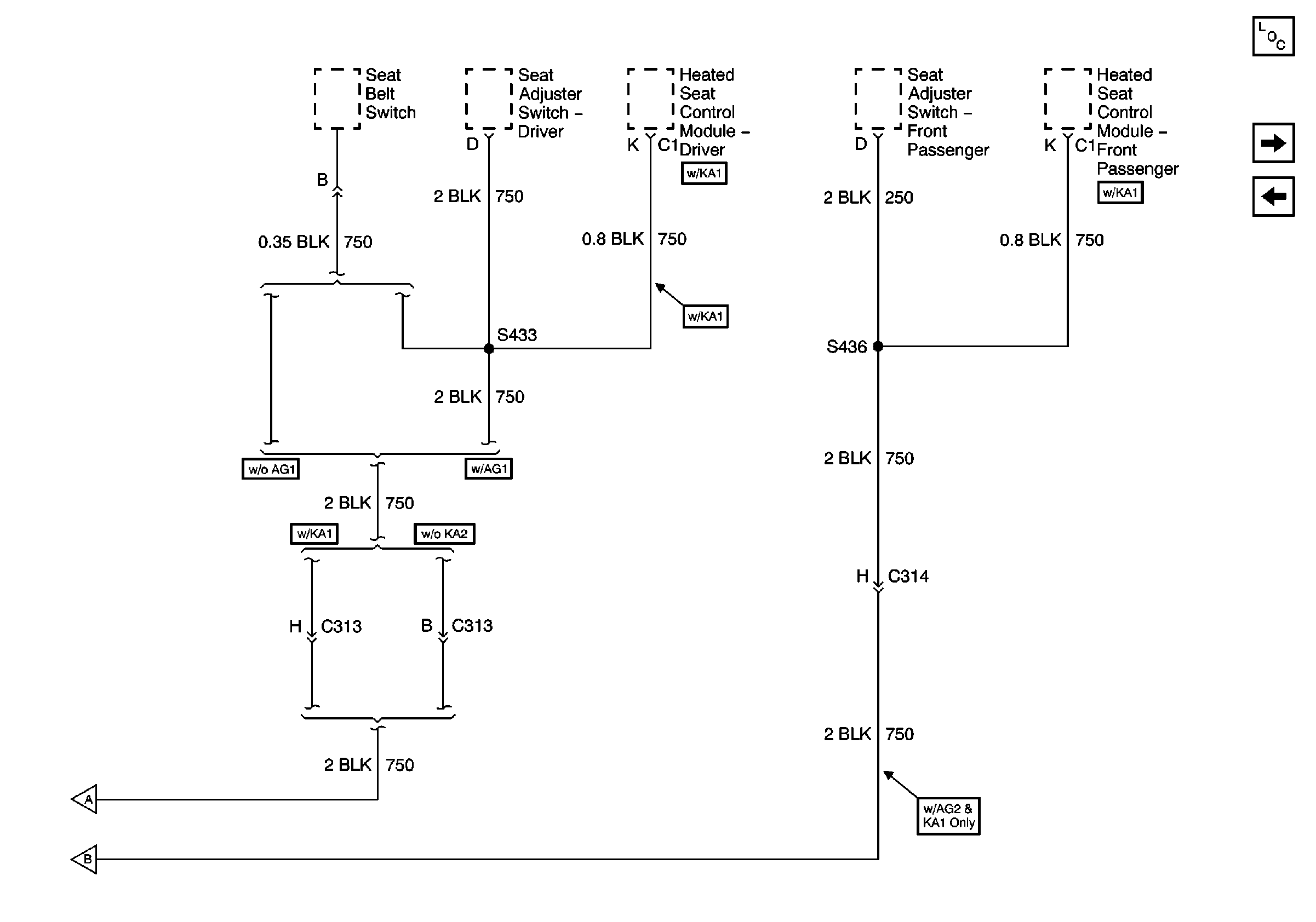
| Figure 4: |
Ground G200
|
| Figure 5: |
Ground G201
|
| Figure 6: |
Ground G203
|
| Figure 7: |
Ground G301 (1 of 3)
|
| Figure 8: |
Ground G301 (2 of 3)
|
| Figure 9: |
Ground G301 (3 of 3)
|
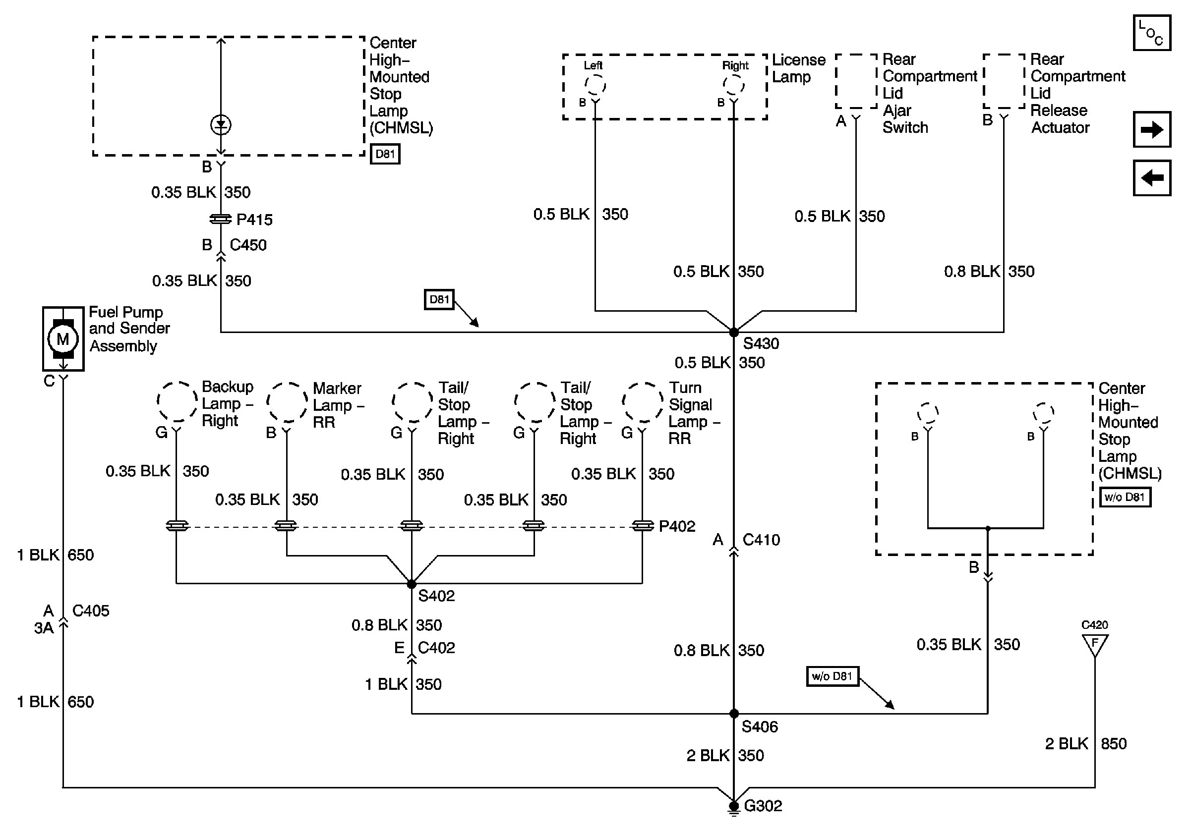
| Figure 10: |
Ground G302 (1 of 2)
|
| Figure 11: |
Ground G302 (2 of 2)
|