GM Service Manual Online
For 1990-2009 cars only
Makes
🢒
Oldsmobile
🢒
2001
🢒
Intrigue
🢒 Tail/Stop Lamps, Rear Side Marker Lamps and License Plate Lamps Feed
Tail/Stop Lamps, Rear Side Marker Lamps and License Plate Lamps Feed
Tail/Stop Lamps, Rear Side Marker Lamps and License Plate Lamps Feed
Master Electrical Component List original
Exterior Lighting Systems Description and Operation
Tail/Stop Lamps, Rear Side Marker Lamps and License Plate Lamps
Front Park/Turn Signal Lamps, Front Cornering Lamps, Front Side Marker Lamps
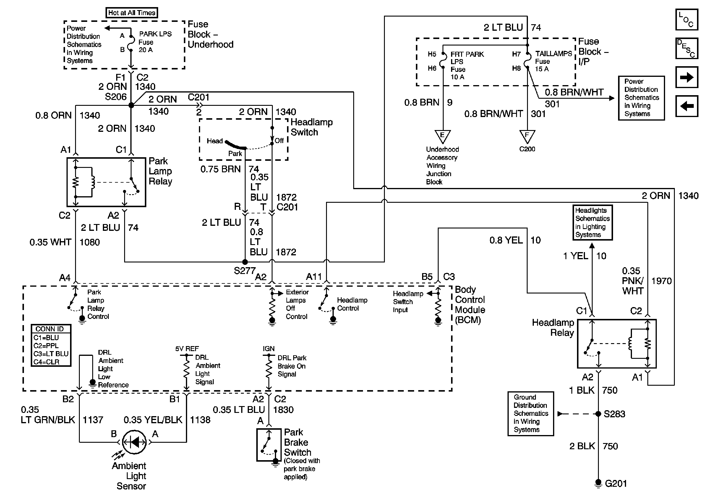
Park Lamps, Front Park Lamps, Tail Lamps/Lic Lamps, Panel Dimming Fuses, Headlamp Switch, Headlamp and Parklamp Relays
Battery, MaxiFuses, Fusible Link, CRANK, FOG, A/C CLU, R/CMPT, R/PMP, HORN, and IGN Main Relays
Headlamps, Headlamp Switch and High Beam Indicator
Ground G201