GM Service Manual Online
For 1990-2009 cars only
Makes
🢒
Oldsmobile
🢒
2002
🢒
Intrigue
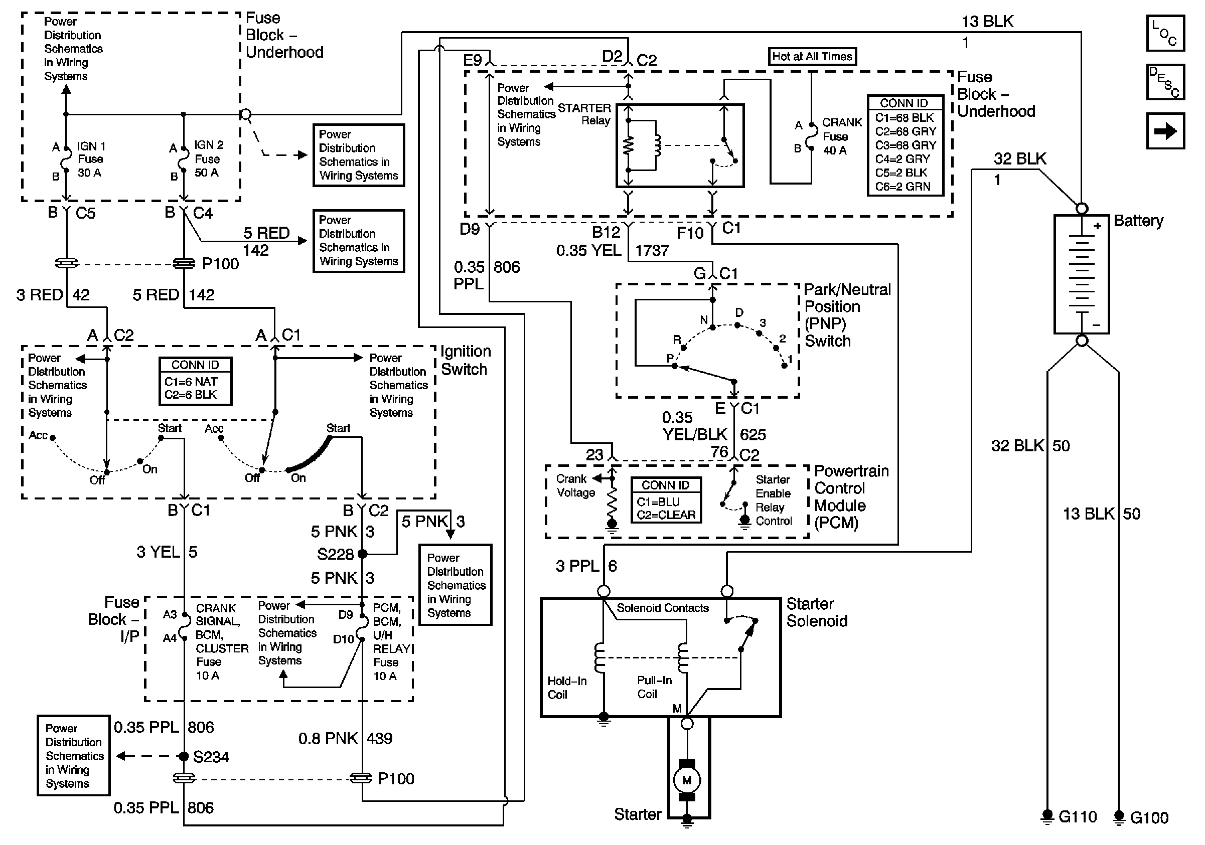
🢒 Power, Grounds, Ignition Sw, and Starter Circuits
Power, Grounds, Ignition Sw, and Starter Circuits
Starting System-Early Production
Master Electrical Component List
Starting System Description and Operation
Power, Ground, Starter Relay, Ignition Switch, Starter Solenoid
BTSI, TURN SIGNALS/CORN LPS, AIR BAG, CLUSTER, and PCM/BCM/U H RELAY Fuses
Fuse Block-Underhood Bussing (1 of 2)
BTSI, TURN SIGNALS/CORN LPS, AIR BAG, CLUSTER, and PCM/BCM/U H RELAY Fuses
IGN 0 CLUSTER/PCM/BCM, and CRANK SIGNAL/BCM/CLUSTER Fuses
Fuse Block-Underhood Bussing (1 of 2)
POWER DROP, and WIPER Fuses, PWR WINDOWS/PWR SUNROOF Circuit Breakers