GM Service Manual Online
For 1990-2009 cars only
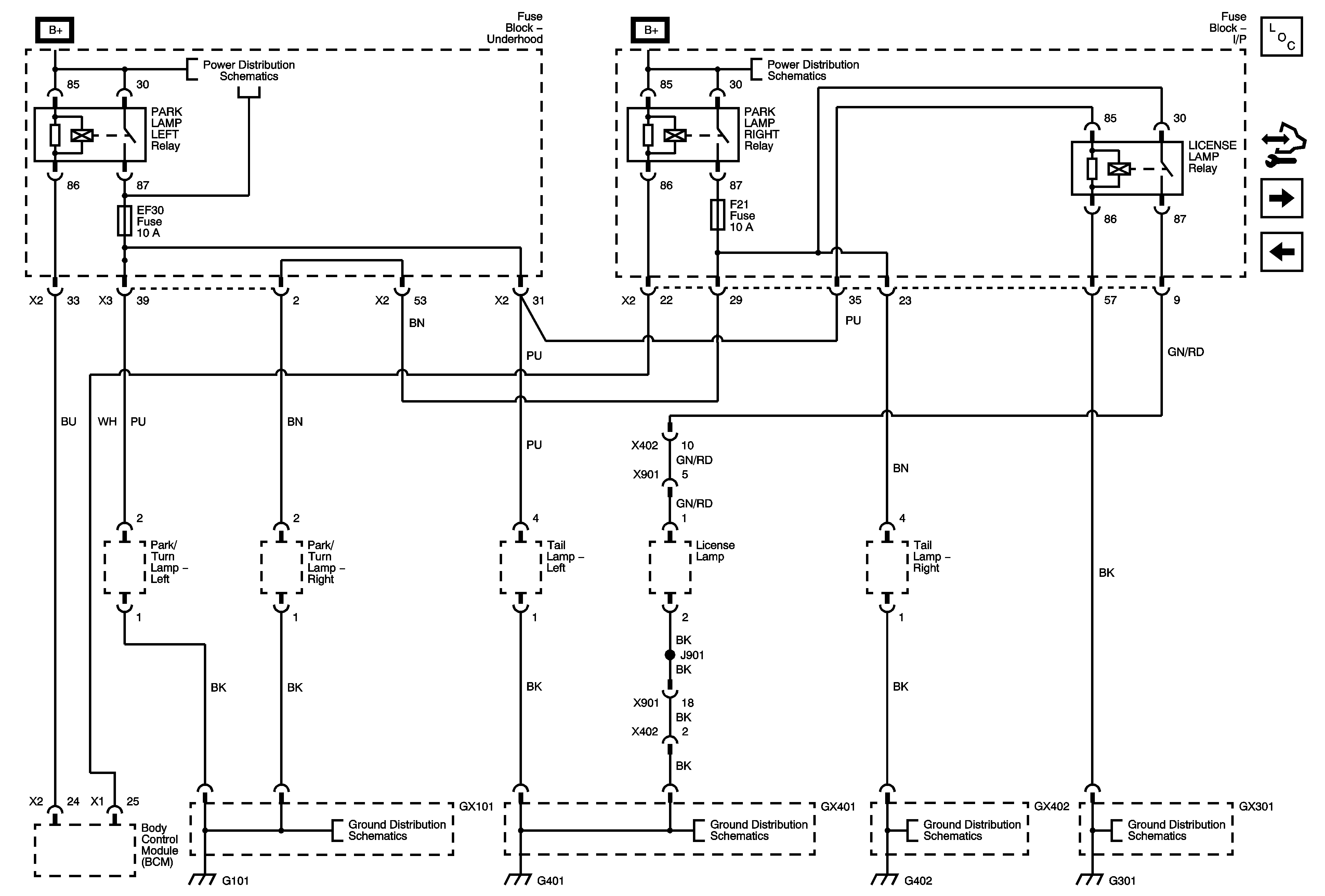
Figure 1:

Park Lamps


Object Number: 1821142  Size: FS
Master Electrical Component List
Control Module References
Park Lamps - Short Body
EF25, 30 Fuses, Defog Relay, Ignition Switch
Ground Distribution G401
Ground Distribution G101, G103, G105
Ground Distribution G402
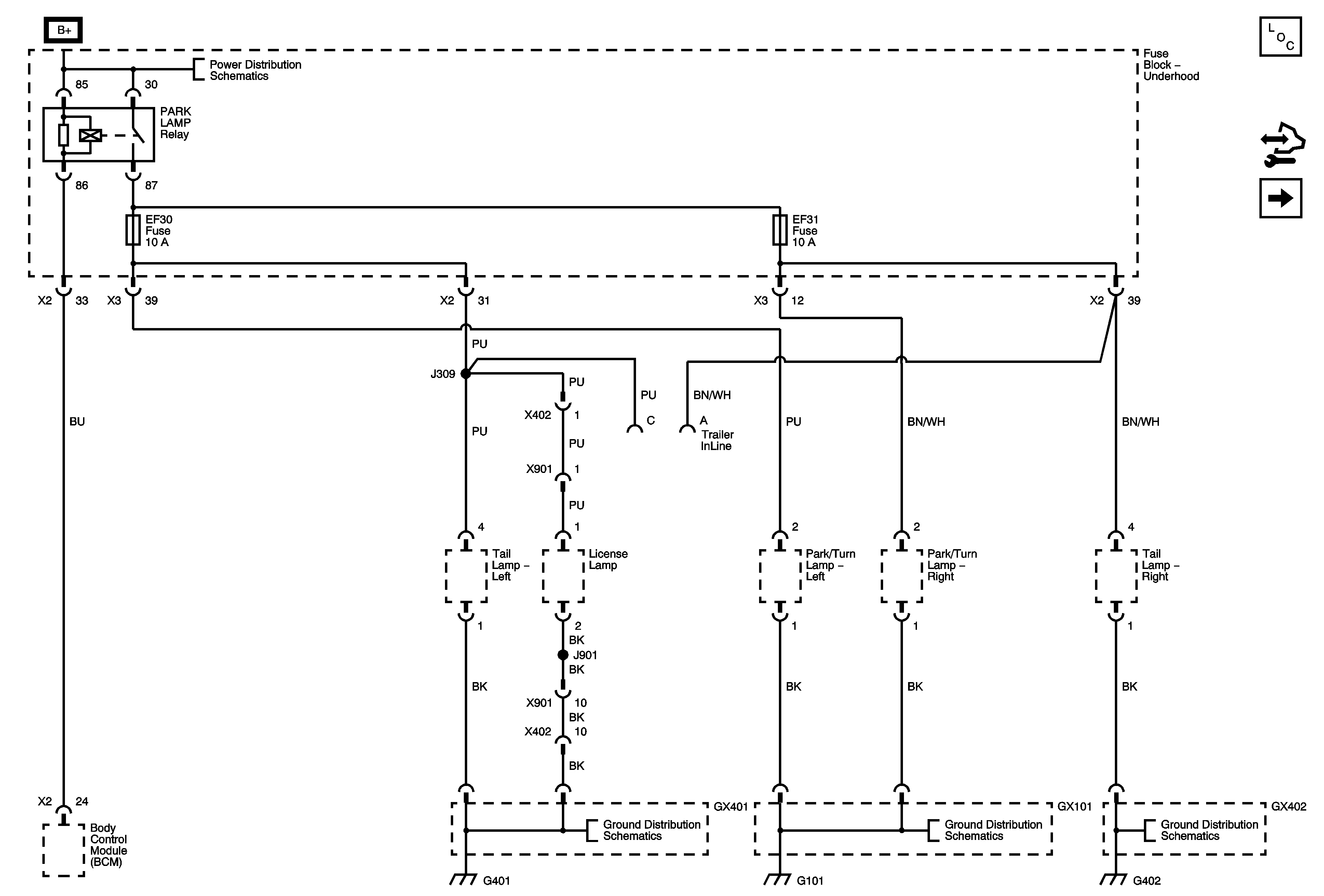
Figure 2:

Park Lamps - Short Body


Object Number: 1854886  Size: FS
Master Electrical Component List
Control Module References
Stop and Back Up Lamps
Park Lamps
EF25, 30 Fuses, Defog Relay, Ignition Switch
EF30, EF31, F4, F21, F22, F23 Fuses (Short Body)
Ground Distribution G101, G103, G105
Ground Distribution G401
Ground Distribution G402
Ground Distribution G301
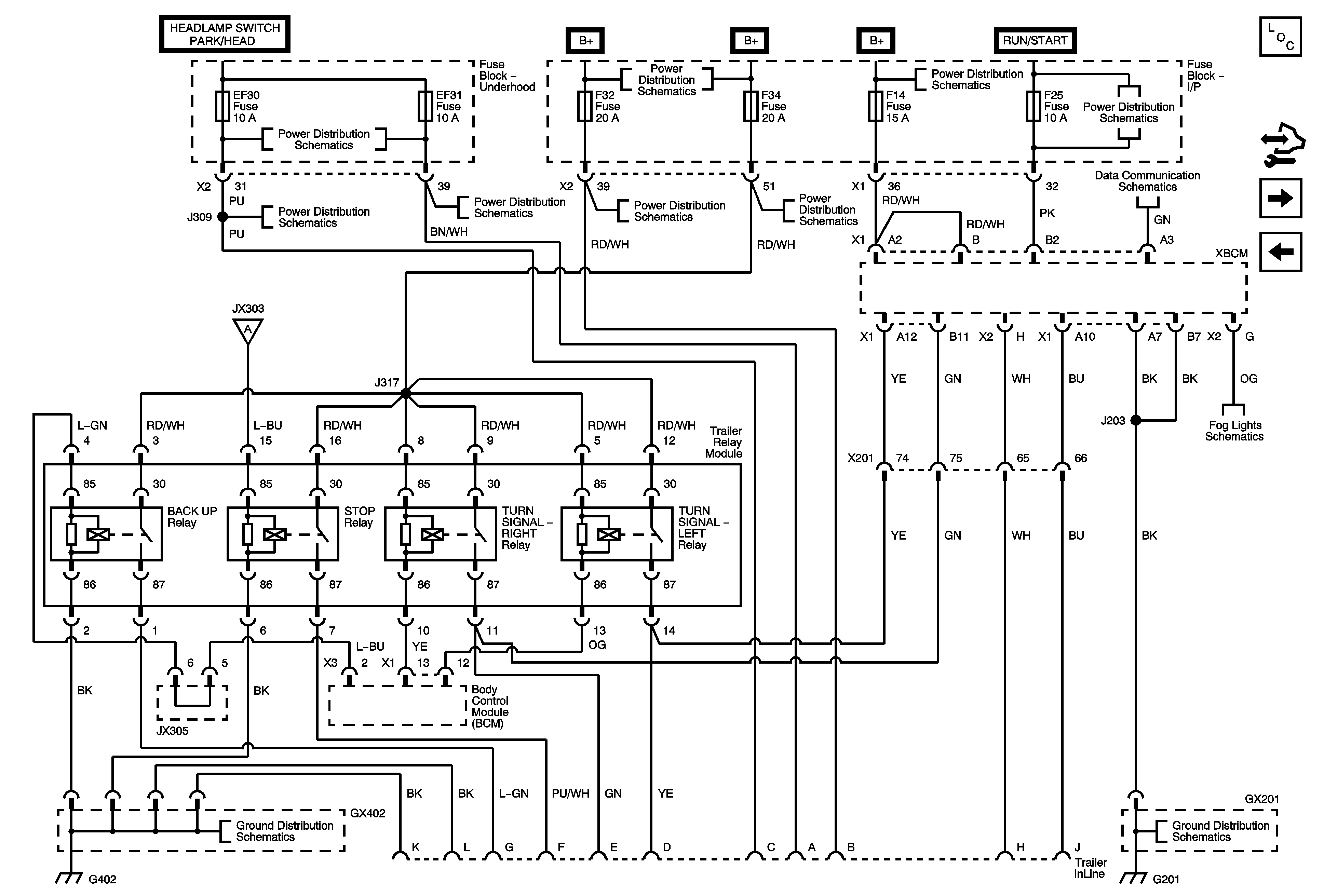
Figure 3:

Stop and Back Up Lamps


Object Number: 1821143  Size: FS
Master Electrical Component List
Control Module References
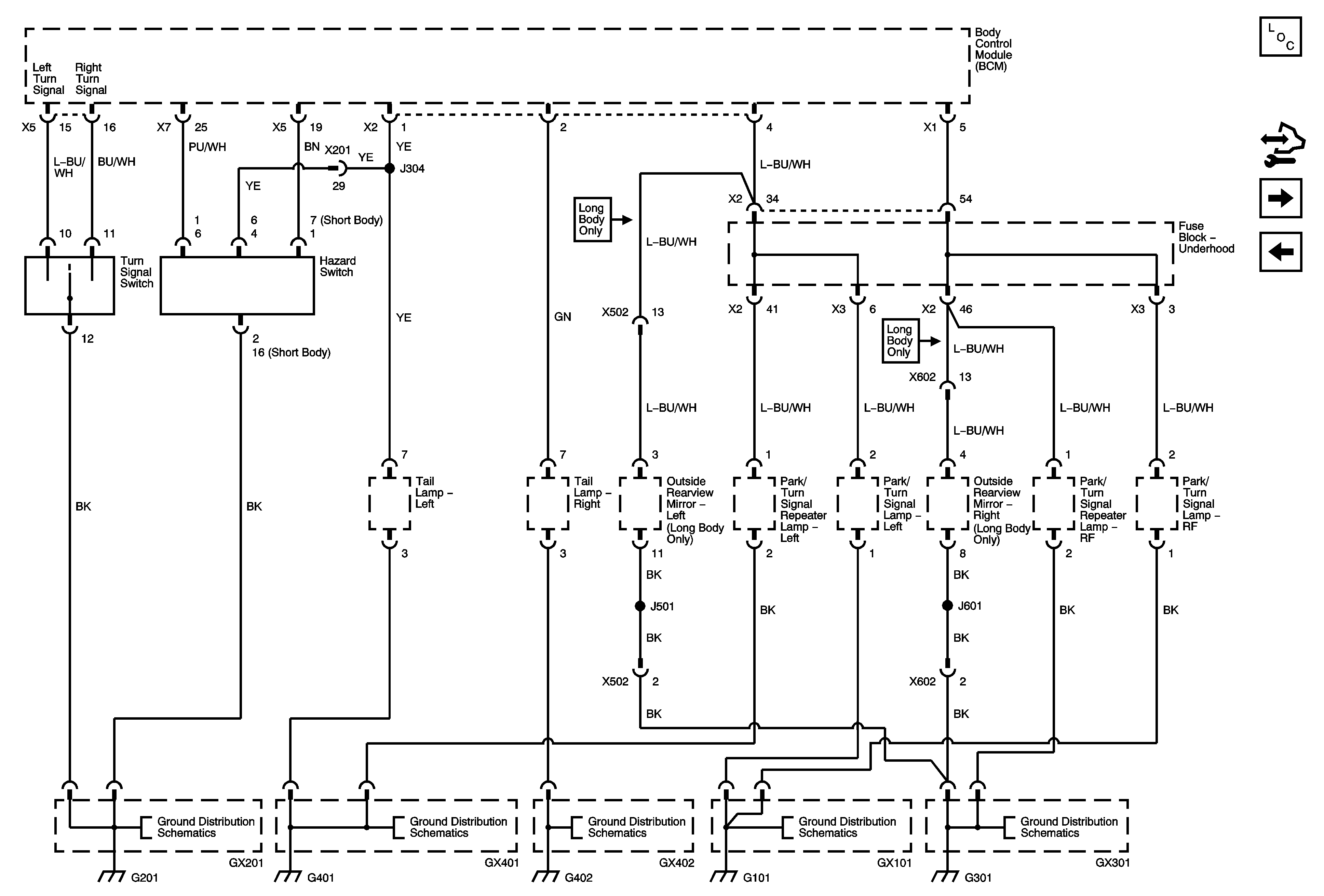
Turn Signal Lamps
Park Lamps - Short Body
EF1, 4, 6, 17, 18, 19, 20, 23 Fuses
EF7, F6, 8, 9, 13, 17, 20, 25, 27, 29 Fuses, Run/Crank, Outside Rearview Mirror, Liftgate Glass Relays
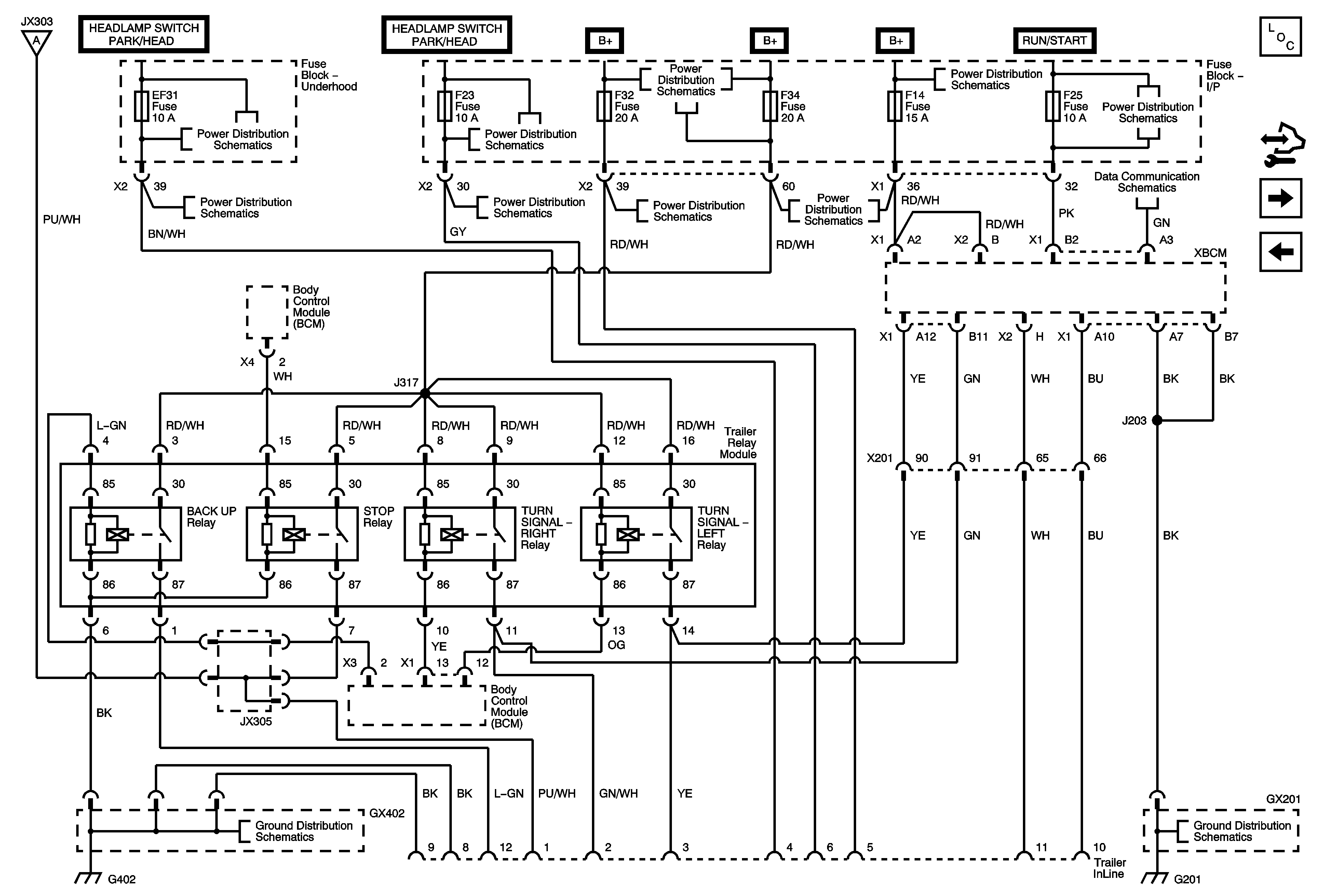
Trailer Lighting
Ground Distribution G401
Ground Distribution G402
Ground Distribution G401
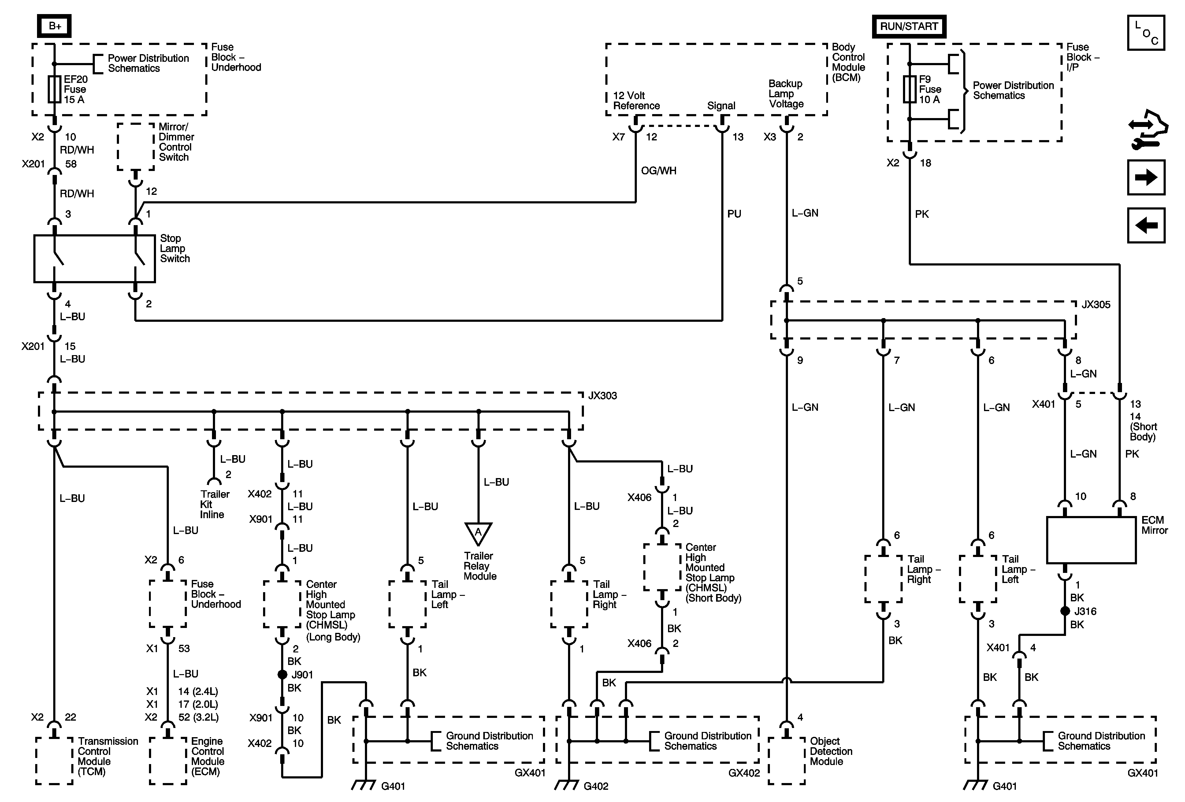
Figure 4:

Turn Signal Lamps


Object Number: 1821144  Size: FS
Master Electrical Component List
Control Module References
Trailer Lighting
Stop and Back Up Lamps
Ground Distribution G201
Ground Distribution G401
Ground Distribution G402
Ground Distribution G101, G103, G105
Ground Distribution G301
Figure 5:

Trailer Lighting


Object Number: 1822852  Size: FS
Master Electrical Component List
Control Module References
Trailer Lighting - Short Body
Turn Signal Lamps
EF25, 30 Fuses, Defog Relay, Ignition Switch
EF2, F11, 12, 14, 16, 19, 24, 26, 31, 35 Fuses
F3, 5, 28, 32, 34 Fuses, Front Washer Pump Relay
EF2, F11, 12, 14, 16, 19, 24, 26, 31, 35 Fuses
EF7, F6, 8, 9, 13, 17, 20, 25, 27, 29 Fuses, Run/Crank, Outside Rearview Mirror, Liftgate Glass Relays
EF25, 30 Fuses, Defog Relay, Ignition Switch
EF2, F11, 12, 14, 16, 19, 24, 26, 31, 35 Fuses
F3, 5, 28, 32, 34 Fuses, Front Washer Pump Relay
F3, 5, 28, 32, 34 Fuses, Front Washer Pump Relay
Data Link Connector (DLC)
Stop and Back Up Lamps
Fog Lamp Schematics
Ground Distribution G402
Ground Distribution G201
Figure 6:

Trailer Lighting - Short Body


Object Number: 1856760  Size: FS
Master Electrical Component List
Control Module References
Trailer Lighting - V2S
Trailer Lighting
Stop and Back Up Lamps
EF2, F11, 12, 14, 16, 19, 24, 26, 31, 35 Fuses
EF30, EF31, F4, F21, F22, F23 Fuses (Short Body)
F3, 5, 28, 32, 34 Fuses, Front Washer Pump Relay
EF2, F11, 12, 14, 16, 19, 24, 26, 31, 35 Fuses
EF7, F6, 8, 9, 13, 17, 20, 25, 27, 29 Fuses, Run/Crank, Outside Rearview Mirror, Liftgate Glass Relays
EF2, F11, 12, 14, 16, 19, 24, 26, 31, 35 Fuses
EF30, EF31, F4, F21, F22, F23 Fuses (Short Body)
F3, 5, 28, 32, 34 Fuses, Front Washer Pump Relay
F3, 5, 28, 32, 34 Fuses, Front Washer Pump Relay
EF2, F11, 12, 14, 16, 19, 24, 26, 31, 35 Fuses
Data Link Connector (DLC)
Ground Distribution G402
Ground Distribution G201
Figure 7:

Trailer Lighting - V2S


Object Number: 1879108  Size: FS
Master Electrical Component List
Control Module References
Trailer Lighting - V2S (U.K.)
Trailer Lighting - Short Body
EF1, 4, 6, 17, 18, 19, 20, 23 Fuses
F3, 5, 28, 32, 34 Fuses, Front Washer Pump Relay
EF7, F6, 8, 9, 13, 17, 20, 25, 27, 29 Fuses, Run/Crank, Outside Rearview Mirror, Liftgate Glass Relays
Ground Distribution G402
Figure 8:

Trailer Lighting - V2S (U.K.)


Object Number: 1879109  Size: FS
Master Electrical Component List
Control Module References
Trailer Lighting - V2S
EF1, 4, 6, 17, 18, 19, 20, 23 Fuses
F3, 5, 28, 32, 34 Fuses, Front Washer Pump Relay
Ground Distribution G402