GM Service Manual Online
For 1990-2009 cars only
Figure 1:

Radio System -- Pontiac


Object Number: 824475  Size: FS
Master Electrical Component List
Radio/Audio System Description and Operation
Option 2
IP
Cigar Lighter/Auxiliary Outlets Schematics-Buick
Steering Wheel Controls Schematics
On-Star Schematics
G201
G201
Figure 2:

Radio W/Rear Seat Audio Controls -- Pontiac


Object Number: 824476  Size: FS
Master Electrical Component List
Radio/Audio System Description and Operation
Option 3
Option 1
Fuse Block-Underhood Fuse:48 Fuse Block-Center Console Fuses:BCM L, HZD FL, HUD, RADIO, RD AMP and IP MDL
Dimming Control, Doors, Rear Radio, and Steering Wheel
Dimming Control, Doors, Rear Radio, and Steering Wheel
G201
G303
IP
Cigar Lighter/Auxiliary Outlets Schematics-Buick
Steering Wheel Controls Schematics
On-Star Schematics
G201
Figure 3:

Uplevel Radio W/O Rear Seat Audio Controls -- Pontiac


Object Number: 824477  Size: FS
Master Electrical Component List
Diagnostic System Check - Power Seat Systems
Option 4
Option 2
IP
Cigar Lighter/Auxiliary Outlets Schematics-Buick
On-Star Schematics
Steering Wheel Controls Schematics
Steering Wheel Controls Schematics
G201
G201
Figure 4:

Uplevel Radio W/Rear Seat Audio Controls -- Pontiac


Object Number: 824478  Size: FS
Master Electrical Component List
Radio/Audio System Description and Operation
Option 5
Option 3
IP
Cigar Lighter/Auxiliary Outlets Schematics-Buick
On-Star Schematics
Steering Wheel Controls Schematics
Steering Wheel Controls Schematics
G201
G201
Dimming Control, Doors, Rear Radio, and Steering Wheel
Dimming Control, Doors, Rear Radio, and Steering Wheel
G303
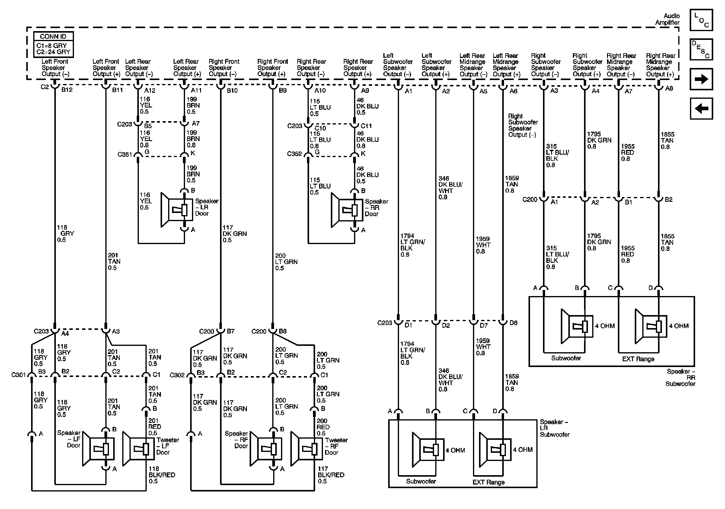
Figure 5:

Radio Speakers (RPO UQ3) -- Pontiac


Object Number: 824479  Size: FS
Master Electrical Component List
Radio/Audio System Description and Operation
Radio System-Buick
Option 4
Figure 6:

Radio System -- Buick


Object Number: 824268  Size: FS
Master Electrical Component List
Radio/Audio System Description and Operation
Radio W/Rear Seat Audio Controls-Buick
Option 5
Dimming Controls and Panel Lamps 2 of 2-Buick
Cigar Lighter/Auxiliary Outlets Schematics-Buick
Steering Wheel Controls-Buick
Steering Wheel Controls-Buick
Ground G201 Schematics
Ground G202 Schematics
Figure 7:

Radio W/Rear Seat Audio Controls -- Buick


Object Number: 824269  Size: FS
Master Electrical Component List
Radio/Audio System Description and Operation
02 Rendezvous Radio/Audio Sys SCH (Uplevel Radio W/O Rear Seat Audio Controls-Buick)
Radio System-Buick
Fuse Block-Underhood Fuse:48 Fuse Block-Center Console Fuses:BCM L, HZD FL, HUD, RADIO, RD AMP and IP MDL
Dimming Controls and Panel Lamps 2 of 2-Buick
Cigar Lighter/Auxiliary Outlets Schematics-Buick
Onstar Schematics
Steering Wheel Controls-Buick
Steering Wheel Controls-Buick
Ground G201 Schematics
Dimming Controls and Panel Lamps 2 of 2-Buick
Dimming Controls and Panel Lamps 2 of 2-Buick
Ground G202 Schematics
Ground G200 Schematics
Figure 8:

Uplevel Radio W/O Rear Seat Audio Controls -- Buick


Object Number: 824272  Size: FS
Master Electrical Component List
Radio/Audio System Description and Operation
Uplevel Radio W/Rear Seat Audio Controls-Buick
Radio W/Rear Seat Audio Controls-Buick
Dimming Controls and Panel Lamps 2 of 2-Buick
Cigar Lighter/Auxiliary Outlets Schematics-Buick
Onstar Schematics
Steering Wheel Controls-Buick
Ground G201 Schematics
Ground G202 Schematics
Figure 9:

Uplevel Radio W/Rear Seat Audio Controls -- Buick


Object Number: 824274  Size: FS
Master Electrical Component List
Radio/Audio System Description and Operation
Radio Speakers (RPO UQ3)-Buick
02 Rendezvous Radio/Audio Sys SCH (Uplevel Radio W/O Rear Seat Audio Controls-Buick)
Dimming Controls and Panel Lamps 2 of 2-Buick
Cigar Lighter/Auxiliary Outlets Schematics-Buick
Onstar Schematics
Steering Wheel Controls-Buick
Steering Wheel Controls-Buick
Ground G201 Schematics
Ground G202 Schematics
Dimming Controls and Panel Lamps 2 of 2-Buick
Dimming Controls and Panel Lamps 2 of 2-Buick
Figure 10:

Radio Speakers -- Buick


Object Number: 824275  Size: FS
Master Electrical Component List
Radio/Audio System Description and Operation
Uplevel Radio W/Rear Seat Audio Controls-Buick