GM Service Manual Online
For 1990-2009 cars only
Makes
🢒
Pontiac
🢒
2005
🢒
Aztek - FWD
🢒
Body
🢒
Instrument Panel, Gages, and Console
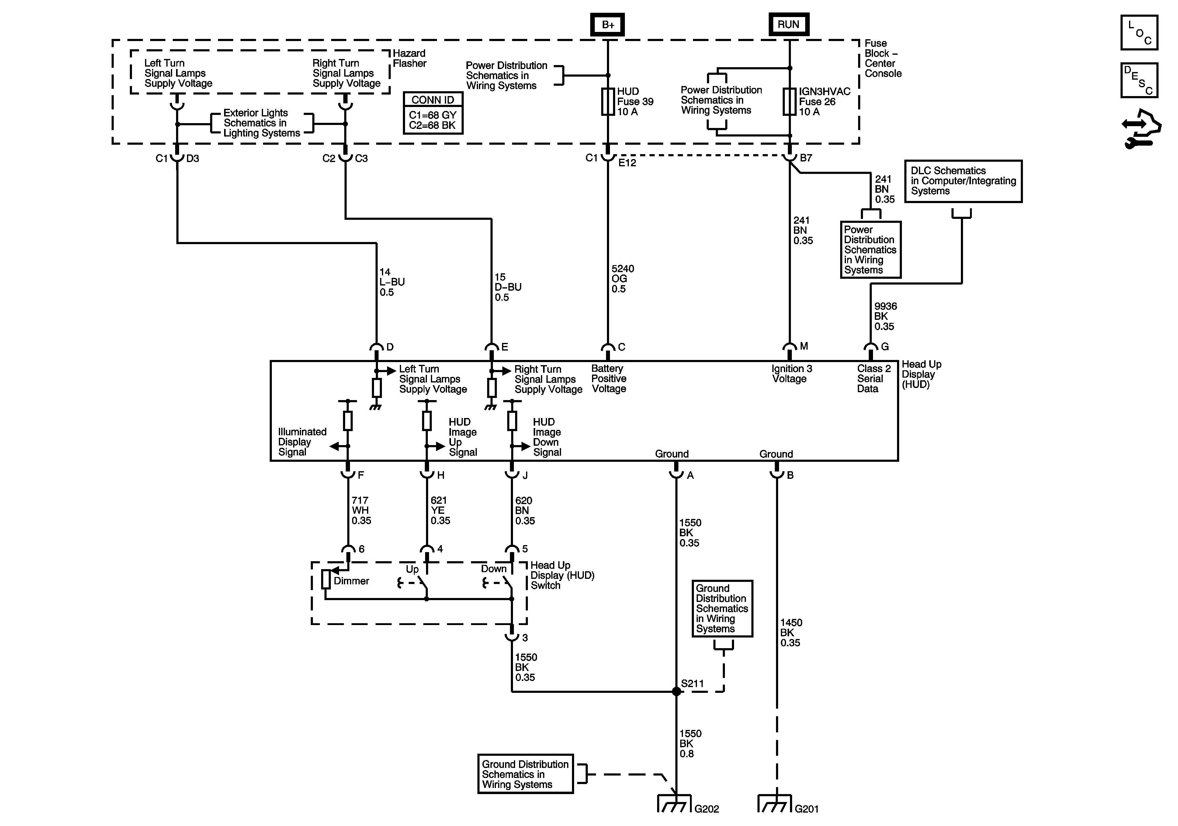
🢒 Head Up Display Schematics
Master Electrical Component List
Head Up Display (HUD) Description and Operation
Control Module References
Park Lamps - Buick (Late Production)
BATT 1, BCML, HUD, HZD FL, INKEY, IP MDL, RADIO, and RD AMP Fuses
IGN3HVAC Fuse
IGN3HVAC Fuse
Data Link Connector (DLC)
G202
G202
G202
G201