GM Service Manual Online
For 1990-2009 cars only
Figure 1:

Base Mirrors - Pontiac


Object Number: 754037  Size: FS
Master Electrical Component List
Outside Mirror Description and Operation
Base Mirrors - Buick
BATT 2, BCM D, ELC BATT, GATE REL, PWR MIR, and RR AUX Fuses and PWR STS Circuit Breaker
G301
G301
Figure 2:

Base Mirrors - Buick


Object Number: 1499928  Size: FS
Master Electrical Component List
Outside Mirror Description and Operation
Control Module References
Heated Mirrors
Base Mirrors - Pontiac
BATT 2, BCM D, ELC BATT, GATE REL, PWR MIR, and RR AUX Fuses and PWR STS Circuit Breaker
BATT 2, BCM D, ELC BATT, GATE REL, PWR MIR, and RR AUX Fuses and PWR STS Circuit Breaker
G301
Figure 3:

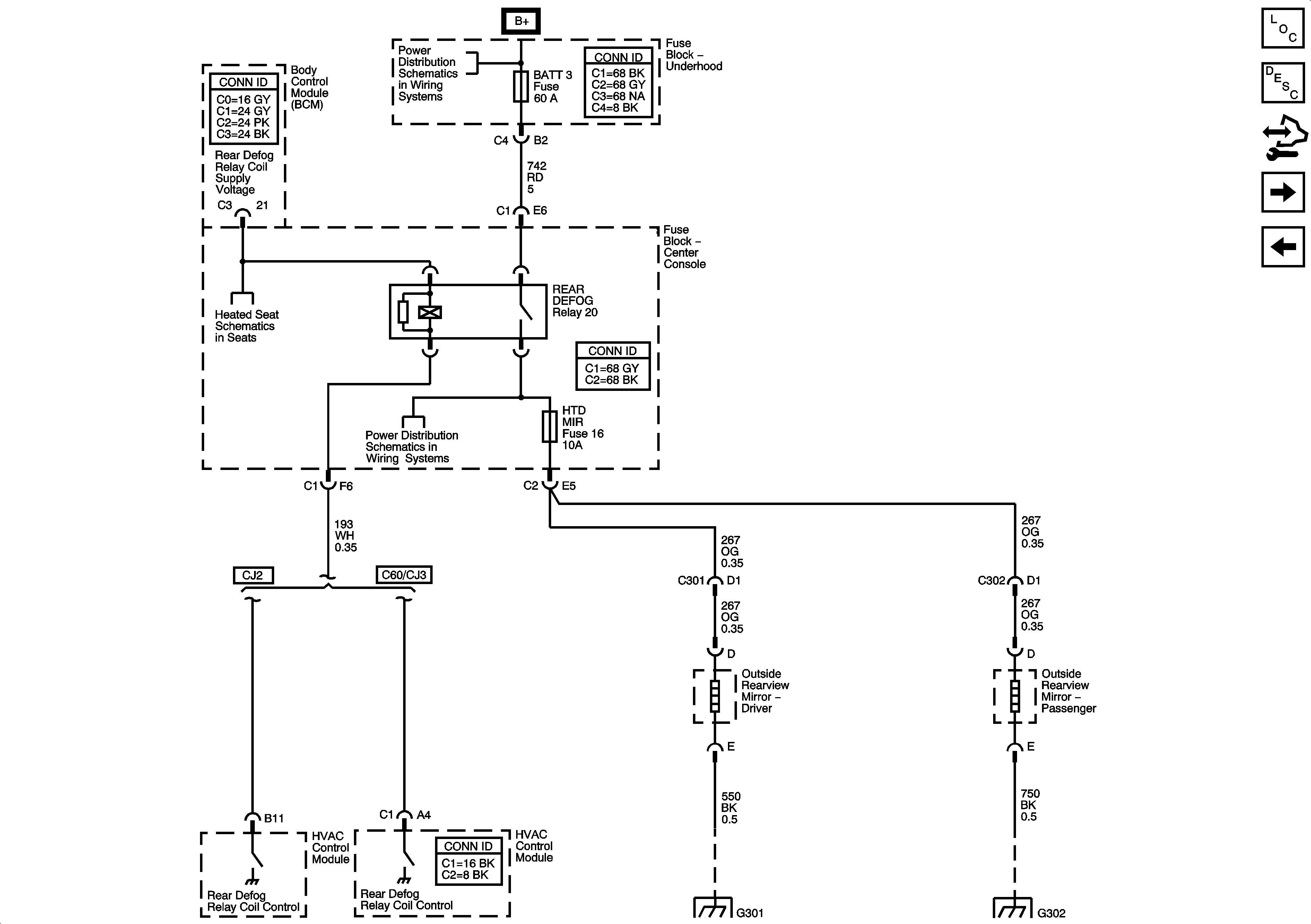
Heated Mirrors


Object Number: 1501049  Size: FS
Master Electrical Component List
Outside Mirror Description and Operation
Control Module References
Memory Mirrors - Power, Ground and Switches
Base Mirrors - Buick
BATT 3, HTD MIRR, STG COL, and RR DEF Fuses
Driver Power and Heat Seat
BATT 3, HTD MIRR, STG COL, and RR DEF Fuses
G301
G302
Figure 4:

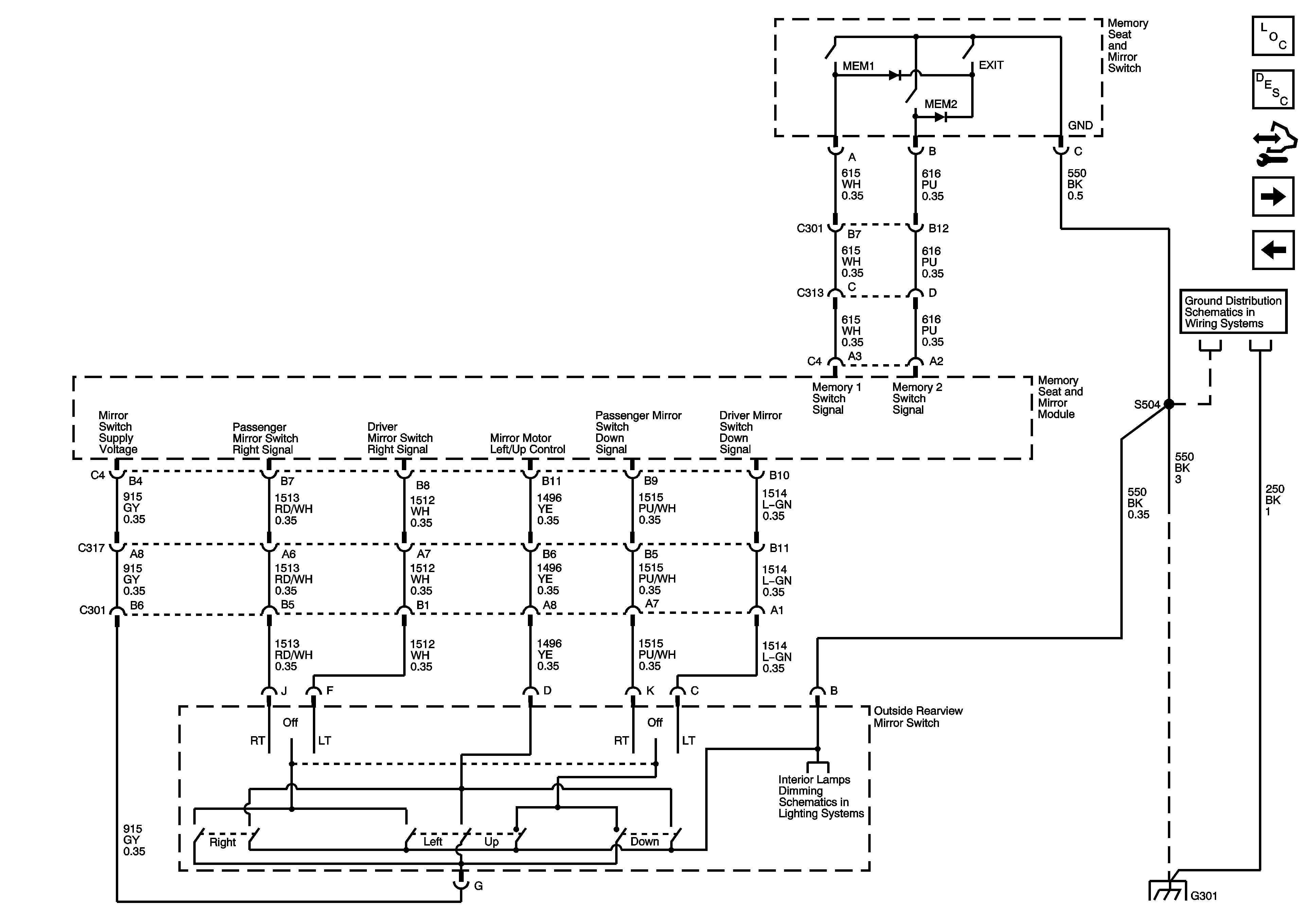
Memory Mirrors - Power, Ground and Switches


Object Number: 1501051  Size: FS
Master Electrical Component List
Outside Mirror Description and Operation
Control Module References
Memory Mirrors - Mirror Controls
Heated Mirrors
Dimming Control and Panel Lamps 1 of 2-Buick
G301
Figure 5:

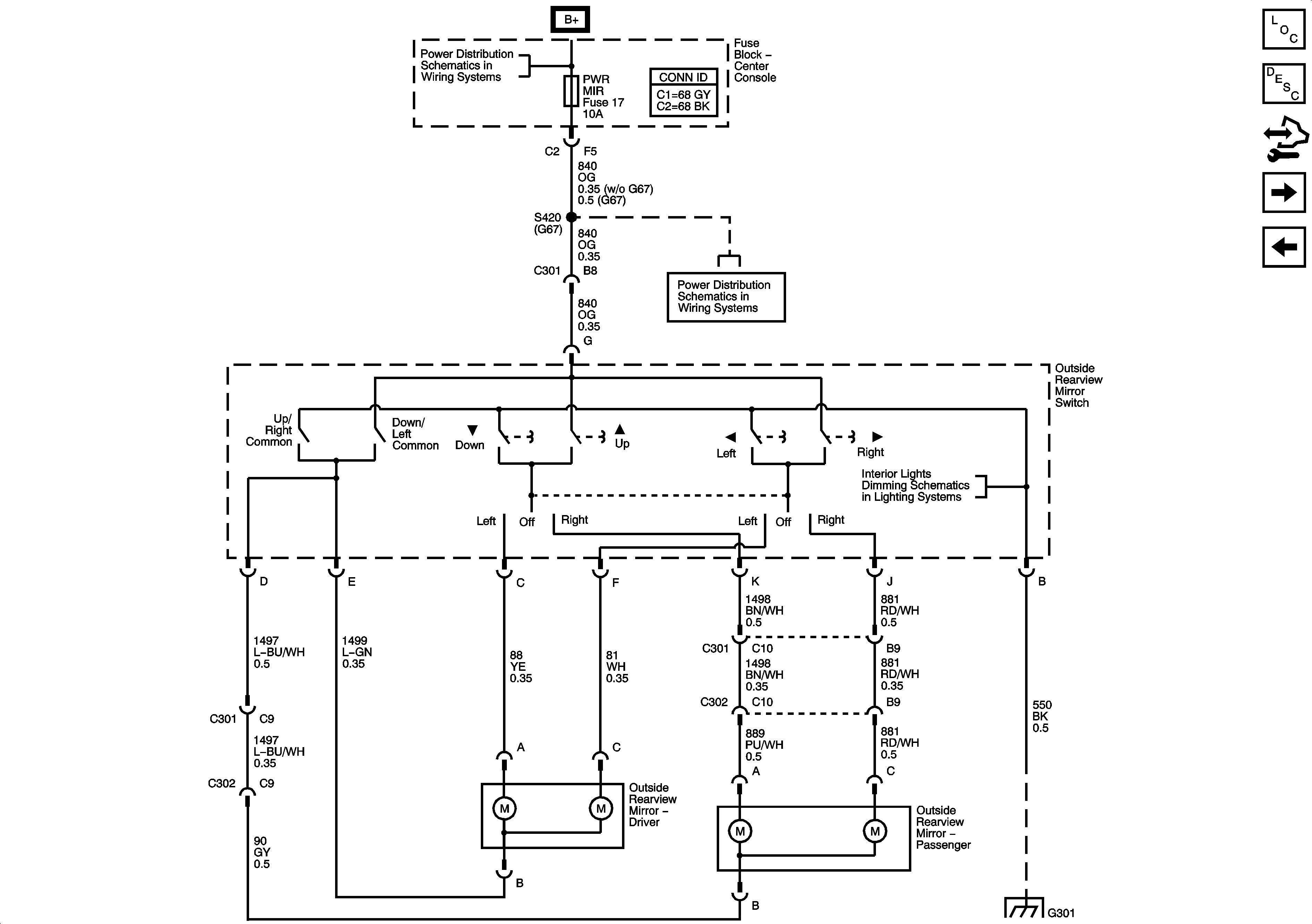
Memory Mirrors - Mirror Controls


Object Number: 1501057  Size: FS
Master Electrical Component List
Outside Mirror Description and Operation
Control Module References
Memory Mirrors - Power, Ground and Switches