GM Service Manual Online
For 1990-2009 cars only
Makes
🢒
Pontiac
🢒
2005
🢒
Aztek - FWD
🢒
Body
🢒
Wiring Systems
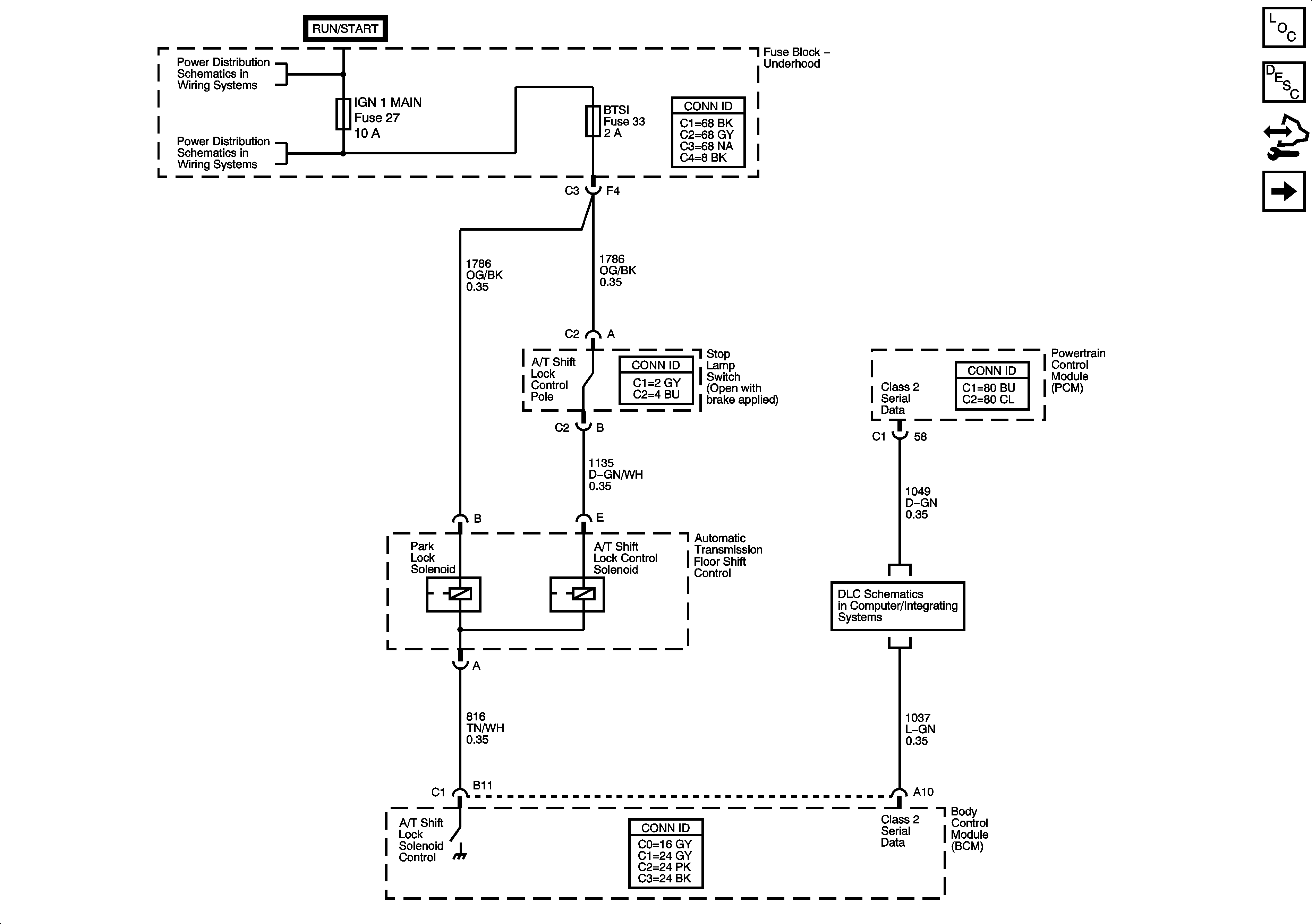
🢒 Shift Lock Control Schematics
Figure
1:
Pontiac
Master Electrical Component List
Automatic Transmission Shift Lock Control Description and Operation
Control Module References
Buick
BTSI (3.4L), CRUISE, IGN 1 MAIN, and TRN SIG Fuses
BTSI (3.4L), CRUISE, IGN 1 MAIN, and TRN SIG Fuses
Data Link Connector (DLC)
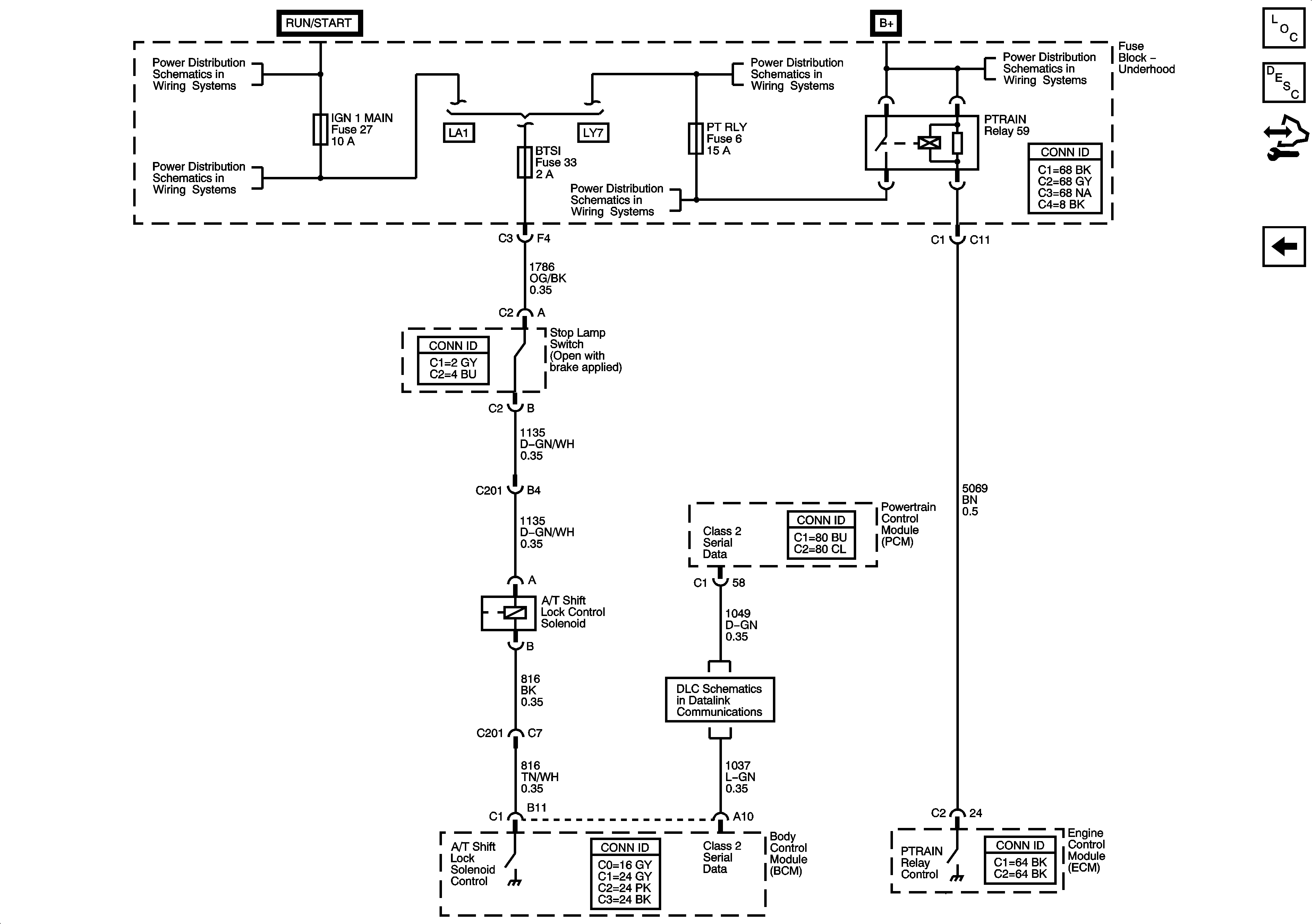
Figure
2:
Buick
Master Electrical Component List
Automatic Transmission Shift Lock Control Description and Operation
Control Module References
Pontiac
BTSI (3.4L), CRUISE, IGN 1 MAIN, and TRN SIG Fuses
BTSI (3.4L), CRUISE, IGN 1 MAIN, and TRN SIG Fuses
PTRAIN Relay (2 of 2), BTSI, PT RLY, and PT SENSORS Fuses - 3.6L
B+ Bus 2 of 2
PTRAIN Relay (1 of 2), INJ EVEN, INJ ODD, and O2/MAF SENS Fuses - 3.6L
Data Link Connector (DLC)