GM Service Manual Online
For 1990-2009 cars only
Figure 1:

Brake Pressure Modulation, Ground, Power, and Stop Lamp Switch


Object Number: 1499544  Size: FS
Master Electrical Component List
Control Module References
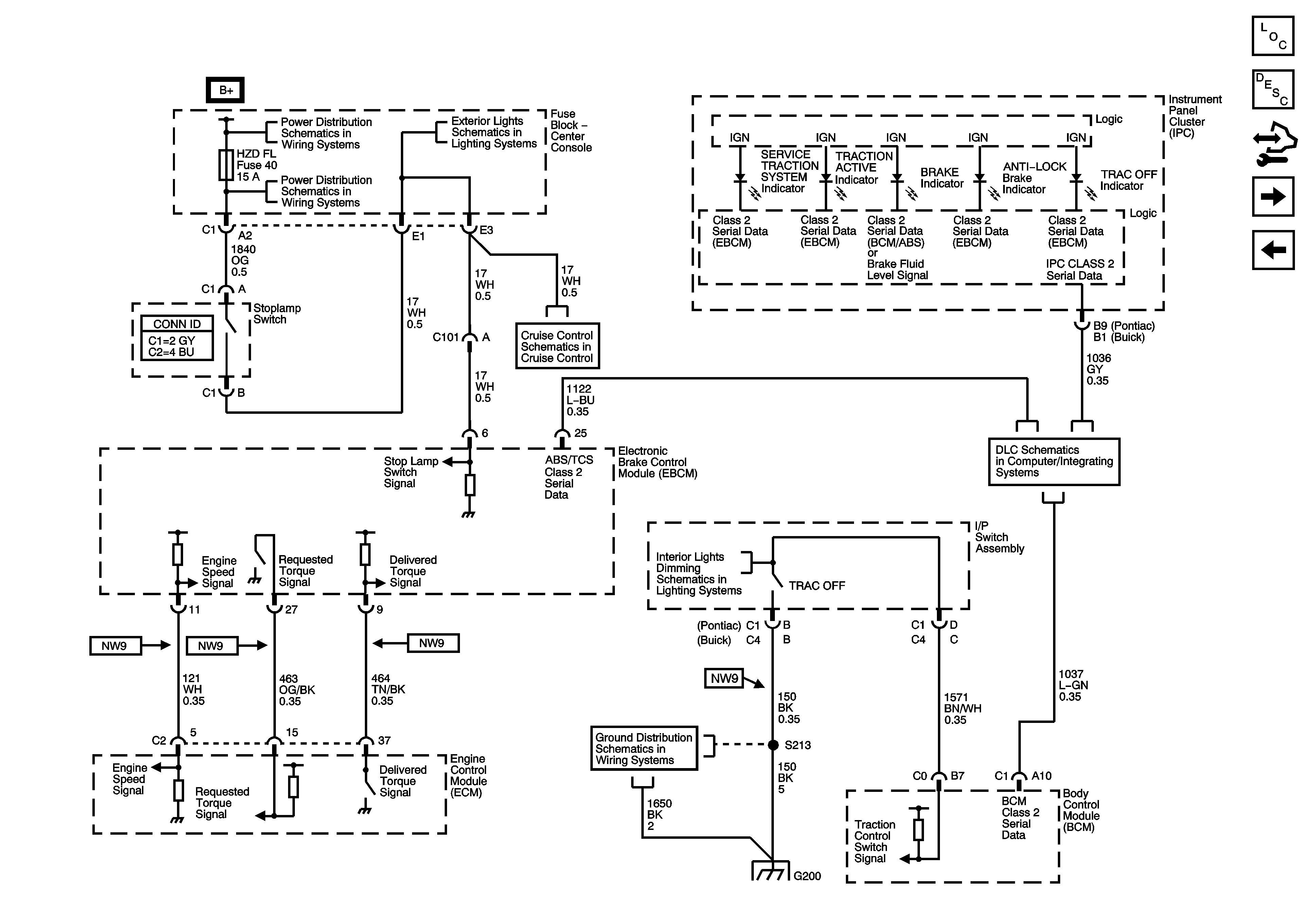
DLC, Indicators and Traction Control Switch 3.4L
ABS, AWD, ELEC ENG, EMS DEV, O2 SENSORS Fuses, and IGNITION Relay - 3.4L
ABSMTR, ABS SOL, BCM, DVD, ECM (3.6L), FRT AUX, PCM (3.4L), S BAND, and VENT SOL Fuses
Data Link Connector (DLC)
G302
G117
Figure 2:

DLC, Indicators, and Traction Control Switch - 3.4L


Object Number: 1499546  Size: FS
Master Electrical Component List
Control Module References
Wheel Speed Sensors
Brake Pressure Module, Ground, Power and Stop Lamp Switch
BATT 1, BCML, HUD, HZD FL, INKEY, IP MDL, RADIO, and RD AMP Fuses
BATT 1, BCML, HUD, HZD FL, INKEY, IP MDL, RADIO, and RD AMP Fuses
Turn Signal/Hazard Control
Cruise Control Schematic - LA1
Data Link Connector (DLC)
Panel Lamps - Pontiac, Page 2 of 2
G200
G200
Figure 3:

DLC, Indicators and Traction Control - 3.6L


Object Number: 1526881  Size: FS
Figure 4:

Wheel Speed Sensors


Object Number: 1499519  Size: FS
Master Electrical Component List
Control Module References
DLC, Indicators and Traction Control Switch 3.4L