GM Service Manual Online
For 1990-2009 cars only
Makes
🢒
Pontiac
🢒
2005
🢒
Aztek - FWD
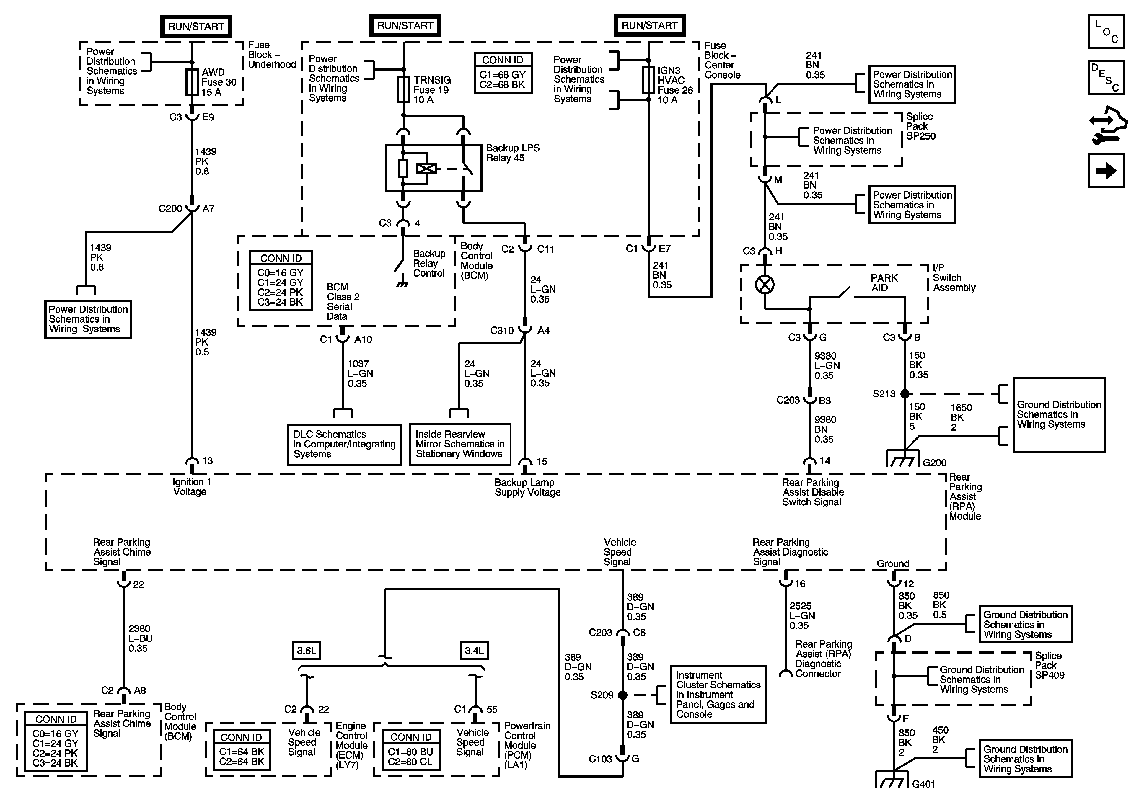
🢒 RPA Module Power and Ground
RPA Module Power and Ground
Rear Parking Assist (RPA) Module Power and Ground
Master Electrical Component List
Object Detection Description and Operation
Control Module References
Object Sensors
ABS, AWD, ELEC ENG, EMS DEV, O2 SENSORS Fuses, and IGNITION Relay - 3.4L
BTSI (3.4L), CRUISE, IGN 1 MAIN, and TRN SIG Fuses
IGN3HVAC Fuse
IGN3HVAC Fuse
IGN3HVAC Fuse
IGN3HVAC Fuse
ABS, AWD, ELEC ENG, EMS DEV, O2 SENSORS Fuses, and IGNITION Relay - 3.4L
Data Link Connector (DLC)
Inside Rearview Mirror Schematics
G200
G200
Gages - 3.4L
G401
G401
G401