GM Service Manual Online
For 1990-2009 cars only
Makes
🢒
Pontiac
🢒
2000
🢒
Firebird
🢒 Cell 34: PCM
Cell 34: PCM
Cell 34: PCM
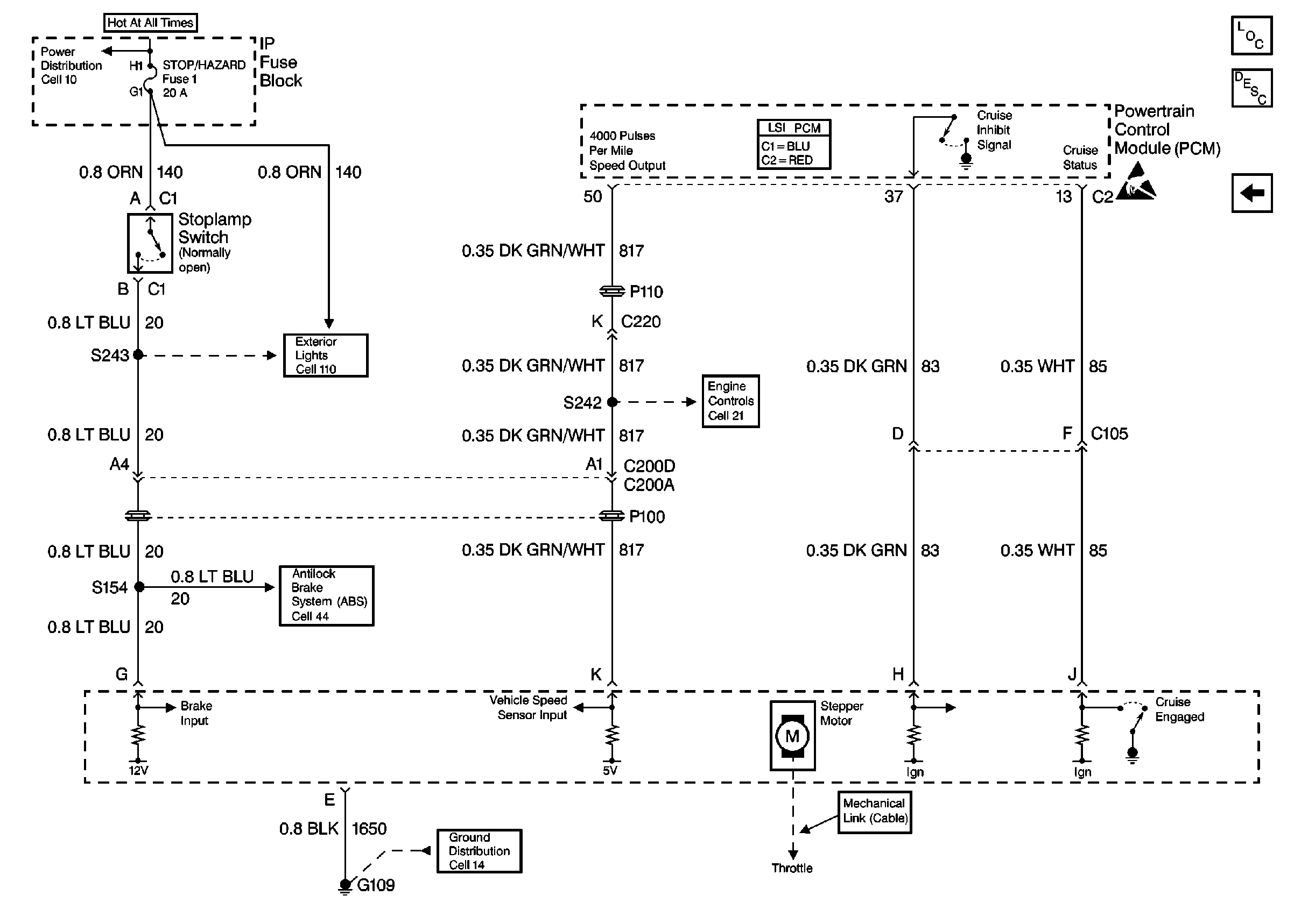
Cruise Control Components
Cruise Control System Circuit Description WO/ETC
Cell 34: Instrument Cluster
Fusible Links, IP Fuse Block, and Underhood Electrical Centers
Powertrain Control Module Connector End Views
Handling ESD Sensitive Parts Notice
Center High Mounted Stoplamp Cell 110
Without Traction Control
G100, G101, G102, G109, G111, G202
TCS Retard Signal, VSS Output and VSS Signal