GM Service Manual Online
For 1990-2009 cars only
Makes
🢒
Pontiac
🢒
2000
🢒
Firebird
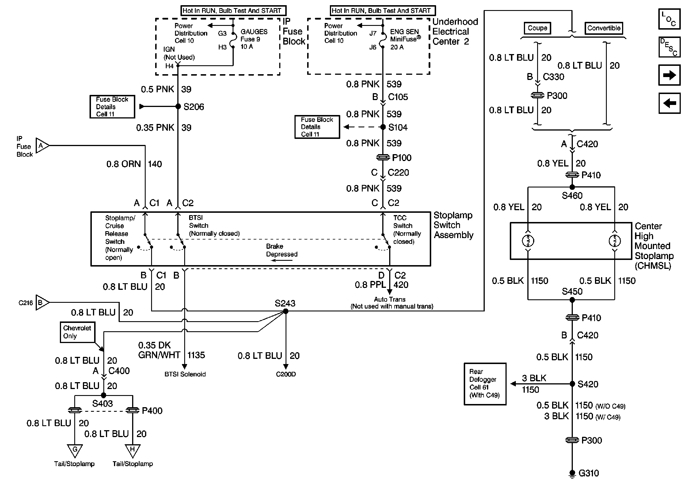
🢒 Center High Mounted Stoplamp Cell 110
Center High Mounted Stoplamp Cell 110
Center High Mounted Stoplamp Cell 110
Fusible Links, IP Fuse Block, and Underhood Electrical Centers
I/P Fuses 7, 9, 10 and 11
Tail/Stop/Turnlamps Cell 110
Tail/Stop/Turnlamps Cell 110
Cell 138
Chevrolet: Taillamps, Tail/Stop Turnlamps, Tail/Stoplamps, License Lamp Cell 110
Chevrolet: Taillamps, Tail/Stop Turnlamps, Tail/Stoplamps, License Lamp Cell 110
U/H Center 2: ENG SEN Fuse
Ignition Switch and Underhood Electrical Center 2
Cell 61
Tail/Stop/Turnlamps Cell 110
Park/Turnlamps, Foglamps Relay, Side Marker Lamps Cell 110
Exterior Lights Circuit Description
Lighting Systems Components