GM Service Manual Online
For 1990-2009 cars only
Makes
🢒
Pontiac
🢒
2000
🢒
Firebird
🢒 Cell 121
Cell 121
Cell 121
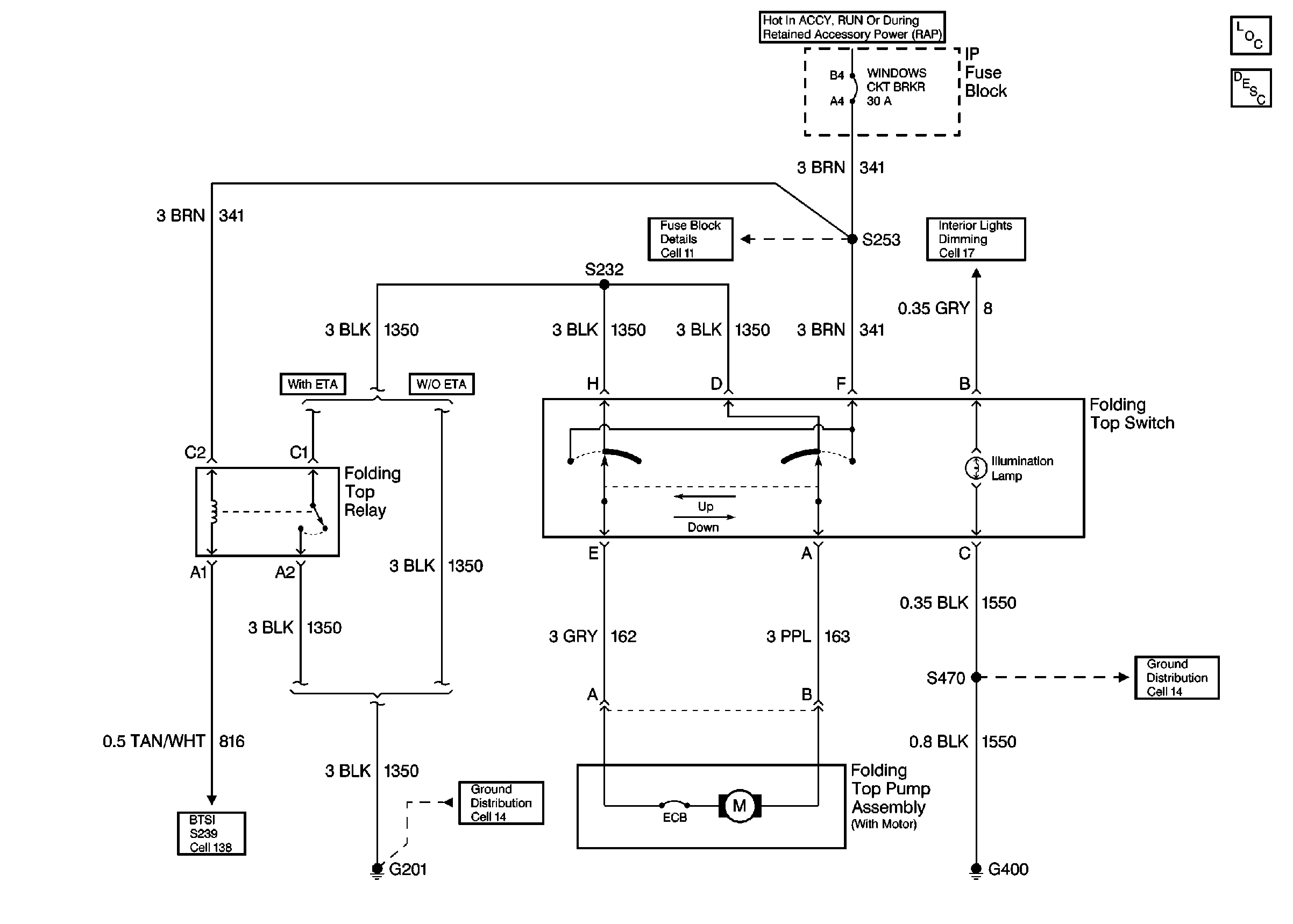
Power Roof Systems Components
Power Folding Top Circuit Description
I/P Fuses 3, 14, 17 and Circuit Breaker 15
Instrument Panel Lamps
Cell 138
G201
G400 Chevrolet