GM Service Manual Online
For 1990-2009 cars only
Makes
🢒
Pontiac
🢒
2000
🢒
Firebird
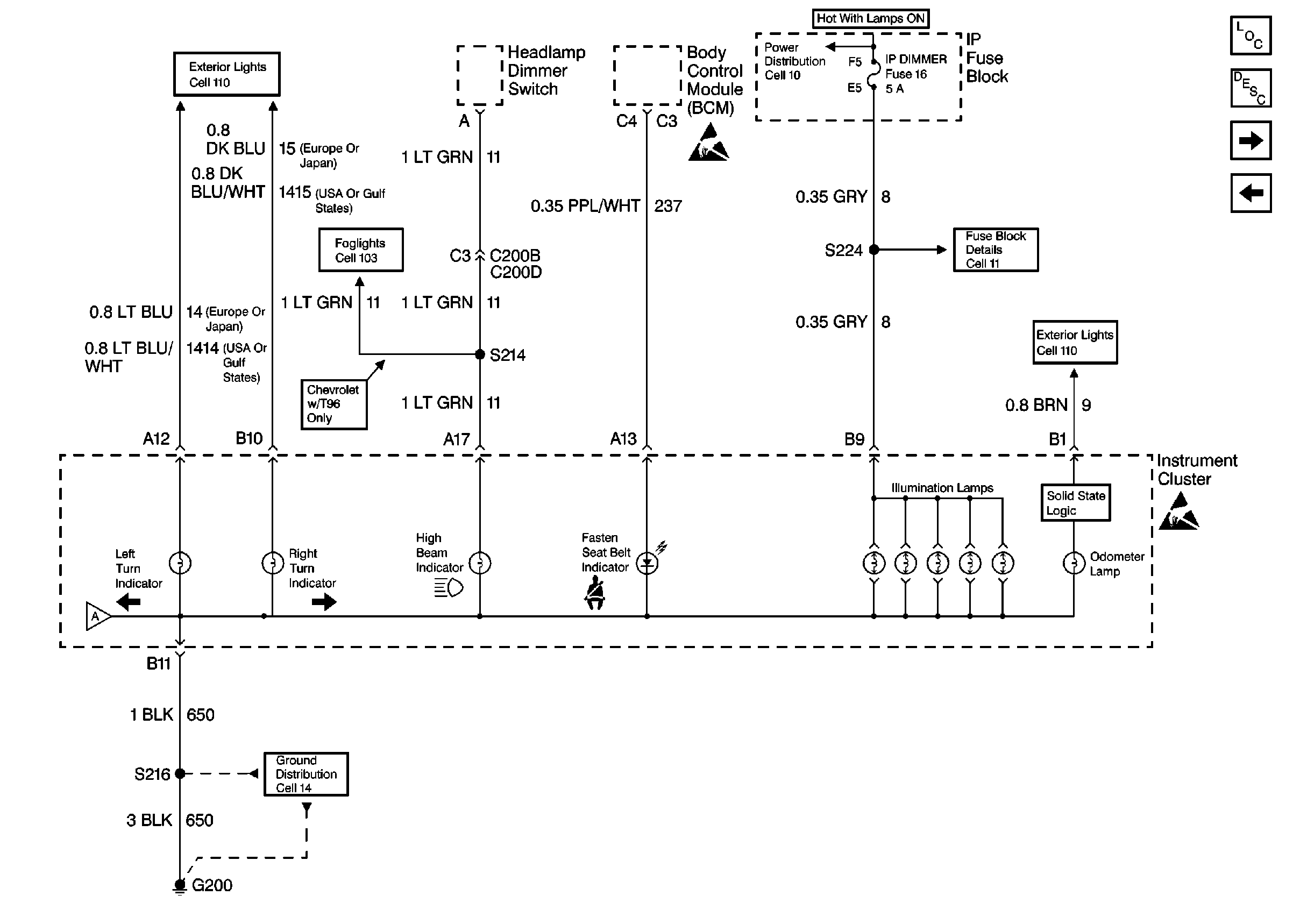
🢒 BCM and Headlamp Dimmer Switch
BCM and Headlamp Dimmer Switch
BCM and Headlamp Dimmer Switch
Instrument Cluster Components
Audible Warnings Circuit Description
BCM, Engine Coolant Level Indicator Module, PCM, and Rear Compartment Lid Ajar Indicator Switch
Data Link, Engine Oil Pressure Sensor, Instrument Cluster, and PCM
Tail/Stop/Turnlamps Cell 110
Ignition Switch and IP Fuse Block
Chevrolet Cell 103
I/P Fuses 13 and 16
Park/Turnlamps, Foglamps Relay, Side Marker Lamps Cell 110
Data Link, Engine Oil Pressure Sensor, Instrument Cluster, and PCM
Handling ESD Sensitive Parts Notice
G200 Door Locks, Mirrors, Windows