GM Service Manual Online
For 1990-2009 cars only
Makes
🢒
Pontiac
🢒
2000
🢒
Firebird
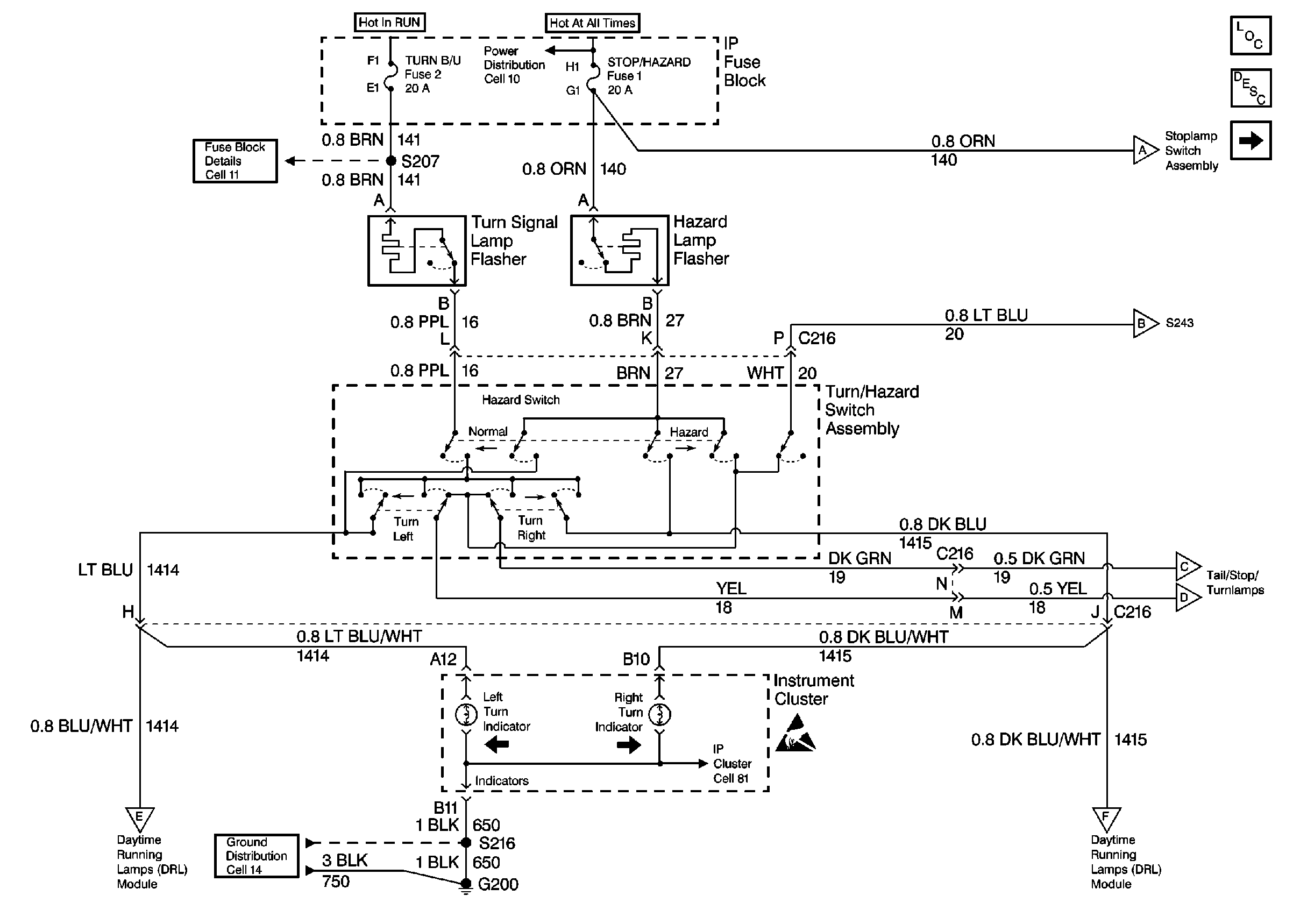
🢒 Tail/Stop/Turnlamps Cell 110
Tail/Stop/Turnlamps Cell 110
Tail/Stop/Turnlamps Cell 110
I/P Fuses 1, 2, 5 and 6
Fusible Links, IP Fuse Block, and Underhood Electrical Centers
Park/Turnlamps, Foglamps Relay, Side Marker Lamps Cell 110
G200 DRL, HVAC, Rear Defog
Handling ESD Sensitive Parts Notice
BCM and Headlamp Dimmer Switch
Park/Turnlamps, Foglamps Relay, Side Marker Lamps Cell 110
Chevrolet: Taillamps, Tail/Stop Turnlamps, Tail/Stoplamps, License Lamp Cell 110
Chevrolet: Taillamps, Tail/Stop Turnlamps, Tail/Stoplamps, License Lamp Cell 110
Center High Mounted Stoplamp Cell 110
Center High Mounted Stoplamp Cell 110
Center High Mounted Stoplamp Cell 110
Exterior Lights Circuit Description
Lighting Systems Components