GM Service Manual Online
For 1990-2009 cars only
Makes
🢒
Pontiac
🢒
2000
🢒
Firebird
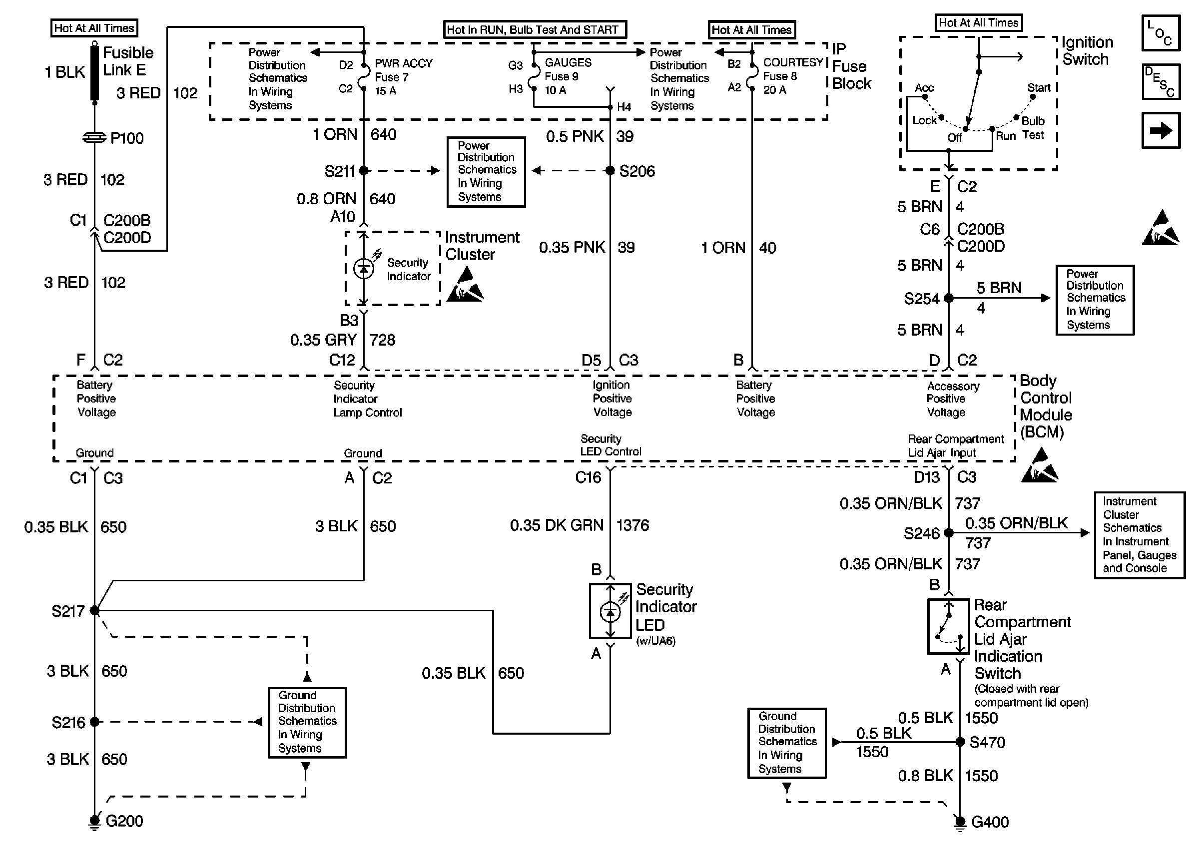
🢒 Body Control Module, Ignition Switch and Instrument Cluster
Body Control Module, Ignition Switch and Instrument Cluster
Body Control Module, Ignition Switch and Instrument Cluster
Body Control Module Components
Body Control System Circuit Description
Body Control Module and RAP Components
Handling ESD Sensitive Parts Notice
Fusible Links, CIG/ACCY, ENG CTRL, IGN, I/P-1, I/P-2, and PWR ACCY Fuses
Power Distribution Schematics
Power Distribution Schematics
Body Control Module (BCM) and Ignition Switch
Instrument Cluster Indicators
G200 Splice S220
G400 Splice S470