GM Service Manual Online
For 1990-2009 cars only
Makes
🢒
Pontiac
🢒
2001
🢒
Firebird
🢒 Chevrolet: Center High Mounted Stop Lamp
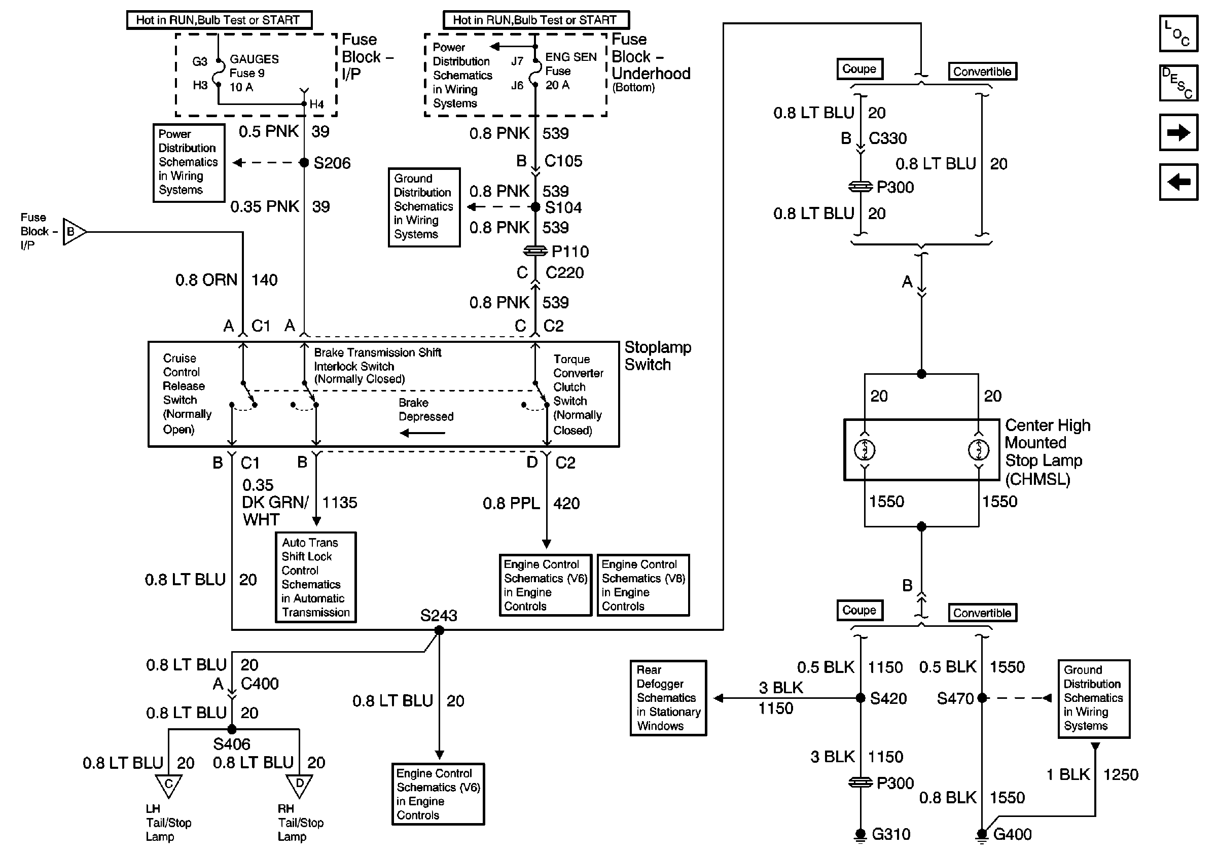
Chevrolet: Center High Mounted Stop Lamp
Chevrolet: Center High Mounted Stop Lamp
Master Electrical Component List
Exterior Lighting Systems Description and Operation
Chevrolet: Taillamps, License Lamp, Tail/Stop Lamps
Chevrolet: Side Marker Lamps, Park/Turn Lamps
G400 Splice S470
HVAC Control, Rear Defogger Grid
Automatic Transmission and Stop Lamp Switch
Automatic Transmission, Brake Switch
TAC Module, Brake Switch, Cruise
Chevrolet: Taillamps, License Lamp, Tail/Stop Lamps
AT Shift Lock Control Actuator Solenoid, and Diode
ENG SEN Fuse
ENG SEN Fuse
AIR BAG and GAUGES Fuses
Chevrolet: Side Marker Lamps, Park/Turn Lamps
Chevrolet: Taillamps, License Lamp, Tail/Stop Lamps