GM Service Manual Online
For 1990-2009 cars only
Makes
🢒
Pontiac
🢒
2002
🢒
Firebird
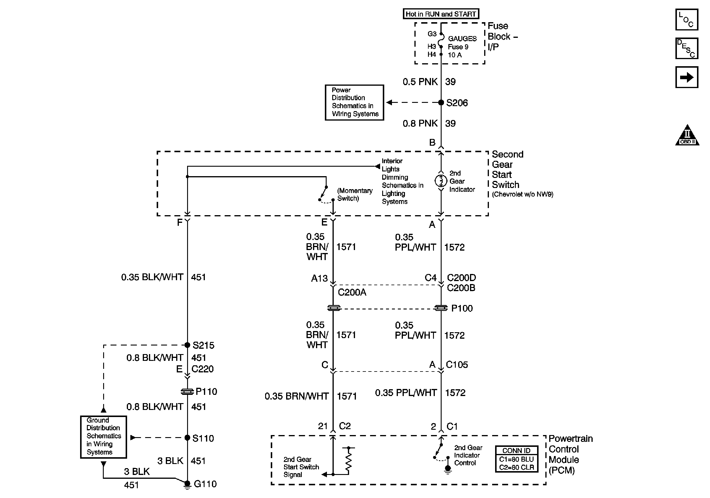
🢒 Second Gear Start V6 L36
Second Gear Start V6 L36
Second Gear Start ( V6 L36)
Master Electrical Component List
Transmission General Information
Solenoids and TCC Switch V6 L36
OBD II Symbol Description Notice
AIR BAG and GAUGES Fuses
Interior Lamps
Rear Compartment Lid Release Relay Enable