GM Service Manual Online
For 1990-2009 cars only
Makes
🢒
Pontiac
🢒
2002
🢒
Firebird
🢒 Chevrolet (Japan)
Chevrolet (Japan)
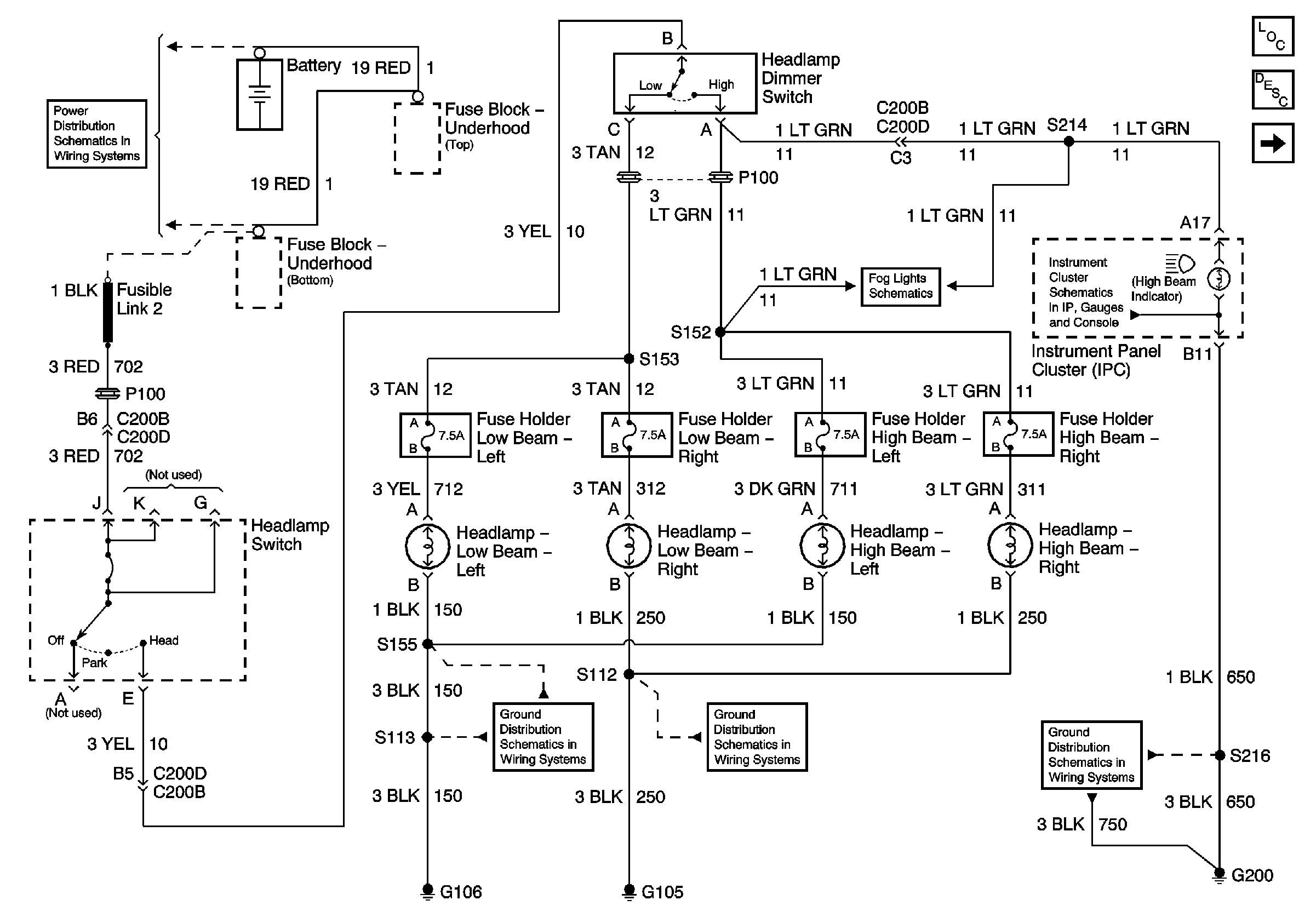
Headlights - Chevrolet - Japan
Master Electrical Component List
Exterior Lighting Systems Description and Operation
Chevrolet (Europe)
Battery Positive Voltage Bussing
Foglights Chevrolet Japan
Lamp Indicators
G106
G105
G200 Page 1 of 3