GM Service Manual Online
For 1990-2009 cars only
Makes
🢒
Pontiac
🢒
2002
🢒
Firebird
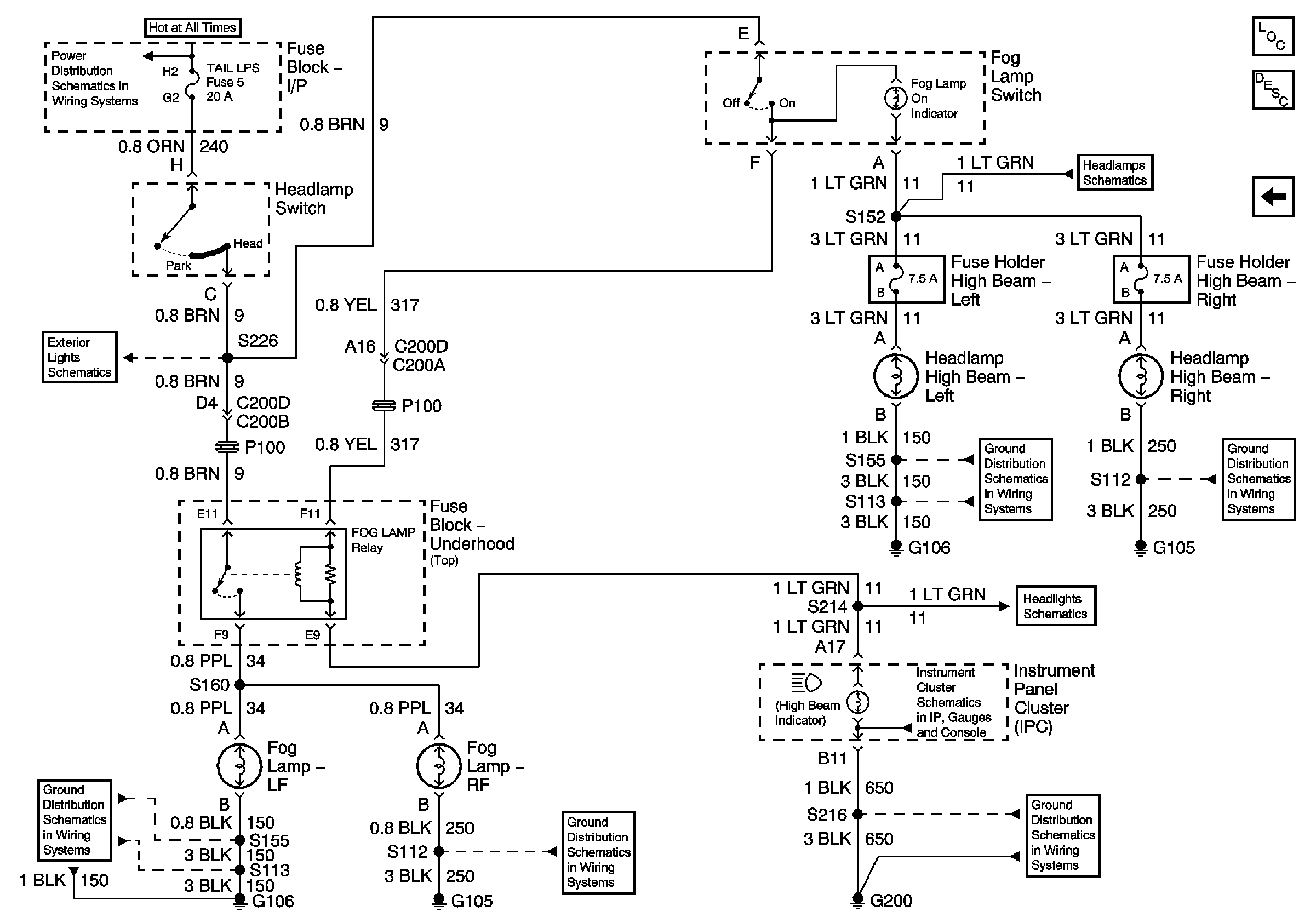
🢒 Foglights Chevrolet Japan
Foglights Chevrolet Japan
Fog Lights - Chevrolet - Japan
Master Electrical Component List
Exterior Lighting Systems Description and Operation
Rear Fog Lights Chevrolet Europe
I/P-2,TAIL LPS, STOP/HAZARD,PWR ACCY and CIG/ACCY Fuses
Front Park Lamps Chevrolet Japan
G106
G105
Chevrolet (Japan)
G106
G105
Chevrolet (Japan)
Lamp Indicators
G200 Page 1 of 3