GM Service Manual Online
For 1990-2009 cars only
Makes
🢒
Pontiac
🢒
2002
🢒
Firebird
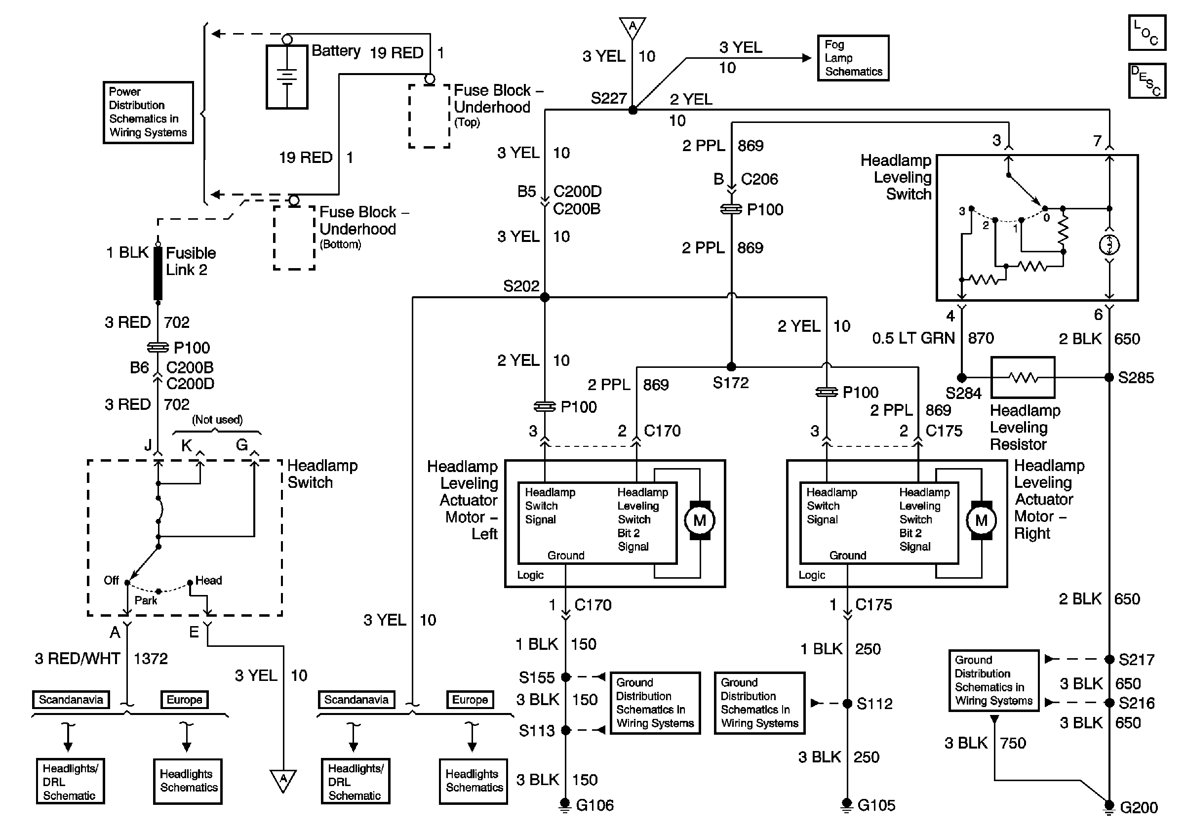
🢒 Headlight Leveling Schematic
Headlight Leveling Schematic
Master Electrical Component List
Exterior Lighting Systems Description and Operation
Battery Positive Voltage Bussing
Rear Fog Lights Chevrolet Europe
Power,Ground and Headlight Switch Control Chevrolet Scandanavia
Chevrolet (Europe)
Power,Ground and Headlight Switch Control Chevrolet Scandanavia
Chevrolet (Europe)
G106
G105
G200 Page 1 of 3